ref 《测控电路 第五版》



二极管与晶体管都有一定非线性, 死区电压





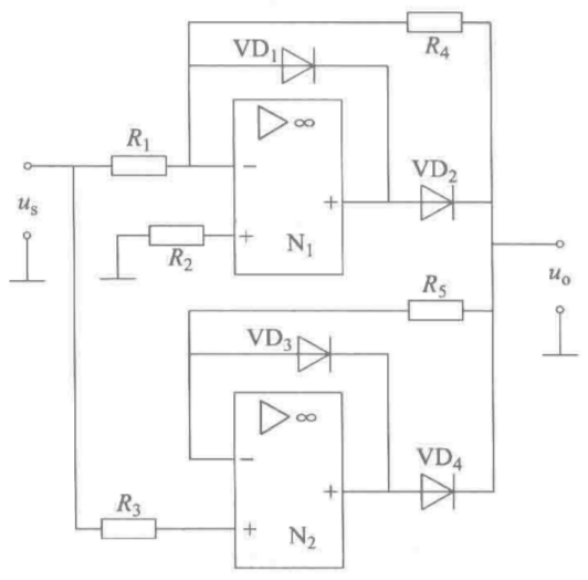
R 1 = R 2 = R 3 = R 4 / 2 R_1=R_2=R_3=R_4/2 R1=R2=R3=R4/2
u s > 0 u_s>0 us>0: N 2 N_2 N2的同相输入端与反相输入端输入同信号, u o = u s u_o=u_s uo=us
u s < 0 u_s<0 us<0: N 1 N_1 N1输出 u A = 2 u s u_A=2u_s uA=2us, N 2 N_2 N2输出 u o = − u s u_o=-u_s uo=−us
u o = ∣ u s ∣ u_o=|u_s| uo=∣us∣全波检波
