1、内容简介
略
478-可以交流、咨询、答疑
2、内容说明
摘 要:针对火电厂湿法烟气脱硫吸收塔浆液pH值控制,研究了吸收塔浆液pH值控制策略,提出了一种基于串级 变比值模糊PID的控制方法。通过Matlab/Simulink仿真分析,验证了这种控制策略能够改善非线性、大滞后性、耦 合性及时变性系统的控制品质,提高了pH值控制的稳定性,增强了系统的鲁棒性和适应性。
火电厂湿法烟气脱硫工艺自烟气进入吸收塔到生成石 膏全过程本质上是一种酸碱中和反应。吸收塔内浆液pH值 的控制是提高脱硫效率,掌控石膏品质的关键环节。本文针 对火电厂湿法烟气脱硫吸收塔浆液pH值调节过程具有非线 性、大滞后性、耦合性与时变性等特点,通过调研发现: 单回路控制方法存在调节延迟大的问题,可以利用串级控 制反应快且能及时消除内扰的特点来应对;由于串级控制 又存在PID参数难以整定的特点,故可以利用模糊控制的优 势来化解;而烟气参数不稳定则可以利用变比值的思想来 消除,最后提出了一种基于串级变比值模糊PID控制方法。
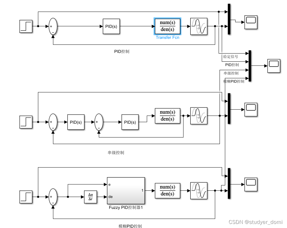
PID控制器在工业控制中应用广泛,是一种发展非常早的控制策略。它算法简单,鲁棒性好,可靠性高。但若过程中存在时滞环节、非线性等现象,使用传统的PID控制方法难以达到理想的控制效果。
所选论文针对一类时滞系统,提出了基于MATLAB的模糊控制设计方案,仿真结果表明了模糊控制方案在系统控制中的有效性。本文除了运用文献中所给的模糊控制器外,
还设计了传统PID控制器。此外,在常规PID控制基础上,此论文利用模糊控制进行模糊推理,设计了模糊PID控制器。将上述三种方法进行仿真对比,结果表明模糊PID的控制效果要好于传统PID控制器和模糊控制器。

3、仿真分析


4、参考论文
串级变比值模糊PID延期脱硫浆液pH值控制优化及仿真.pdf