现有铅酸电池特性:
选用芯片:CN3768,4A,12V铅酸电池充放电管理集成电路
CN3768是PWM降压模式12V铅酸电池充电管理集成电路,具有涓流,恒流,过充和浮充电模式,非常适合12V铅酸电池的充电。在过充和浮充电模式,充电电压典型值分别为14.8V和13.55V;在恒流充电模式,充电电流通过一个外部电阻设置。
①如果电池电压低于所设置的过充电压的75%,CN3768用所设置的恒流充电电流的17.5%对电池进行涓流充电。在过充电阶段,充电电流逐渐减小。
②当充电电流降低到恒流充电电流的38%时,CN3768进入浮充电状态。
③电池电压下降到所设置的过充充电压的83.95%,自动开始新的充电周期。
④当输入电源掉电或者输入电压低于电池电压时,CN3768自动进入低功耗的睡眠模式。
应用:
特点:
宽输入电压范围:6.6V 到 30V(对于12V铅酸电池,输入电压至少要为15V)
对 12V 铅酸电池进行完整的充电管理
过充电和浮充电电压分别为 14.8V 和
13.55V
充电电流达 4A
PWM开关频率:300KHz
恒流充电电流由外部电阻设置
对深度放电的电池进行涓流充电
自动再充电功能
充电状态指示
软启动功能
电池端过压保护
工作环境温度:-40℃ 到 +85℃
采用 8 管脚 SOP 封装
产品无铅,无卤素元素,满足 RoHS
管脚排列:


典型应用电路:

![]()
LED状态指示说明:

PCB设计注意事项:查看数据手册


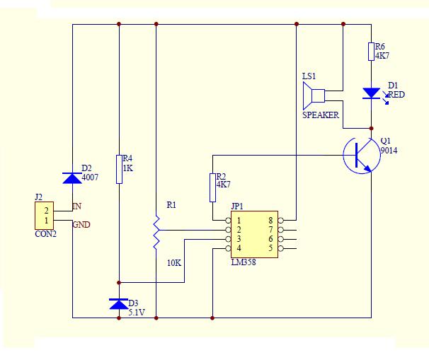
电池欠压后,蜂鸣器发出响声,同时红色LED亮起,当电池电压回到设定值以上时,蜂鸣器停止报警。
参考2:铅酸电池充放电保护电路图

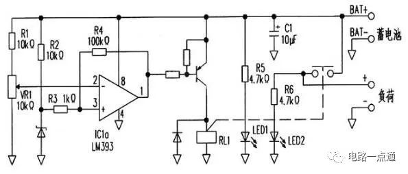
注:LM393输出是集电极开路的OC,也就是无源(导通是至地电阻极小,截止是电阻极大。)必须接一上拉电阻至VCC,才有高电平输出!
原理:使用电压比较芯片LM393,这是一个双电压比较器芯片,在这个电路中使用了其中的一片。
蓄电池除了给负载部分供电外,还会给这个电路提供电源。电压比较器的同相输入端由电阻R2通过稳压二极管稳压,经过电阻R3提供基准电压,同时蓄电池电压会经过电阻R1以及可变电阻VR1的分压输入到电压比较器的反相输入端,这一路作为电池电压的检测,通过调节VR1使电压在放电保护电压。正常工作时,反相输入端的电压会高于同相输入端,比较器的输出端会输出低电平,驱动外接的PNP三极管导通,继电器线圈得电工作,常开触点闭合,蓄电池会给负载供电。
当电池电压过低时,反相输入端的电压会低于同相输入端,比较器的状态会发生翻转,输出由低电平变为高电平,三极管截止,继电器线圈失去电压,触点断开停止供电。
缺点:当电池电压随着放电降低时,会出现同相输入端与反相输入的电压相等的时刻,此时,电压比较器的判断处于临界值,输出的状态就会变得不稳定,表现为继电器的触点不断导通与断开;并且,电池在负载断开时,电压也会有所回升,同样会造成比较器输出状态的不稳定。为了避免这个问题的出现,加入的电阻R4。
当电池电压过低使比较器输出高电平时,输出的电压会经过电阻R4返回到同相输入端,此时同相输入端的电压就会提高,如果电池的电压有所回升,如果想让比较器输出状态发生翻转,就需要比欠压保护的电压值高。这样就使得欠压检测的电压与恢复电压产生了电压差,这个电压就是回差电压,或者称作迟滞。这样就有效避免了由于电压临界值所带来的问题。
参考电路图2:

重要参考!!!

参考:(5条消息) 单片机上面的继电器工作原理及其作用_学无止境2022的博客-CSDN博客
单片机接继电器,用微小的信号,达到直接控制大电流负载的目的,即弱电控制强电。单片机的引脚输出来控制继电器的闭合与断开。


因为在一般情况下NC是闭合的,所以在实际使用中接到NO端口,然后信号输入引脚
IN为低电平时,NC端断开,NO端闭合,负载开始工作
IN为高电平时,NC闭合,NO断开,负载停止工作
常用的继电器驱动电路:

电阻R2的作用:下拉电阻,防止IO口悬空,出现不确定状态,一定要接,很多人在设计电路时没有接。
二极管D1:续流二极管,继电器在关断时,给电感线圈提供续流通路,防止电感产生的感应电动势击穿三极管Q1

加一个耗能元件R3,快速释放电感线圈上的能量。以上两种方法常用!!!
一个简单的12V蓄电池过放电保护电路 (amobbs.com 阿莫电子论坛 - 东莞阿莫电子网站)

整个电路正常工作耗电600uA左右,保护状态不耗电(器件的漏电流,忽略不计)
接上电池时,按下S1就可以工作了,当电池电压下降到临界点以下,电路不工作,即使电压回升,在S1没有被按下之前也不会工作。
工作原理:当S1按下,Vgs电压超过阙值,PMOS管导通,如果电压超过稳压管Z1反向击穿电压+Q1 BE结电压,就会有微弱电流流过Q1基级,然后Q1导通,把PMOS管栅极拉低。这样即使S1松开,电路也可维持导通状态。当电压下降到10.7V以下,稳压管就不会击穿,Q1不会导通,栅极在R1的作用下恢复到高电平,从而PMOS截止。然后输出就没电压了,保护的目的就达到了!
大佬更新的新的方案:原先带开关S1的原因,考虑到带负载和没有负载时电压相差会比较大,这样快没电的时候会引起震荡,电源不稳定,为了不引起震荡,则必须加上滞回比较电路(用一个稳压管+三极管来控制超过一定电压)
C1作用:为了防止刚接上负载(电机类)电压下降,跌到10.7V以下电路直接关闭,不按下S1就不会打开,C1就是帮助它度过这个短暂的“艰难”时间的。
把稳压二极管改成12V,C1取10uF有点太大,电压上升时间比较长。
