本节围绕表达式y = kx + b进行,这类电路是运放实现的最为简单的电路,也较为常用。其中,系数 k 指电压放大倍数(包含绝对值小于 1 的,称为衰减) ,k 是正值,为同相放大,k 是负值,为反相放大;b 代表要实现的移位,大于 0,是提升式、向上移位;小于0,下降式、向下移位
从实用角度看,有以下几种常见的线性变换:
交流耦合电路和直接耦合电路都可以实现信号线性变换,各有优缺点。 交流耦合电路只对交流信号有效,实际上就是一个高通滤波器。当待处理信号包含直流成分或者较低频率时,交流耦合电路不适用。它最大的优点:
同相电路一
如图所示,该同相电路可以实现衰减,也可以实现放大:

图片来源于《你好,放大器》
电平移位
输入信号是基于 0V 的,称之为静默电位为 0。期望输出信号是基于某个确定性电位的,假如 ADC 的输入电压最高值为 5V,最小值为 0V,那么输出静默电位最好是2.5V。将输入信号 0V 静默电位,变换成输出信号 2.5V 静默电位,就是电平移位,一般通过给运放的正输入端加载某个确定电位来实现
R2和 R3从 VCC分压得到一个固定电压加载到 VIN+端,1:1 传递到运放输出端。C2起到了关键作用,如果 C2短接,放大器会对 VIN+端直流电压也进行放大,会引起一系列联动,必须联立方程才能得到结果。当 C2存在,阻断了直流电压放大,仅有 RF反馈,电路为跟随器
放大和滤波
将较大的信号压制到 0~5V 时,R1的介入可以实现衰减,衰减比率为:

反馈支路的电阻和电容,起到对交流信号放大,直流信号跟随的作用。交流信号的高频增益为:

R2和 R3的选择,除实现分压提供静默电位外,还兼具高通滤波器的截止频率设置:

直流信号的增益为 1 倍,存在和交流信号的频率分界线,也可理解为截止频率:

为保证 fl1通带内的增益平坦性,当然要保证 fl2<< fl1。在输出端,一个电阻和电容实现低通滤波,是为后级 ADC 输入端服务的
同相电路一,输出静默电位靠两个电阻分压获得。这种方法简单易行,但有明显的缺点:
同相电路二
交流耦合单电源单入单出同相线性变换电路低噪版,如图所示:

图片来源于《你好,放大器》
同相电路二是一种改进型电路,主要的差别来自于静默电位的实现,不再使用分压电阻,而用一个电压基准源实现。图中 ADR421 是一款串联型的低噪声 2.5V 电压基准源,它的输出 2.5V 经过一个时间常数较大的阻容网络 R2/C4,完成低通滤波,进一步降低噪声,进入到一个电压跟随器中。此电压跟随器的作用是以较大的输出驱动能力,保证 R3下端是一个稳定的 2.5V 对地电位。本电路的运放 ADA4891-2,属于宽带低噪放大器,一个芯片内含两个放大器,多出一个刚好用于静默电位的产生
同相电路三
ADC4891-3 数据手册中的电路,如图所示:

图片来源于《你好,放大器》
同相电路三与同相电路一相似,主要区别有以下几点:
反相电路
交流耦合单电源单入单出反相线性变换电路,如图所示:

图片来源于《你好,放大器》
在放大器的同相输入端,两个电阻分压得到 2.5V,并接的 C1实现低通滤波,降低该点的噪声。C2是核心,第一它阻断了放大电路的直流电流,使得正输入端干净的 2.5V 顺利传递到运放的输出端;第二它耦合通过了交变信号,使其完成了放大
该电路的下限截止频率为:

该电路通带内(即 C2容抗可以忽略的频段)电压增益为:

输出端串联 49.9Ω 电阻是为了与后级传输电缆实现阻抗匹配
直接耦合最大的特点是没有下限截止频率,可以实现对包括直流量在内的信号实施处理。但是,它带来的缺点是设计更为复杂,需要大量计算
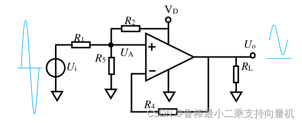
同相增益大于0.5
如图所示,一个能够实现直流电平由 0V 提升到 VD/2,交流增益大于等于 0.5 的电路:

图片来源于《你好,放大器》
输入为双极性信号,输出在 UOZ上(静默电位 UOZ,一般为 0.5VD) ,增益为 G

交流耦合中要想实现 2 倍放大,图中 R3和 R4相等即可,但在直接耦合电路中,情况远比这个复杂:交变信号先经过 R1、R2衰减,再经过 R3和 R4放大,直流电位也是如此,先经过 R1、R2衰减,再经过 R3和 R4放大。既要满足静默电位为 UOZ,又要满足增益为 G,需要列出多个方程联立求解。先设两个临时参量:

则输出表达式为:

解得:

先选择 R3为一个基准电阻,则:

在假设输出是基于 2.5V 的情况下,该电路只能实现 G>=0.5 的增益,其中 G=0.5可以采用断开 R3,R2=R1=2R4实现。但是,如果需要交流增益小于 0.5 的同相放大,上述电路就无能为力了
同相增益小于0.5
要实现更小的增益,在 UA处增加一个电阻 R5接地,且将后续 R3的增益环节去掉,让其变成跟随器。只要 R5足够小,就可以实现更大程度的衰减,如图所示:

图片来源于《你好,放大器》
已知电源电压 VD,要求增益为 G,小于 0.5,输出端静默电位 UOZ。先确定 R1,则:

如果考虑运放两个输入端对外电阻对称,可以选择 R4为上述三个电阻的并联
反相
反相放大电路如图所示,已知VD,UOZ,G,求各电阻:

图片来源于《你好,放大器》
因电路包括端接电阻 RT,有阻抗匹配要求,即从包括端接电阻在内,向右看进去的输入电阻等于 50Ω。再考虑其他要求,列出方程如下:

多数高速放大器,在不同增益下都给出了最佳的反馈电阻,也就是说可以先确定电阻RF,然后按照上式第一行,确定 RG,再利用第二行,确定 RT,最后得到静默时的 UA
所谓的电流源,包括恒定电流的产生,恒定电流或信号电流的缩小和放大,电压到电流的转换,以及电流到电压的转换等
Howland 电流源如图所示:

图片来源于《你好,放大器》
输出通过 R2、R1实现了回送到入端的目的,这是负反馈,其反馈系数为 FN=R1/( R1+ R2)。输出通过 R4、R3,还有 RL实现了回送到入端的目的,这是正反馈,其反馈系数为 FP=(R3//RL)/( R4+ R3//RL)。Howland 电流源中,除负载电阻之外的 4 个电阻是相等的。因此,只要 RL接入电路,正反馈系数就一定小于负反馈系数,电路呈现出负反馈效果

解得:

Howland 电流源的主要问题有:
针对 Howland 电路中 4 个电阻匹配问题,自然会想到差动放大器,它内部有 4 个精密调节好的电阻,而且有相等的,比如图中的 AD8276:

图片来源于《你好,放大器》
基于差动放大器的压流转换器(电流源),如图所示:

图片来源于《你好,放大器》
电路分析:

优缺点如下:
改进电路基于差动放大器的压流转换器,如图所示:

图片来源于《你好,放大器》
增加了一个运放构成的电压跟随器,这样只需要一个电阻 R1就可以了,图中可看出:

下图电路由含运放的基准电压源 ADR821、差动放大器 AD8276、晶体管 2N3904 组成了一个输出电流较大的恒流源

图片来源于《你好,放大器》
AN968-Current Sources: Options and Circuits by Martin Murnane是另外一种思路的电流源。一般都由供电电压源、可控电流环节、电流采样环节、放大环节组成一个闭环,直接采样输出电流(可以在高侧,也可以在低侧),用负反馈强迫输出电流成为指定值

图片来源于《你好,放大器》
AD8278 差动放大器内嵌电阻对为 40kΩ/20kΩ,可以实现0.5 倍和 2 倍放大。如图所示,它是一个 0.5 倍的衰减器

图片来源于《你好,放大器》
用仪表放大器也可以实现相同的电压-电流转换,形成电流源。图 AD620 是一款应用极为广泛的低成本仪表放大器,配合一个合适的运放 AD705,实现了低电流输出精密电流源

图片来源于《你好,放大器》
检测电流的方法很多。常见的有霍尔传感器、罗氏线圈、电流互感器、光纤电流传感器、磁通门、分流电阻等。其中,电流互感器和罗氏线圈仅用于交流电流检测
在电力电子应用中,多数情况下需要检测较大电流— —交流或者直流,此时使用霍尔传感器较为广泛。在小信号测量领域,多数情况下电流较小,但频率范围从直流到高频均有,此时使用分流电阻较为广泛
所谓分流电阻,就是将固定阻值的感应电阻(sense resistor)串联于被测支路中,采用不同的方法测量感应电阻两端的压差,以表征被测电流
分流电阻检测方法,分为高侧测量和低侧测量两种基本类型,如图所示:

图片来源于《你好,放大器》
高侧电流检测,好处是保证了负载具有稳定的 GND,其顶端电压稍有下降一般不会影响其正常工作。但是,这样给测量电路带来了很大问题:测量放大器必须承受较高的共模电压,从中取出可能很小的差模电压以表征被测电流。很多放大器直接使用,难以承受这样的高共模电压
低侧电流检测,不存在放大器承载高共模电压问题。但是,这引起了负载脚底不稳,可能会影响负载的正常工作。特别是当负载是含有处理器和模拟电路的精密测量电路时,保证其 GND 的稳定性极为重要
多数情况下,为了不影响负载正常工作,都采取高侧检测
感应电阻,也称为分流电阻(shunt resistor),一般为较小阻值的电阻。多数分流电阻均为 4 触点的,如下图所示。分流电阻本身阻值很小,焊料电阻不容忽视,它们不确定,且随温度变化,会影响测量输出

图片来源于《你好,放大器》
需要特别注意的是,多数感应电阻都有 0.5nH至5nH 的内部串联等效电感,当被测电流频率很高时,不可忽视电感带来的误差。1nH 在 1MHz 时会存在 6.28mΩ 的感抗,与多数1~100mΩ 的感应电阻相比,已是不能忽略的
图为单运放高侧电流检测电路,主要用于低压负载电流的检测

图片来源于《你好,放大器》
此电路输出晶体管只能输出正电流,因此本电路不能检测负电流。在这种情况下,运放负输入端可能存在的电位最高为电源电压,最低取决于负载电流大小,电流越大,电位越低。因此,保证放大器可以接受正电源电压输入是必须的
高侧检测负载电流,最大的问题就是感应电阻两端对地电位都处于高位,即其被测位置具有较高共模电压。差动放大器可以检测共模电压超过供电电压很多的高侧负载电流。原因是差动放大器输入管脚上的电压,并不直接加载到内部运放的输入端,而是经过两个电阻分压后加载,较高的共模电压输入,在加载到差动放大器内部的运放真正输入端时,已经被衰减了。衰减比率,取决于差动放大器内部的电阻比例
差动放大器高侧电流检测电路一
如图差动放大器 AD8278,内部是两对儿 40kΩ/20kΩ 电阻。它工作于±5V 时,可以检测共模电压 10V 以上信号的差值

图片来源于《你好,放大器》
ADI 为简化电流检测设计,推出了多款专用的电流检测放大器,用于高端检测电流。它们的特点是,可以承载远高于供电电压的共模输入电压,一般都可以达到几十 V,且能够对差模输入电压实施有效的放大,一般在 20 倍以上。有些能够实现双向电流检测,有些只能检测单一方向电流,它们都有比较高的共模抑制比。 ADI 电流检测放大器:

图片来源于《你好,放大器》
任何电压信号,都是两个节点之间的电位差。所谓单端信号,是指一个节点接地,另一个节点电位发生变化代表要表征的信息。差分信号,是指两个节点都不接地,当一个节点变化时,另一个节点出现反方向变化,用两个节点的电位差变化代表要表征的信息
差分信号在信号传递过程中,可以有效抵抗外部的共模干扰,抑制偶次谐波失真,还能扩大动态范围,比单端信号形式更具优势。·在精密信号处理和采集电路中,多采用差分信号形式·,差分信号的劣势是电路相对复杂
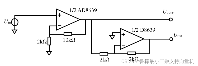
很多情况下,需要把一个单端信号转变成差分信号,如图所示:

图片来源于《你好,放大器》
要实现单端信号到差分信号的转换,常见有以下 3 种方法:基本电路、交叉反馈电路,以及全差分运算放大器组成的电路
最基本的单端转差分电路,如图所示,它由一个同相比例器(图中上面运放)和反相比例器(图中下面运放)并列组成,两个比例器设定的电压增益相同

图片来源于《你好,放大器》
该电路有一个缺点,受反相比例器的影响,对 Uin来说,电路的输入阻抗比较小
另一种基本电路,如图所示,区别仅在于反相比例器的输入信号来源。本电路的输入阻抗可以做到很大,这取决于运放的选择。但是本电路在信号延迟特性上,要比前一个电路差,Uout-会比 Uout+滞后更长时间

图片来源于《你好,放大器》
图中电路是一种特殊的结构,两个运放的输出互相做了对方的输入

图片来源于《你好,放大器》
从静态分析(即不施加输入信号),本电路可以实现两个输出端静态电位的单输入调整;从动态分析,本电路可以实现单一电阻调节增益,并可方便调节高通截止频率;另外,这个电路可以使用单电源供电,实现单极性 ADC 的输入端驱动
电路缺点:
直流性能优越的精密放大器,通常带宽较窄,而高频或者宽带放大器其直流性能又不好。一种新型的放大电路复合放大电路,它由一个精密运放和一个高速运放组合形成,最终得到的结果是,两者都好
串联型复合放大电路如图所示:

图片来源于《你好,放大器》
串联型复合放大电路,是指组成复合放大电路的两个放大器串联,信号先经过第一个放大器(输入放大器),再经过第二个放大器(输出放大器)
这个电路仍存在问题,它的输出信号幅度仍较小,大信号输入情况下,AD8628 的输出端能否提供足够的压摆率,以及 AD8009 能否输出大电压。解决方案:改变 AD8009 的供电电压,由原电路的±2.5V 变为±5V,而保持 AD8628的低压供电,可以立即得到更高的输出幅度
并联型复合放大电路,以一个或者多个高速放大器为核心进行高频信号放大,以一个辅助放大器并联于信号链旁,通过负反馈,迫使输出失调电压维持在 0V 附近,以降低输出失调。这样的复合放大电路,其增益带宽积完全取决于高速放大器,可以做到几十 GHz以上,且输出失调电压可以被有效降低

图片来源于《你好,放大器》
该电路也有缺点,除输出失调电压被强制降低外,其它输入特性,如偏置电流、输入阻抗、输入范围等,毫无改善
致谢杨建国老师著作《你好,放大器》

希望本文对大家有帮助,上文若有不妥之处,欢迎指正
分享决定高度,学习拉开差距