创龙科技SOM-TL335x-S是一款基于TI Sitara系列AM3352/AM3354/AM3359 ARM Cortex-A8高性能低功耗处理器设计的低成本工业级核心板,通过邮票孔连接方式引出千兆网口、LCD、GPMC等接口。核心板经过专业的PCB Layout和高低温测试验证,稳定可靠,可满足各种工业应用环境。典型应用领域分别为:通讯管理、数据采集、人机交互、运动控制、智能电力。
SOM-TL335x-S核心板板载CPU、ROM、RAM、晶振、电源管理芯片、LED等硬件资源,并通过邮票孔连接方式引出IO。

图 1 核心板硬件框图

图 2
核心板采用4x 40pin邮票孔连接方式,共160pin,引脚间距为1.0mm。

图 3
核心板CPU型号兼容AM3352BZCZD80/AM3354BZCZD80/AM3359BZCZA80,NFBGA(ZCZ)封装,工作温度为-40°C~90°C,引脚数量为324个,尺寸为15mm*15mm。
TI AM335x处理器架构如下:
表1
| AM335x | 1x ARM Cortex-A8,主频800MHz |
| 1x PRU-ICSS,每个PRU-ICSS子系统含2个PRU(Programmable Real-time Unit)核,共4个PRU核(仅限AM3359) | |
| 1x SGX530 3D GPU图形加速器(仅限AM3354、AM3359) |

图 4 AM335x处理器功能框图
由于eMMC与NAND FLASH在PCB板上使用叠封装形式,因此核心板可选贴eMMC或NAND FLASH。
核心板通过MMC1总线连接工业级eMMC,采用4bit数据线,型号兼容SkyHigh Memory的S40FC004C1B1I00000(4GByte)、Micron的MTFC4GACAJCN-4M IT(4GByte)和Micron的MTFC8GAKAJCN-4M IT(8GByte)。由于MMC1信号与GPMC信号存在引脚复用关系,因此eMMC版本核心板无法使用GPMC功能。
核心板通过GPMC总线连接工业级NAND FLASH,片选引脚为GPMC_CSn0,采用8bit数据线,型号兼容SkyHigh Memory的S34ML04G2(512MByte)和JSC的JS27HU4G08SDN-25(512MByte)。
核心板通过SPI0总线连接工业级SPI FLASH,片选引脚为SPI0_CS0,型号为W25Q64JVSSIQ,容量为64Mbit。
备注:U8(W25Q64JVSSIQ)默认空贴。

图 5
核心板通过专用EMIF总线连接1片工业级DDR3,采用16bit数据线,型号兼容ISSI的IS43TR16128DL(256MByte)、ISSI的IS43TR16256BL(512MByte)、Micron的MT41K128M16(256MByte)和Micron的MT41K256M16(512MByte),支持DDR3-800工作模式(400MHz)。
核心板采用一个工业级晶振(OSC)为CPU提供系统时钟源,时钟频率为24MHz,精度为±20ppm。
核心板采用专用的工业级PMIC电源管理芯片,满足系统的供电要求和CPU上电、掉电时序要求,采用5V直流电源供电。
核心板板载三个LED。其中LED0为电源指示灯,系统上电后默认会点亮。LED1和LED2为用户可编程指示灯,分别对应GPIO3[7]和GPIO3[8]两个引脚,低电平点亮。

图 6

图 7
核心板引出的主要外设资源及性能参数如下表所示。
表 1
| 外设资源 | 数量 | 性能参数 |
| LCD | 1 | 最高支持24bit像素位宽,兼容18bit、16bit和12bit; |
| UART | 6 | 最高支持波特率为3.6864Mbps; 支持硬件或软件流控; |
| DCAN | 2 | 支持CAN 2.0B协议; 最高支持1Mbit/s速率; |
| SPI | 2 | 每路SPI包含2个外部片选信号; 最高支持48MHz工作频率; |
| I2C | 3 | 支持100KHz、400KHz速率; |
| Ethernet | 2 | 支持10/100/1000兆网口配置; 支持网络自适应; |
| GPMC | 1 | 支持7个片选信号; 最高支持100MHz工作主频; 最高支持27bit地址线、16bit数据线; 备注:GPMC信号与MMC1信号存在引脚复用关系,因此eMMC版本核心板无法使用GPMC功能; |
| McASP | 2 | 最高支持4个通道; 支持以不同的速率接收和传输,如可在48KHz接收数据,在96KHz或192KHz上输出采样数据; |
| USB 2.0 | 2 | 支持DRD(即Host或Device)模式; 支持High-Speed/Full-Speed/Low-Speed模式; |
| MMC/SD/SDIO | 3 | 支持1、4、8位MMC、SD和SDIO模式; 支持SD卡检测和写保护; 兼容MMC4.3、SDIO2.0标准; 备注:核心板板载eMMC设备已使用MMC1; |
| WDT | 1 | 32bit定时器计数器; 可产生复位或中断信号,映射至ARM核; |
| NMI | 1 | 映射至ARM核; |
| eHRPWM | 3 | 最高支持6路PWM输出,每路PWM具有专用16位时基计数器(用于周期和频率控制); 工作频率10MHz,理论支持PWM周期为152Hz~10MHz; |
| eCAP | 3 | 最高支持3路eCAP输入或PWM输出(不使用eCAP捕获模式时,可配置为PWM输出模式); 每路eCAP具有专用32位时基计数器; |
| eQEP | 3 | 最高支持3路eQEP输入; 支持正交时钟模式和方向计数模式; |
| Timers | 8 | 最高支持8路通用定时器; 每路定时器具有专用32bit定时计数器,支持自动重载模式; 可从系统时钟(25MHz)或32KHz时钟计时; Timer1支持1ms的滴答时钟生成; |
| RTC | 1 | 内部集成32.768KHz晶振; 支持报警中断、定时中断; |
| ADC | 1 | 200KSPS采样率; 8通道输入,通过多路开关切换; 可配置为4线、5线、8线电阻触摸控制器; |
| JTAG | 1 | 支持ARM和PRU调试; 支持器件边界扫描; 支持IEEE1500; |
部分外设资源存在引脚复用情况,可在实际开发过程中使用TI PINMUX工具对外设资源进行合理分配,工具参考链接:http://processors.wiki.ti.com/index.php/TI_PinMux_Tool。
核心板邮票孔引脚采用4x 40pin规格,引脚排列如下图所示。

图 8
核心板引脚定义如下表。
其中“邮票孔引脚号”为核心板邮票孔引脚序列号,“芯片引脚号”为CPU引脚序列号,“引脚信号名称”为CPU引脚信号名称,“引脚功能”为核心板引脚推荐功能描述。
表 2
| 邮票孔引脚号 | 芯片引脚号 | 引脚信号名称 | 引脚功能 | 参考电平 |
| 1 | - | GND | GND | GND |
| 2 | R1 | R1/LCD_DATA0/GPMC_A0/PR1_MII_MT0_CLK/EHRPWM2A/PRU1_R30[0]/PRU1_R31[0]/GPIO2[6] | LCDC | 3.3V |
| 3 | R2 | R2/LCD_DATA1/GPMC_A1/PR1_MII0_TXEN/EHRPWM2B/PRU1_R30[1]/PRU1_R31[1]/GPIO2[7] | LCDC | 3.3V |
| 4 | R3 | R3/LCD_DATA2/GPMC_A2/PR1_MII0_TXD3/EHRPWM2_TRIPZONE_INPUT/PRU1_R30[2]/PRU1_R31[2]/GPIO2[8] | LCDC | 3.3V |
| 5 | R4 | R4/LCD_DATA3/GPMC_A3/PR1_MII0_TXD2/EHRPWM0_SYNCO/PRU1_R30[3]/PRU1_R31[3]/GPIO2[9] | LCDC | 3.3V |
| 6 | T1 | T1/LCD_DATA4/GPMC_A4/PR1_MII0_TXD1/EQEP2A_IN/PRU1_R30[4]/PRU1_R31[4]/GPIO2[10] | LCDC | 3.3V |
| 7 | T2 | T2/LCD_DATA5/GPMC_A5/PR1_MII0_TXD0/EQEP2B_IN/PRU1_R30[5]/PRU1_R31[5]/GPIO2[11] | LCDC | 3.3V |
| 8 | T3 | T3/LCD_DATA6/GPMC_A6/PR1_EDIO_DATA_IN6/EQEP2_INDEX/PR1_EDIO_DATA_OUT6/PRU1_R30[6]/PRU1_R31[6]/GPIO2[12] | LCDC | 3.3V |
| 9 | T4 | T4/LCD_DATA7/GPMC_A7/PR1_EDIO_DATA_IN7/EQEP2_STROBE/PR1_EDIO_DATA_OUT7/PRU1_R30[7]/PRU1_R31[7]/GPIO2[13] | LCDC | 3.3V |
| 10 | U1 | U1/LCD_DATA8/GPMC_A12/EHRPWM1_TRIPZONE_INPUT/MCASP0_ACLKX/UART5_TXD/PR1_MII0_RXD3/UART2_CTSN/GPIO2[14] | LCDC | 3.3V |
| 11 | U2 | U2/LCD_DATA9/GPMC_A13/EHRPWM0_SYNCO/MCASP0_FSX/UART5_RXD/PR1_MII0_RXD2/UART2_RTSN/GPIO2[15] | LCDC | 3.3V |
| 12 | U3 | U3/LCD_DATA10/GPMC_A14/EHRPWM1A/MCASP0_AXR0/PR1_MII0_RXD1/UART3_CTSN/GPIO2[16] | LCDC | 3.3V |
| 13 | U4 | U4/LCD_DATA11/GPMC_A15/EHRPWM1B/MCASP0_AHCLKR/MCASP0_AXR2/PR1_MII0_RXD0/UART3_RTSN/GPIO2[17] | LCDC | 3.3V |
| 14 | V2 | V2/LCD_DATA12/GPMC_A16/EQEP1A_IN/MCASP0_ACLKR/MCASP0_AXR2/PR1_MII0_RXLINK/UART4_CTSN/GPIO0[8] | LCDC | 3.3V |
| 15 | V3 | V3/LCD_DATA13/GPMC_A17/EQEP1B_IN/MCASP0_FSR/MCASP0_AXR3/PR1_MII0_RXER/UART4_RTSN/GPIO0[9] | LCDC | 3.3V |
| 16 | V4 | V4/LCD_DATA14/GPMC_A18/EQEP1_INDEX/MCASP0_AXR1/UART5_RXD/PR1_MII_MR0_CLK/UART5_CTSN/GPIO0[10] | LCDC | 3.3V |
| 17 | T5 | T5/LCD_DATA15/GPMC_A19/EQEP1_STROBE/MCASP0_AHCLKX/MCASP0_AXR3/PR1_MII0_RXDV/UART5_RTSN/GPIO0[11] | LCDC | 3.3V |
| 18 | - | GND | GND | GND |
| 19 | U5 | U5/LCD_VSYNC/GPMC_A8/GPMC_A1/PR1_EDIO_DATA_IN2/PR1_EDIO_DATA_OUT2/PRU1_R30[8]/PRU1_R31[8]/GPIO2[22] | LCDC | 3.3V |
| 20 | R5 | R5/LCD_HSYNC/GPMC_A9/GPMC_A2/PR1_EDIO_DATA_IN3/PR1_EDIO_DATA_OUT3/PRU1_R30[9]/PRU1_R31[9]/GPIO2[23] | LCDC | 3.3V |
| 21 | V5 | V5/LCD_PCLK/GPMC_A10/PR1_MII0_CRS/PR1_EDIO_DATA_IN4/PR1_EDIO_DATA_OUT4/PRU1_R30[10]/PRU1_R31[10]/GPIO2[24] | LCDC | 3.3V |
| 22 | R6 | R6/LCD_AC_BIAS_EN/GPMC_A11/PR1_MII1_CRS/PR1_EDIO_DATA_IN5/PR1_EDIO_DATA_OUT5/PRU1_R30[11]/PRU1_R31[11]/GPIO2[25] | LCDC | 3.3V |
| 23 | U10 | U10/GPMC_AD8/LCD_DATA23/MMC1_DAT0/MMC2_DAT4/EHRPWM2A/PR1_MII_MT0_CLK/GPIO0[22] | GPMC | 3.3V |
| 24 | T10 | T10/GPMC_AD9/LCD_DATA22/MMC1_DAT1/MMC2_DAT5/EHRPWM2B/PR1_MII0_COL/GPIO0[23] | GPMC | 3.3V |
| 25 | T11 | T11/GPMC_AD10/LCD_DATA21/MMC1_DAT2/MMC2_DAT6/EHRPWM2_TRIPZONE_INPUT/PR1_MII0_TXEN/GPIO0[26] | GPMC | 3.3V |
| 26 | U12 | U12/GPMC_AD11/LCD_DATA20/MMC1_DAT3/MMC2_DAT7/EHRPWM0_SYNCO/PR1_MII0_TXD3/GPIO0[27] | GPMC | 3.3V |
| 27 | T12 | T12/GPMC_AD12/LCD_DATA19/MMC1_DAT4/MMC2_DAT0/EQEP2A_IN/PR1_MII0_TXD2/PRU0_R30[14]/GPIO1[12] | GPMC | 3.3V |
| 28 | R12 | R12/GPMC_AD13/LCD_DATA18/MMC1_DAT5/MMC2_DAT1/EQEP2B_IN/PR1_MII0_TXD1/PRU0_R30[15]/GPIO1[13] | GPMC | 3.3V |
| 29 | V13 | V13/GPMC_AD14/LCD_DATA17/MMC1_DAT6/MMC2_DAT2/EQEP2_INDEX/PR1_MII0_TXD0/PRU0_R31[14]/GPIO1[14] | GPMC | 3.3V |
| 30 | U13 | U13/GPMC_AD15/LCD_DATA16/MMC1_DAT7/MMC2_DAT3/EQEP2_STROBE/PR1_ECAP0_PWM/PRU0_R31[15]/GPIO1[15] | GPMC | 3.3V |
| 31 | - | GND | GND | GND |
| 32 | T9 | T9/GPMC_AD7/MMC1_DAT7/GPIO1[7] | GPMC | 3.3V |
| 33 | R9 | R9/GPMC_AD6/MMC1_DAT6/GPIO1[6] | GPMC | 3.3V |
| 34 | V8 | V8/GPMC_AD5/MMC1_DAT5/GPIO1[5] | GPMC | 3.3V |
| 35 | U8 | U8/GPMC_AD4/MMC1_DAT4/GPIO1[4] | GPMC | 3.3V |
| 36 | T8 | T8/GPMC_AD3/MMC1_DAT3/GPIO1[3] | GPMC | 3.3V |
| 37 | R8 | R8/GPMC_AD2/MMC1_DAT2/GPIO1[2] | GPMC | 3.3V |
| 38 | V7 | V7/GPMC_AD1/MMC1_DAT1/GPIO1[1] | GPMC | 3.3V |
| 39 | U7 | U7/GPMC_AD0/MMC1_DAT0/GPIO1[0] | GPMC | 3.3V |
| 40 | - | GND | GND | GND |
表 3
| 邮票孔引脚号 | 芯片引脚号 | 引脚信号名称 | 引脚功能 | 参考电平 |
| 41 | - | GND | GND | GND |
| 42 | U9 | U9/GPMC_CSN1/MMC1_CLK/GPIO1[30] | GPMC | 3.3V |
| 43 | V9 | V9/GPMC_CSN2/MMC1_CMD/GPIO1[31] | GPMC | 3.3V |
| 44 | T13 | T13/GPMC_CSN3/GPMC_A3/RMII2_CRS_DV/MMC2_CMD/PR1_MII0_CRS/PR1_MDIO_DATA/EMU4/GPIO2[0] | GPMC | 3.3V |
| 45 | T7 | T7/GPMC_OEN_REN/TIMER7/GPIO2[3] | GPMC | 3.3V |
| 46 | U6 | U6/GPMC_WEN/TIMER6/GPIO2[4] | GPMC | 3.3V |
| 47 | R7 | R7/GPMC_ADVN_ALE/TIMER4/GPIO2[2] | GPMC | 3.3V |
| 48 | T6 | T6/GPMC_BE0N_CLE/TIMER5/GPIO2[5] | GPMC | 3.3V |
| 49 | U18 | U18/GPMC_BE1N/GMII2_COL/GPMC_CSN6/MMC2_DAT3/GPMC_DIR/PR1_MII1_RXLINK/MCASP0_ACLKR/GPIO1[28] | GPIO | 3.3V |
| 50 | T17 | T17/GPMC_WAIT0/GMII2_CRS/GPMC_CSN4/RMII2_CRS_DV/MMC1_SDCD/PR1_MII1_COL/UART4_RXD/GPIO0[30] | GPMC | 3.3V |
| 51 | V12 | V12/GPMC_CLK/LCD_MEMORY_CLK/GPMC_WAIT1/MMC2_CLK/PR1_MII1_CRS/PR1_MDIO_MDCLK/MCASP0_FSR/GPIO2[1] | GPIO | 3.3V |
| 52 | R13 | R13/GPMC_A0/GMII2_TXEN/RGMII2_TCTL/RMII2_TXEN/GPMC_A16/PR1_MII_MT1_CLK/EHRPWM1_TRIPZONE_INPUT/GPIO1[16] | RGMII2 | 3.3V |
| 53 | V14 | V14/GPMC_A1/GMII2_RXDV/RGMII2_RCTL/MMC2_DAT0/GPMC_A17/PR1_MII1_TXD3/EHRPWM0_SYNCO/GPIO1[17] | RGMII2 | 3.3V |
| 54 | U14 | U14/GPMC_A2/GMII2_TXD3/RGMII2_TD3/MMC2_DAT1/GPMC_A18/PR1_MII1_TXD2/EHRPWM1A/GPIO1[18] | RGMII2 | 3.3V |
| 55 | T14 | T14/GPMC_A3/GMII2_TXD2/RGMII2_TD2/MMC2_DAT2/GPMC_A19/PR1_MII1_TXD1/EHRPWM1B/GPIO1[19] | RGMII2 | 3.3V |
| 56 | R14 | R14/GPMC_A4/GMII2_TXD1/RGMII2_TD1/RMII2_TXD1/GPMC_A20/PR1_MII1_TXD0/EQEP1A_IN/GPIO1[20] | RGMII2 | 3.3V |
| 57 | V15 | V15/GPMC_A5/GMII2_TXD0/RGMII2_TD0/RMII2_TXD0/GPMC_A21/PR1_MII1_RXD3/EQEP1B_IN/GPIO1[21] | RGMII2 | 3.3V |
| 58 | U15 | U15/GPMC_A6/GMII2_TXCLK/RGMII2_TCLK/MMC2_DAT4/GPMC_A22/PR1_MII1_RXD2/EQEP1_INDEX/GPIO1[22] | RGMII2 | 3.3V |
| 59 | T15 | T15/GPMC_A7/GMII2_RXCLK/RGMII2_RCLK/MMC2_DAT5/GPMC_A23/PR1_MII1_RXD1/EQEP1_STROBE/GPIO1[23] | RGMII2 | 3.3V |
| 60 | V16 | V16/GPMC_A8/GMII2_RXD3/RGMII2_RD3/MMC2_DAT6/GPMC_A24/PR1_MII1_RXD0/MCASP0_ACLKX/GPIO1[24] | RGMII2 | 3.3V |
| 61 | U16 | U16/GPMC_A9/GMII2_RXD2/RGMII2_RD2/MMC2_DAT7/GPMC_A25/PR1_MII_MR1_CLK/MCASP0_FSX/GPIO1[25] | RGMII2 | 3.3V |
| 62 | T16 | T16/GPMC_A10/GMII2_RXD1/RGMII2_RD1/RMII2_RXD1/GPMC_A26/PR1_MII1_RXDV/MCASP0_AXR0/GPIO1[26] | RGMII2 | 3.3V |
| 63 | V17 | V17/GPMC_A11/GMII2_RXD0/RGMII2_RD0/RMII2_RXD0/GPMC_A27/PR1_MII1_RXER/MCASP0_AXR1/GPIO1[27] | RGMII2 | 3.3V |
| 64 | B18 | B18/NNMI | nNMI | 3.3V |
| 65 | - | NC | - | - |
| 66 | - | NC | - | - |
| 67 | U17 | U17/GPMC_WPN/GMII2_RXER/GPMC_CSN5/RMII2_RXER/MMC2_SDCD/PR1_MII1_TXEN/UART4_TXD/GPIO0[31] | GPIO | 3.3V |
| 68 | C5 | C5/EXT_WAKEUP | EXT_WAKEUP | 1.8V |
| 69 | C11 | C11/TMS | JTAG | 3.3V |
| 70 | B11 | B11/TDI | JTAG | 3.3V |
| 71 | B10 | B10/TRSTN | JTAG | 3.3V |
| 72 | A11 | A11/TDO | JTAG | 3.3V |
| 73 | A12 | A12/TCK | JTAG | 3.3V |
| 74 | - | PMIC_PB_IN | PMIC POWERON | 5V |
| 75 | - | VDD_5V_MAIN | 5V Power Input | Power |
| 76 | - | VDD_5V_MAIN | 5V Power Input | Power |
| 77 | - | GND | GND | GND |
| 78 | - | GND | GND | GND |
| 79 | - | RESETn_IN | Reset Input | 3.3V |
| 80 | - | VDD_3V3_VAUX2 | 3.3V Power Output | Power |
表 4
| 邮票孔引脚号 | 芯片引脚号 | 引脚信号名称 | 引脚功能 | 参考电平 |
| 81 | - | GND | GND | GND |
| 82 | R17 | R17/USB1_DP | USB1 | - |
| 83 | R18 | R18/USB1_DM | USB1 | - |
| 84 | - | GND | GND | GND |
| 85 | T18 | T18/USB1_VBUS(USB1_VBUS_5V) | USB1 | 5V |
| 86 | P17 | P17/USB1_ID | USB1 | 1.8V |
| 87 | F15 | F15/USB1_DRVVBUS/GPIO3[13] | USB1 | 3.3V |
| 88 | - | GND | GND | GND |
| 89 | N17 | N17/USB0_DP | USB0 | - |
| 90 | N18 | N18/USB0_DM | USB0 | - |
| 91 | - | GND | GND | GND |
| 92 | P15 | P15/USB0_VBUS(USB0_VBUS) | USB0 | 5V |
| 93 | P16 | P16/USB0_ID | USB0 | 1.8V |
| 94 | F16 | F16/USB0_DRVVBUS/GPIO0[18] | USB0 | 3.3V |
| 95 | - | GND | GND | GND |
| 96 | M17 | M17/MDIO_DATA/TIMER6/UART5_RXD/UART3_CTSN/MMC0_SDCD/MMC1_CMD/MMC2_CMD/GPIO0[0] | MDIO | 3.3V |
| 97 | M18 | M18/MDIO_CLK/TIMER5/UART5_TXD/UART3_RTSN/MMC0_SDWP/MMC1_CLK/MMC2_CLK/GPIO0[1] | MDIO | 3.3V |
| 98 | M16 | M16/GMII1_RXD0/RMII1_RXD0/RGMII1_RD0/MCASP1_AHCLKX/MCASP1_AHCLKR/MCASP1_ACLKR/MCASP0_AXR3/GPIO2[21] | RGMII1 | 3.3V |
| 99 | L15 | L15/GMII1_RXD1/RMII1_RXD1/RGMII1_RD1/MCASP1_AXR3/MCASP1_FSR/EQEP0_STROBE/MMC2_CLK/GPIO2[20] | RGMII1 | 3.3V |
| 100 | L16 | L16/GMII1_RXD2/UART3_TXD/RGMII1_RD2/MMC0_DAT4/MMC1_DAT3/UART1_RIN/MCASP0_AXR1/GPIO2[19] | RGMII1 | 3.3V |
| 101 | L17 | L17/GMII1_RXD3/UART3_RXD/RGMII1_RD3/MMC0_DAT5/MMC1_DAT2/UART1_DTRN/MCASP0_AXR0/GPIO2[18] | RGMII1 | 3.3V |
| 102 | L18 | L18/GMII1_RXCLK/UART2_TXD/RGMII1_RCLK/MMC0_DAT6/MMC1_DAT1/UART1_DSRN/MCASP0_FSX/GPIO3[10] | RGMII1 | 3.3V |
| 103 | J17 | J17/GMII1_RXDV/LCD_MEMORY_CLK/RGMII1_RCTL/UART5_TXD/MCASP1_ACLKX/MMC2_DAT0/MCASP0_ACLKR/GPIO3[4] | RGMII1 | 3.3V |
| 104 | K17 | K17/GMII1_TXD0/RMII1_TXD0/RGMII1_TD0/MCASP1_AXR2/MCASP1_ACLKR/EQEP0B_IN/MMC1_CLK/GPIO0[28] | RGMII1 | 3.3V |
| 105 | K16 | K16/GMII1_TXD1/RMII1_TXD1/RGMII1_TD1/MCASP1_FSR/MCASP1_AXR1/EQEP0A_IN/MMC1_CMD/GPIO0[21] | RGMII1 | 3.3V |
| 106 | K15 | K15/GMII1_TXD2/DCAN0_RX/RGMII1_TD2/UART4_TXD/MCASP1_AXR0/MMC2_DAT2/MCASP0_AHCLKX/GPIO0[17] | RGMII1 | 3.3V |
| 107 | J18 | J18/GMII1_TXD3/DCAN0_TX/RGMII1_TD3/UART4_RXD/MCASP1_FSX/MMC2_DAT1/MCASP0_FSR/GPIO0[16] | RGMII1 | 3.3V |
| 108 | K18 | K18/GMII1_TXCLK/UART2_RXD/RGMII1_TCLK/MMC0_DAT7/MMC1_DAT0/UART1_DCDN/MCASP0_ACLKX/GPIO3[9] | RGMII1 | 3.3V |
| 109 | J16 | J16/GMII1_TXEN/RMII1_TXEN/RGMII1_TCTL/TIMER4/MCASP1_AXR0/EQEP0_INDEX/MMC2_CMD/GPIO3[3] | RGMII1 | 3.3V |
| 110 | - | GND | GND | GND |
| 111 | F17 | F17/MMC0_DAT3/GPMC_A20/UART4_CTSN/TIMER5/UART1_DCDN/PRU0_R30[8]/PRU0_R31[8]/GPIO2[26] | MMC0 | 3.3V |
| 112 | F18 | F18/MMC0_DAT2/GPMC_A21/UART4_RTSN/TIMER6/UART1_DSRN/PRU0_R30[9]/PRU0_R31[9]/GPIO2[27] | MMC0 | 3.3V |
| 113 | G15 | G15/MMC0_DAT1/GPMC_A22/UART5_CTSN/UART3_RXD/UART1_DTRN/PRU0_R30[10]/PRU0_R31[10]/GPIO2[28] | MMC0 | 3.3V |
| 114 | G16 | G16/MMC0_DAT0/GPMC_A23/UART5_RTSN/UART3_TXD/UART1_RIN/PRU0_R30[11]/PRU0_R31[11]/GPIO2[29] | MMC0 | 3.3V |
| 115 | G17 | G17/MMC0_CLK/GPMC_A24/UART3_CTSN/UART2_RXD/DCAN1_TX/PRU0_R30[12]/PRU0_R31[12]/GPIO2[30] | MMC0 | 3.3V |
| 116 | G18 | G18/MMC0_CMD/GPMC_A25/UART3_RTSN/UART2_TXD/DCAN1_RX/PRU0_R30[13]/PRU0_R31[13]/GPIO2[31] | MMC0 | 3.3V |
| 117 | - | SYS_RESETn | Reset Output | 3.3V |
| 118 | C15 | C15/SPI0_CS1/UART3_RXD/ECAP1_IN_PWM1_OUT/MMC0_POW/XDMA_EVENT_INTR2/MMC0_SDCD/EMU4/GPIO0[6] | UART3 | 3.3V |
| 119 | C18 | C18/ECAP0_IN_PWM0_OUT/UART3_TXD/SPI1_CS1/PR1_ECAP0_APWM/SPI1_SCLK/MMC0_SDWP/XDMA_EVENT_INTR2/GPIO0[7] | UART3 | 3.3V |
| 120 | - | GND | GND | GND |
表 5
| 邮票孔引脚号 | 芯片引脚号 | 引脚信号名称 | 引脚功能 | 参考电平 |
| 121 | - | GND | GND | GND |
| 122 | H17 | H17/GMII1_CRS/RMII1_CRS_DV/SPI1_D0/I2C1_SDA/MCASP1_ACLKX/UART5_CTSN/UART2_RXD/GPIO3[1] | SPI1 | 3.3V |
| 123 | J15 | J15/GMII1_RXER/RMII1_RXER/SPI1_D1/I2C1_SCL/MCASP1_FSX/UART5_RTSN/UART2_TXD/GPIO3[2] | SPI1 | 3.3V |
| 124 | E15 | E15/UART0_RXD/SPI1_CS0/DCAN0_TX/I2C2_SDA/ECAP2_IN_PWM2_OUT/PRU1_R30[14]/PRU1_R31[14]/GPIO1[10] | UART0 | 3.3V |
| 125 | E16 | E16/UART0_TXD/SPI1_CS1/DCAN0_RX/I2C2_SCL/ECAP1_IN_PWM1_OUT/PRU1_R30[15]/PRU1_R31[15]/GPIO1[11] | UART0 | 3.3V |
| 126 | H16 | H16/GMII1_COL/RMII2_REFCLK/SPI1_SCLK/UART5_RXD/MCASP1_AXR2/MMC2_DAT3/MCASP0_AXR2/GPIO3[0] | SPI1 | 3.3V |
| 127 | H18 | H18/RMII1_REFCLK/XDMA_EVENT_INTR2/SPI1_CS0/UART5_TXD/MCASP1_AXR3/MMC0_POW/MCASP1_AHCLKX/GPIO0[29] | GPIO | 3.3V |
| 128 | E18 | E18/UART0_CTSN/UART4_RXD/DCAN1_TX/I2C1_SDA/SPI1_D0/TIMER7/PR1_EDC_SYNC0_OUT/GPIO1[8] | I2C1 | 3.3V |
| 129 | E17 | E17/UART0_RTSN/UART4_TXD/DCAN1_RX/I2C1_SCL/SPI1_D1/SPI1_CS0/PR1_EDC_SYNC1_OUT/GPIO1[9] | I2C1 | 3.3V |
| 130 | C17 | C17/I2C0_SDA/TIMER4/UART2_CTSN/ECAP2_IN_PWM2_OUT/GPIO3[5] | I2C0 | 3.3V |
| 131 | C16 | C16/I2C0_SCL/TIMER7/UART2_RTSN/ECAP1_IN_PWM1_OUT/GPIO3[6] | I2C0 | 3.3V |
| 132 | D18 | D18/UART1_CTSN/TIMER6/DCAN0_TX/I2C2_SDA/SPI1_CS0/PR1_UART0_CTS_N/PR1_EDC_LATCH0_IN/GPIO0[12] | DCAN0 | 3.3V |
| 133 | D17 | D17/UART1_RTSN/TIMER5/DCAN0_RX/I2C2_SCL/SPI1_CS1/PR1_UART0_RTS_N/PR1_EDC_LATCH1_IN/GPIO0[13] | DCAN0 | 3.3V |
| 134 | D16 | D16/UART1_RXD/MMC1_SDWP/DCAN1_TX/I2C1_SDA/PR1_UART0_RXD/PRU1_R31[16]/GPIO0[14] | UART1 | 3.3V |
| 135 | D15 | D15/UART1_TXD/MMC2_SDWP/DCAN1_RX/I2C1_SCL/PR1_UART0_TXD/PRU0_R31[16]/GPIO0[15] | UART1 | 3.3V |
| 136 | A17 | A17/SPI0_SCLK/UART2_RXD/I2C2_SDA/EHRPWM0A/PR1_UART0_CTS_N/PR1_EDIO_SOF/EMU2/GPIO0[2] | SPI0 | 3.3V |
| 137 | B17 | B17/SPI0_D0/UART2_TXD/I2C2_SCL/EHRPWM0B/PR1_UART0_RTS_N/PR1_EDIO_LATCH_IN/EMU3/GPIO0[3] | SPI0 | 3.3V |
| 138 | B16 | B16/SPI0_D1/MMC1_SDWP/I2C1_SDA/EHRPWM0_TRIPZONE_INPUT/PR1_UART0_RXD/PR1_EDIO_DATA_IN0/PR1_EDIO_DATA_OUT0/GPIO0[4] | SPI0 | 3.3V |
| 139 | - | NC | - | - |
| 140 | A15 | A15/XDMA_EVENT_INTR0/TIMER4/CLKOUT1/SPI1_CS1/PRU1_R31[16]/EMU2/GPIO0[19] | GPIO | 3.3V |
| 141 | D14 | D14/XDMA_EVENT_INTR1/TCLKIN/CLKOUT2/TIMER7/PRU0_R31[16]/EMU3/GPIO0[20] | GPIO | 3.3V |
| 142 | - | GND | GND | GND |
| 143 | A13 | A13/MCASP0_ACLKX/EHRPWM0A/SPI1_SCLK/MMC0_SDCD/PRU0_R30[0]/PRU0_R31[0]/GPIO3[14] | McASP0 | 3.3V |
| 144 | B13 | B13/MCASP0_FSX/EHRPWM0B/SPI1_D0/MMC1_SDCD/PRU0_R30[1]/PRU0_R31[1]/GPIO3[15] | McASP0 | 3.3V |
| 145 | D12 | D12/MCASP0_AXR0/EHRPWM0_TRIPZONE_INPUT/SPI1_D1/MMC2_SDCD/PRU0_R30[2]/PRU0_R31[2]/GPIO3[16] | GPIO | 3.3V |
| 146 | C12 | C12/MCASP0_AHCLKR/EHRPWM0_SYNCI/MCASP0_AXR2/SPI1_CS0/ECAP2_IN_PWM2_OUT/PRU0_R30[3]/PRU0_R31[3]/GPIO3[17] | GPIO | 3.3V |
| 147 | B12 | B12/MCASP0_ACLKR/EQEP0A_IN/MCASP0_AXR2/MCASP1_ACLKX/MMC0_SDWP/PRU0_R30[4]/PRU0_R31[4]/GPIO3[18] | McASP0 | 3.3V |
| 148 | C13 | C13/MCASP0_FSR/EQEP0B_IN/MCASP0_AXR3/MCASP1_FSX/EMU2/PRU0_R30[5]/PRU0_R31[5]/GPIO3[19] | McASP0 | 3.3V |
| 149 | D13 | D13/MCASP0_AXR1/EQEP0_INDEX/MCASP1_AXR0/EMU3/PRU0_R30[6]/PRU0_R31[6]/GPIO3[20] | GPIO | 3.3V |
| 150 | A14 | A14/MCASP0_AHCLKX/EQEP0_STROBE/MCASP0_AXR3/MCASP1_AXR1/EMU4/PRU0_R30[7]/PRU0_R31[7]/GPIO3[21] | McASP0 | 3.3V |
| 151 | - | GND | GND | GND |
| 152 | C9 | C9/AIN7 | ADC | 1.8V |
| 153 | A8 | A8/AIN6 | ADC | 1.8V |
| 154 | B8 | B8/AIN5 | ADC | 1.8V |
| 155 | C8 | C8/AIN4 | ADC | 1.8V |
| 156 | A7 | A7/AIN3 | ADC | 1.8V |
| 157 | B7 | B7/AIN2 | ADC | 1.8V |
| 158 | C7 | C7/AIN1 | ADC | 1.8V |
| 159 | B6 | B6/AIN0 | ADC | 1.8V |
| 160 | - | GND_ADC | AGND | AGND |
“邮票孔引脚号”NC表示核心板该内部引脚未引出到邮票孔,其他代表内部已使用且同时引出到核心板邮票孔。“芯片引脚号”为CPU引脚序列号,“引脚信号名称”为CPU引脚信号名称,“引脚功能”为核心板引脚推荐功能描述。
表 6
| 邮票孔引脚号 | 芯片引脚号 | 引脚信号名称 | 引脚功能 | 参考电平 |
| NC | V10 | XTALIN | OSC(Y1) | 1.8V |
| NC | U11 | XTALOUT | OSC(Y1) | 1.8V |
| 32 | T9 | T9/GPMC_AD7/MMC1_DAT7/GPIO1[7] | NAND FLASH | 3.3V |
| 33 | R9 | R9/GPMC_AD6/MMC1_DAT6/GPIO1[6] | 3.3V | |
| 34 | V8 | V8/GPMC_AD5/MMC1_DAT5/GPIO1[5] | 3.3V | |
| 35 | U8 | U8/GPMC_AD4/MMC1_DAT4/GPIO1[4] | 3.3V | |
| 36 | T8 | T8/GPMC_AD3/MMC1_DAT3/GPIO1[3] | eMMC/NAND FLASH | 3.3V |
| 37 | R8 | R8/GPMC_AD2/MMC1_DAT2/GPIO1[2] | 3.3V | |
| 38 | V7 | V7/GPMC_AD1/MMC1_DAT1/GPIO1[1] | 3.3V | |
| 39 | U7 | U7/GPMC_AD0/MMC1_DAT0/GPIO1[0] | 3.3V | |
| 42 | U9 | U9/GPMC_CSN1/MMC1_CLK/GPIO1[30] | eMMC | 3.3V |
| 43 | V9 | V9/GPMC_CSN2/MMC1_CMD/GPIO1[31] | 3.3V | |
| 46 | U6 | U6/GPMC_WEN/TIMER6/GPIO2[4] | NAND FLASH | 3.3V |
| 47 | R7 | R7/GPMC_ADVN_ALE/TIMER4/GPIO2[2] | 3.3V | |
| 48 | T6 | T6/GPMC_BE0N_CLE/TIMER5/GPIO2[5] | 3.3V | |
| 45 | T7 | T7/GPMC_OEN_REN/TIMER7/GPIO2[3] | 3.3V | |
| 50 | T17 | T17/GPMC_WAIT0/GMII2_CRS/GPMC_CSN4/ RMII2_CRS_DV/MMC1_SDCD/PR1_MII1_COL /UART4_RXD/GPIO0[30] | 3.3V | |
| 66 | V6 | V6/GPMC_CSN0/GPIO1[29] | 3.3V | |
| 87 | F15 | F15/USB1_DRVVBUS/GPIO3[13] | USB1/PMIC SLEEP | 3.3V |
| 117 | - | SYS_RESETn | Reset Output | 3.3V |
| 118 | C15 | C15/SPI0_CS1/UART3_RXD/ECAP1_IN_PWM1_OUT /MMC0_POW/XDMA_EVENT_INTR2 /MMC0_SDCD/EMU4/GPIO0[6] | UART3 | 3.3V |
| 130 | C17 | C17/I2C0_SDA/TIMER4/UART2_CTSN /ECAP2_IN_PWM2_OUT/GPIO3[5] | PMIC | 3.3V |
| 131 | C16 | C16/I2C0_SCL/TIMER7/UART2_RTSN/ ECAP1_IN_PWM1_OUT/GPIO3[6] | PMIC | 3.3V |
| 136 | A17 | A17/SPI0_SCLK/UART2_RXD/I2C2_SDA /EHRPWM0A/PR1_UART0_CTS_N/PR1_EDIO_SOF/EMU2/GPIO0[2] | SPI FLASH | 3.3V |
| 137 | B17 | B17/SPI0_D0/UART2_TXD/I2C2_SCL/EHRPWM0B/ | 3.3V | |
| 138 | B16 | B16/SPI0_D1/MMC1_SDWP/I2C1_SDA/EHRPWM0_TRIPZONE_INPUT/PR1_UART0_RXD/PR1_EDIO_DATA_IN0/PR1_EDIO_DATA_OUT0/GPIO0[4] | 3.3V | |
| NC | A16 | A16/SPI0_CS0/MMC2_SDWP/I2C1_SCL/EHRPWM0_SYNCI/PR1_UART0_TXD/PR1_EDIO_DATA_IN1/ | 3.3V |
补充说明:
EMU0/GPIO3[7]、EMU1/GPIO3[8]引脚分别连接核心板LED1和LED2,不通过邮票孔连接方式引出。JTAG的基本仿真功能无须使用此两个引脚。

图 9
由于I2C0已连接核心板PMIC电源管理芯片,同时也连接到底板的RTC时钟电路上使用,从系统稳定性角度考虑,建议进行底板设计时尽量选用其他I2C总线。

图 10
SPI0总线的SPI0_CS0(A16)片选引脚在核心板内部已被SPI FLASH使用,同时SPI0_CS0未引出核心板邮票孔管脚。若使用含SPI FLASH的核心板,邮票孔第136~138引脚只能作为SPI功能。
下表为核心板内部已作上下拉配置引脚的说明。表中未说明的引脚,核心板内部默认未作上下拉配置,直接通过邮票孔连接方式引出。
表 7
| 邮票孔引脚号 | 芯片引脚号 | 引脚信号名称 | 上下拉配置 | 上下拉电阻值 |
| 79 | - | RESETn_IN | 上拉3.3V | 100K |
| 117 | - | SYS_RESETn | 上拉3.3V | 10K |
| 68 | C5 | C5/EXT_WAKEUP | 上拉1.8V | 10K |
| 131 | C16 | C16/I2C0_SCL | 上拉3.3V | 4K7 |
| 130 | C17 | C17/I2C0_SDA | 上拉3.3V | 4K7 |
| 17 | T5 | T5/LCD_DATA15/GPIO0[11] | 下拉 | 10K |
| 16 | V4 | V4/LCD_DATA14/GPIO0[10] | 上拉3.3V | 10K |
| 15 | V3 | V3/LCD_DATA13/GPIO0[9] | 下拉 | 10K |
| 14 | V2 | V2/LCD_DATA12/GPIO0[8] | 下拉 | 10K |
| 13 | U4 | U4/LCD_DATA11/GPIO2[17] | 下拉 | 10K |
| 12 | U3 | U3/LCD_DATA10/GPIO2[16] | 下拉 | 10K |
| 11 | U2 | U2/LCD_DATA9/GPIO2[15] | 上拉3.3V | 10K |
| 10 | U1 | U1/LCD_DATA8/GPIO2[14] | 下拉 | 10K |
| 9 | T4 | T4/LCD_DATA7/GPIO2[13] | 上拉3.3V | 10K |
| 8 | T3 | T3/LCD_DATA6/GPIO2[12] | 上拉3.3V | 10K |
| 7 | T2 | T2/LCD_DATA5/GPIO2[11] | 上拉3.3V | 10K |
| 6 | T1 | T1/LCD_DATA4/GPIO2[10] | 上拉3.3V | 100K |
| 5 | R4 | R4/LCD_DATA3/GPIO2[9] | 上拉3.3V | 100K |
| 4 | R3 | R3/LCD_DATA2/GPIO2[8] | 上拉3.3V | 100K |
| 3 | R2 | R2/LCD_DATA1/GPIO2[7] | 上拉3.3V | 100K |
| 2 | R1 | R1/LCD_DATA0/GPIO2[6] | 上拉3.3V | 100K |
| 39 | U7 | U7/GPMC_AD0/MMC1_DAT0 | 上拉3.3V | 49K9 |
| 38 | V7 | V7/GPMC_AD1/MMC1_DAT1 | 上拉3.3V | 49K9 |
| 37 | R8 | R8/GPMC_AD2/MMC1_DAT2 | 上拉3.3V | 49K9 |
| 36 | T8 | T8/GPMC_AD3/MMC1_DAT3 | 上拉3.3V | 49K9 |
| 35 | V9 | V9/GPMC_CSN2/MMC1_CMD | 上拉3.3V | 10K |
| 64 | B18 | B18/nNMI | 上拉3.3V | 10K |
| 139 | A16 | A16/SPI0_CS0/GPIO0[5] | 上拉3.3V | 10K |
表 8
| 环境参数 | 最小值 | 典型值 | 最大值 |
| 工作温度 | -40°C | / | 85°C |
| 存储温度 | -50°C | / | 90°C |
| 工作湿度 | 35%(无凝露) | / | 75%(无凝露) |
| 存储湿度 | 35%(无凝露) | / | 75%(无凝露) |
| 工作电压 | / | 5.0V | / |
| 工作状态 | 电压典型值 | 电流典型值 | 功耗典型值 |
| 状态1 | 5.0V | 0.14A | 0.70W |
| 状态2 | 5.0V | 0.22A | 1.10W |
备注:功耗基于TL335x-EVM-S评估板测得。功耗测试数据与具体应用场景有关,测试数据仅供参考。
状态1:系统启动,评估板不接入外接模块,不执行额外应用程序。
状态2:系统启动,评估板不接入外接模块,运行DDR压力读写测试程序,ARM Cortex-A8核心的资源使用率约为100%。
核心板在常温环境下稳定工作10min后,测试核心板热成像图如下所示。H为最高温度,S为平均温度,最高温度是CPU(U4)。
备注:不同测试条件下结果会有所差异,数据仅供参考。

图 11
请参考以上测试结果,并根据实际情况合理选择散热方式。
表 9
| PCB尺寸 | 45mm*45mm |
| PCB层数 | 8层 |
| 元器件最高高度 | 1.28mm |
| PCB板厚 | 1.3mm |

图 12

图 13

图 14
元器件最高高度:指核心板最高元器件水平面与PCB正面水平面的高度差。核心板最高元器件为CPU(U4)。
备注:若贴上SPI FLASH,则最高元器件为SPI FLASH,高度为2.2mm。
基于SOM-TL335x-S核心板进行底板设计时,请务必满足最小系统设计要求,具体如下。
(1)VDD_5V_SOM
VDD_5V_SOM为核心板的主供电输入,电源功率建议参考评估板按最大5W进行设计。

图 15
VDD_5V_SOM在核心板内部未预留总电源输入的储能大电容,底板设计时请参照评估板原理图,在靠近邮票孔焊盘位置放置储能大电容。
(2)VDD_3V3_MAIN
VDD_3V3_MAIN为底板提供的外设电源。为使VDD_3V3_MAIN满足处理器的上电、掉电时序要求,推荐使用VDD_3V3_VAUX2电源来控制VDD_3V3_MAIN的电源使能。

图 16
(3)VDD_3V3_VAUX2
VDD_3V3_VAUX2为核心板输出的BOOT SET配置专用供电电源,最大电流为100mA,请勿用于其他负载供电。

图 17
由于BOOT SET引脚与LCDC(LCD Controller)信号存在复用关系,若使用LCDC信号外接设备(例如接LCD显示屏),请保证AM335x在上电初始化过程中BOOT SET引脚电平不受外接设备的影响,否则将会导致AM335x无法正常启动。
核心板内部BOOT[15:5]的已进行上下拉配置,BOOT[4:0]均已设计100K上拉电阻,具体如下图所示。设计系统启动配置电路时,请参考评估底板BOOT SET部分电路进行相关设计。

图 18
(1)SYS_RESETn
SYS_RESETn为AM335x的WARM RESET复位输出引脚,可用于控制外设的复位。对于有严格上电复位顺序的外设,需要结合外设的上电和复位时序来使用SYS_RESETn。
(2)RESETn_IN
RESETn_IN为AM335x的WARM RESET复位输入引脚,RESETn_IN与SYS_RESETn通过100R电阻串接;核心板内部WARM RESET已设计10K上拉电阻,不使用RESETn_IN时请悬空处理。(备注:WARM RESET可做输入和输出。)
(3)PB_IN
PB_IN为PMIC的复位按钮输入引脚,PB_IN在PMIC内部已上拉100K到5V,默认情况可悬空处理。
(4)nNMI
nNMI为非屏蔽中断引脚,核心板内部已设计上拉电阻,默认情况可悬空处理。
如下为核心板MDIO、RGMII、USB、GPMC、LCDC(LCD Controller)等功能引脚信号PCB走线长度与阻抗说明。
表 10
| 芯片引脚号 | 引脚信号名称 | 引脚功能 | 走线长度/mil | 阻抗说明 |
| R1 | R1/LCD_DATA0/GPMC_A0/PR1_MII_MT0_CLK/EHRPWM2A/PRU1_R30[0]/PRU1_R31[0]/GPIO2[6] | LCDC | 1677.68 | 单端50ohm |
| R2 | R2/LCD_DATA1/GPMC_A1/PR1_MII0_TXEN/EHRPWM2B/PRU1_R30[1]/PRU1_R31[1]/GPIO2[7] | LCDC | 1624.71 | 单端50ohm |
| R3 | R3/LCD_DATA2/GPMC_A2/PR1_MII0_TXD3/EHRPWM2_TRIPZONE_INPUT/PRU1_R30[2]/PRU1_R31[2]/GPIO2[8] | LCDC | 1491.31 | 单端50ohm |
| R4 | R4/LCD_DATA3/GPMC_A3/PR1_MII0_TXD2/EHRPWM0_SYNCO/PRU1_R30[3]/PRU1_R31[3]/GPIO2[9] | LCDC | 1547.88 | 单端50ohm |
| T1 | T1/LCD_DATA4/GPMC_A4/PR1_MII0_TXD1/EQEP2A_IN/PRU1_R30[4]/PRU1_R31[4]/GPIO2[10] | LCDC | 1579.25 | 单端50ohm |
| T2 | T2/LCD_DATA5/GPMC_A5/PR1_MII0_TXD0/EQEP2B_IN/PRU1_R30[5]/PRU1_R31[5]/GPIO2[11] | LCDC | 1581.7 | 单端50ohm |
| T3 | T3/LCD_DATA6/GPMC_A6/PR1_EDIO_DATA_IN6/EQEP2_INDEX/PR1_EDIO_DATA_OUT6/PRU1_R30[6]/PRU1_R31[6]/GPIO2[12] | LCDC | 1508.41 | 单端50ohm |
| T4 | T4/LCD_DATA7/GPMC_A7/PR1_EDIO_DATA_IN7/EQEP2_STROBE/PR1_EDIO_DATA_OUT7/PRU1_R30[7]/PRU1_R31[7]/GPIO2[13] | LCDC | 1578.66 | 单端50ohm |
| U1 | U1/LCD_DATA8/GPMC_A12/EHRPWM1_TRIPZONE_INPUT/MCASP0_ACLKX/UART5_TXD/PR1_MII0_RXD3/UART2_CTSN/GPIO2[14] | LCDC | 1622.21 | 单端50ohm |
| U2 | U2/LCD_DATA9/GPMC_A13/EHRPWM0_SYNCO/MCASP0_FSX/UART5_RXD/PR1_MII0_RXD2/UART2_RTSN/GPIO2[15] | LCDC | 1627.16 | 单端50ohm |
| U3 | U3/LCD_DATA10/GPMC_A14/EHRPWM1A/MCASP0_AXR0/PR1_MII0_RXD1/UART3_CTSN/GPIO2[16] | LCDC | 1700.94 | 单端50ohm |
| U4 | U4/LCD_DATA11/GPMC_A15/EHRPWM1B/MCASP0_AHCLKR/MCASP0_AXR2/PR1_MII0_RXD0/UART3_RTSN/GPIO2[17] | LCDC | 1708.13 | 单端50ohm |
| V2 | V2/LCD_DATA12/GPMC_A16/EQEP1A_IN/MCASP0_ACLKR/MCASP0_AXR2/PR1_MII0_RXLINK/UART4_CTSN/GPIO0[8] | LCDC | 1671.5 | 单端50ohm |
| V3 | V3/LCD_DATA13/GPMC_A17/EQEP1B_IN/MCASP0_FSR/MCASP0_AXR3/PR1_MII0_RXER/UART4_RTSN/GPIO0[9] | LCDC | 1644.43 | 单端50ohm |
| V4 | V4/LCD_DATA14/GPMC_A18/EQEP1_INDEX/MCASP0_AXR1/UART5_RXD/PR1_MII_MR0_CLK/UART5_CTSN/GPIO0[10] | LCDC | 1631.37 | 单端50ohm |
| T5 | T5/LCD_DATA15/GPMC_A19/EQEP1_STROBE/MCASP0_AHCLKX/MCASP0_AXR3/PR1_MII0_RXDV/UART5_RTSN/GPIO0[11] | LCDC | 1753.93 | 单端50ohm |
| U5 | U5/LCD_VSYNC/GPMC_A8/GPMC_A1/PR1_EDIO_DATA_IN2/PR1_EDIO_DATA_OUT2/PRU1_R30[8]/PRU1_R31[8]/GPIO2[22] | LCDC | 1529.28 | 单端50ohm |
| R5 | R5/LCD_HSYNC/GPMC_A9/GPMC_A2/PR1_EDIO_DATA_IN3/PR1_EDIO_DATA_OUT3/PRU1_R30[9]/PRU1_R31[9]/GPIO2[23] | LCDC | 1541.34 | 单端50ohm |
| V5 | V5/LCD_PCLK/GPMC_A10/PR1_MII0_CRS/PR1_EDIO_DATA_IN4/PR1_EDIO_DATA_OUT4/PRU1_R30[10]/PRU1_R31[10]/GPIO2[24] | LCDC | 1577.22 | 单端50ohm |
| R6 | R6/LCD_AC_BIAS_EN/GPMC_A11/PR1_MII1_CRS/PR1_EDIO_DATA_IN5/PR1_EDIO_DATA_OUT5/PRU1_R30[11]/PRU1_R31[11]/GPIO2[25] | LCDC | 1556.63 | 单端50ohm |
| U10 | U10/GPMC_AD8/LCD_DATA23/MMC1_DAT0/MMC2_DAT4/EHRPWM2A/PR1_MII_MT0_CLK/GPIO0[22] | LCDC | 1283.82 | 单端50ohm |
| T10 | T10/GPMC_AD9/LCD_DATA22/MMC1_DAT1/MMC2_DAT5/EHRPWM2B/PR1_MII0_COL/GPIO0[23] | LCDC | 1333.78 | 单端50ohm |
| T11 | T11/GPMC_AD10/LCD_DATA21/MMC1_DAT2/MMC2_DAT6/EHRPWM2_TRIPZONE_INPUT/PR1_MII0_TXEN/GPIO0[26] | LCDC | 1301.94 | 单端50ohm |
| U12 | U12/GPMC_AD11/LCD_DATA20/MMC1_DAT3/MMC2_DAT7/EHRPWM0_SYNCO/PR1_MII0_TXD3/GPIO0[27] | LCDC | 1314.77 | 单端50ohm |
| T12 | T12/GPMC_AD12/LCD_DATA19/MMC1_DAT4/MMC2_DAT0/EQEP2A_IN/PR1_MII0_TXD2/PRU0_R30[14]/GPIO1[12] | LCDC | 1397.62 | 单端50ohm |
| R12 | R12/GPMC_AD13/LCD_DATA18/MMC1_DAT5/MMC2_DAT1/EQEP2B_IN/PR1_MII0_TXD1/PRU0_R30[15]/GPIO1[13] | LCDC | 1437.4 | 单端50ohm |
| V13 | V13/GPMC_AD14/LCD_DATA17/MMC1_DAT6/MMC2_DAT2/EQEP2_INDEX/PR1_MII0_TXD0/PRU0_R31[14]/GPIO1[14] | LCDC | 1319.87 | 单端50ohm |
| U13 | U13/GPMC_AD15/LCD_DATA16/MMC1_DAT7/MMC2_DAT3/EQEP2_STROBE/PR1_ECAP0_PWM/PRU0_R31[15]/GPIO1[15] | LCDC | 1405.81 | 单端50ohm |
| T9 | T9/GPMC_AD7/MMC1_DAT7/GPIO1[7] | GPMC | 2829.76 | 单端50ohm |
| R9 | R9/GPMC_AD6/MMC1_DAT6/GPIO1[6] | GPMC | 2868.19 | 单端50ohm |
| V8 | V8/GPMC_AD5/MMC1_DAT5/GPIO1[5] | GPMC | 2864.81 | 单端50ohm |
| U8 | U8/GPMC_AD4/MMC1_DAT4/GPIO1[4] | GPMC | 2917.48 | 单端50ohm |
| T8 | T8/GPMC_AD3/MMC1_DAT3/GPIO1[3] | GPMC | 2760.02 | 单端50ohm |
| R8 | R8/GPMC_AD2/MMC1_DAT2/GPIO1[2] | GPMC | 2777.15 | 单端50ohm |
| V7 | V7/GPMC_AD1/MMC1_DAT1/GPIO1[1] | GPMC | 2779.79 | 单端50ohm |
| U7 | U7/GPMC_AD0/MMC1_DAT0/GPIO1[0] | GPMC | 2752.93 | 单端50ohm |
| U9 | U9/GPMC_CSN1/MMC1_CLK/GPIO1[30] | GPMC | 2551.92 | 单端50ohm |
| V9 | V9/GPMC_CSN2/MMC1_CMD/GPIO1[31] | GPMC | 2403.56 | 单端50ohm |
| T13 | T13/GPMC_CSN3/GPMC_A3/RMII2_CRS_DV/MMC2_CMD/PR1_MII0_CRS/PR1_MDIO_DATA/EMU4/GPIO2[0] | GPMC | 1882.5 | 单端50ohm |
| T7 | T7/GPMC_OEN_REN/TIMER7/GPIO2[3] | GPMC | 2717.59 | 单端50ohm |
| U6 | U6/GPMC_WEN/TIMER6/GPIO2[4] | GPMC | 2611.5 | 单端50ohm |
| R7 | R7/GPMC_ADVN_ALE/TIMER4/GPIO2[2] | GPMC | 2621.95 | 单端50ohm |
| T6 | T6/GPMC_BE0N_CLE/TIMER5/GPIO2[5] | GPMC | 2549.22 | 单端50ohm |
| U18 | U18/GPMC_BE1N/GMII2_COL/GPMC_CSN6/MMC2_DAT3/GPMC_DIR/PR1_MII1_RXLINK/MCASP0_ACLKR/GPIO1[28] | GPMC | 1542.96 | 单端50ohm |
| T17 | T17/GPMC_WAIT0/GMII2_CRS/GPMC_CSN4/RMII2_CRS_DV/MMC1_SDCD/PR1_MII1_COL/UART4_RXD/GPIO0[30] | GPMC | 2561.9 | 单端50ohm |
| U17 | U17/GPMC_WPN/GMII2_RXER/GPMC_CSN5/RMII2_RXER/MMC2_SDCD/PR1_MII1_TXEN/UART4_TXD/GPIO0[31] | GPMC | 1192.7 | 单端50ohm |
| V12 | V12/GPMC_CLK/LCD_MEMORY_CLK/GPMC_WAIT1/MMC2_CLK/PR1_MII1_CRS/PR1_MDIO_MDCLK/MCASP0_FSR/GPIO2[1] | GPIO | 1344.21 | 单端50ohm |
| R13 | R13/GPMC_A0/GMII2_TXEN/RGMII2_TCTL/RMII2_TXEN/GPMC_A16/PR1_MII_MT1_CLK/EHRPWM1_TRIPZONE_INPUT/GPIO1[16] | RGMII2 | 1420.07 | 单端50ohm |
| V14 | V14/GPMC_A1/GMII2_RXDV/RGMII2_RCTL/MMC2_DAT0/GPMC_A17/PR1_MII1_TXD3/EHRPWM0_SYNCO/GPIO1[17] | RGMII2 | 1309.08 | 单端50ohm |
| U14 | U14/GPMC_A2/GMII2_TXD3/RGMII2_TD3/MMC2_DAT1/GPMC_A18/PR1_MII1_TXD2/EHRPWM1A/GPIO1[18] | RGMII2 | 1278.94 | 单端50ohm |
| T14 | T14/GPMC_A3/GMII2_TXD2/RGMII2_TD2/MMC2_DAT2/GPMC_A19/PR1_MII1_TXD1/EHRPWM1B/GPIO1[19] | RGMII2 | 1278.38 | 单端50ohm |
| R14 | R14/GPMC_A4/GMII2_TXD1/RGMII2_TD1/RMII2_TXD1/GPMC_A20/PR1_MII1_TXD0/EQEP1A_IN/GPIO1[20] | RGMII2 | 1303.28 | 单端50ohm |
| V15 | V15/GPMC_A5/GMII2_TXD0/RGMII2_TD0/RMII2_TXD0/GPMC_A21/PR1_MII1_RXD3/EQEP1B_IN/GPIO1[21] | RGMII2 | 1177.36 | 单端50ohm |
| U15 | U15/GPMC_A6/GMII2_TXCLK/RGMII2_TCLK/MMC2_DAT4/GPMC_A22/PR1_MII1_RXD2/EQEP1_INDEX/GPIO1[22] | RGMII2 | 1207.75 | 单端50ohm |
| T15 | T15/GPMC_A7/GMII2_RXCLK/RGMII2_RCLK/MMC2_DAT5/GPMC_A23/PR1_MII1_RXD1/EQEP1_STROBE/GPIO1[23] | RGMII2 | 1245.03 | 单端50ohm |
| V16 | V16/GPMC_A8/GMII2_RXD3/RGMII2_RD3/MMC2_DAT6/GPMC_A24/PR1_MII1_RXD0/MCASP0_ACLKX/GPIO1[24] | RGMII2 | 1155.2 | 单端50ohm |
| U16 | U16/GPMC_A9/GMII2_RXD2/RGMII2_RD2/MMC2_DAT7/GPMC_A25/PR1_MII_MR1_CLK/MCASP0_FSX/GPIO1[25] | RGMII2 | 1184.34 | 单端50ohm |
| T16 | T16/GPMC_A10/GMII2_RXD1/RGMII2_RD1/RMII2_RXD1/GPMC_A26/PR1_MII1_RXDV/MCASP0_AXR0/GPIO1[26] | RGMII2 | 1382.51 | 单端50ohm |
| V17 | V17/GPMC_A11/GMII2_RXD0/RGMII2_RD0/RMII2_RXD0/GPMC_A27/PR1_MII1_RXER/MCASP0_AXR1/GPIO1[27] | RGMII2 | 1275.61 | 单端50ohm |
| M16 | M16/GMII1_RXD0/RMII1_RXD0/RGMII1_RD0/MCASP1_AHCLKX/MCASP1_AHCLKR/MCASP1_ACLKR/MCASP0_AXR3/GPIO2[21] | RGMII1 | 820.98 | 单端50ohm |
| L15 | L15/GMII1_RXD1/RMII1_RXD1/RGMII1_RD1/MCASP1_AXR3/MCASP1_FSR/EQEP0_STROBE/MMC2_CLK/GPIO2[20] | RGMII1 | 814.61 | 单端50ohm |
| L16 | L16/GMII1_RXD2/UART3_TXD/RGMII1_RD2/MMC0_DAT4/MMC1_DAT3/UART1_RIN/MCASP0_AXR1/GPIO2[19] | RGMII1 | 814.85 | 单端50ohm |
| L17 | L17/GMII1_RXD3/UART3_RXD/RGMII1_RD3/MMC0_DAT5/MMC1_DAT2/UART1_DTRN/MCASP0_AXR0/GPIO2[18] | RGMII1 | 813.68 | 单端50ohm |
| L18 | L18/GMII1_RXCLK/UART2_TXD/RGMII1_RCLK/MMC0_DAT6/MMC1_DAT1/UART1_DSRN/MCASP0_FSX/GPIO3[10] | RGMII1 | 835.86 | 单端50ohm |
| J17 | J17/GMII1_RXDV/LCD_MEMORY_CLK/RGMII1_RCTL/UART5_TXD/MCASP1_ACLKX/MMC2_DAT0/MCASP0_ACLKR/GPIO3[4] | RGMII1 | 845.81 | 单端50ohm |
| K17 | K17/GMII1_TXD0/RMII1_TXD0/RGMII1_TD0/MCASP1_AXR2/MCASP1_ACLKR/EQEP0B_IN/MMC1_CLK/GPIO0[28] | RGMII1 | 688.77 | 单端50ohm |
| K16 | K16/GMII1_TXD1/RMII1_TXD1/RGMII1_TD1/MCASP1_FSR/MCASP1_AXR1/EQEP0A_IN/MMC1_CMD/GPIO0[21] | RGMII1 | 674.67 | 单端50ohm |
| K15 | K15/GMII1_TXD2/DCAN0_RX/RGMII1_TD2/UART4_TXD/MCASP1_AXR0/MMC2_DAT2/MCASP0_AHCLKX/GPIO0[17] | RGMII1 | 688.83 | 单端50ohm |
| J18 | J18/GMII1_TXD3/DCAN0_TX/RGMII1_TD3/UART4_RXD/MCASP1_FSX/MMC2_DAT1/MCASP0_FSR/GPIO0[16] | RGMII1 | 667 | 单端50ohm |
| K18 | K18/GMII1_TXCLK/UART2_RXD/RGMII1_TCLK/MMC0_DAT7/MMC1_DAT0/UART1_DCDN/MCASP0_ACLKX/GPIO3[9] | RGMII1 | 665.33 | 单端50ohm |
| J16 | J16/GMII1_TXEN/RMII1_TXEN/RGMII1_TCTL/TIMER4/MCASP1_AXR0/EQEP0_INDEX/MMC2_CMD/GPIO3[3] | RGMII1 | 689.08 | 单端50ohm |
| M17 | M17/MDIO_DATA/TIMER6/UART5_RXD/UART3_CTSN/MMC0_SDCD/MMC1_CMD/MMC2_CMD/GPIO0[0] | MDIO | 840.44 | 单端50ohm |
| M18 | M18/MDIO_CLK/TIMER5/UART5_TXD/UART3_RTSN/MMC0_SDWP/MMC1_CLK/MMC2_CLK/GPIO0[1] | MDIO | 776.47 | 单端50ohm |
| F17 | F17/MMC0_DAT3/GPMC_A20/UART4_CTSN/TIMER5/UART1_DCDN/PRU0_R30[8]/PRU0_R31[8]/GPIO2[26] | MMC0 | 622.16 | 单端50ohm |
| F18 | F18/MMC0_DAT2/GPMC_A21/UART4_RTSN/TIMER6/UART1_DSRN/PRU0_R30[9]/PRU0_R31[9]/GPIO2[27] | MMC0 | 626.02 | 单端50ohm |
| G15 | G15/MMC0_DAT1/GPMC_A22/UART5_CTSN/UART3_RXD/UART1_DTRN/PRU0_R30[10]/PRU0_R31[10]/GPIO2[28] | MMC0 | 715.46 | 单端50ohm |
| G16 | G16/MMC0_DAT0/GPMC_A23/UART5_RTSN/UART3_TXD/UART1_RIN/PRU0_R30[11]/PRU0_R31[11]/GPIO2[29] | MMC0 | 659.75 | 单端50ohm |
| G17 | G17/MMC0_CLK/GPMC_A24/UART3_CTSN/UART2_RXD/DCAN1_TX/PRU0_R30[12]/PRU0_R31[12]/GPIO2[30] | MMC0 | 669.17 | 单端50ohm |
| G18 | G18/MMC0_CMD/GPMC_A25/UART3_RTSN/UART2_TXD/DCAN1_RX/PRU0_R30[13]/PRU0_R31[13]/GPIO2[31] | MMC0 | 627.97 | 单端50ohm |
| N17 | N17/USB0_DP | USB0 | 1070.04 | 差分90ohm |
| N18 | N18/USB0_DM | USB0 | 1066.26 | 差分90ohm |
| R17 | R17/USB1_DP | USB1 | 1155.92 | 差分90ohm |
| R18 | R18/USB1_DM | USB1 | 1154.08 | 差分90ohm |
评估底板通过MMC0总线引出Micro SD卡接口,主要用于调试过程中使用Linux系统启动卡来启动系统,或批量生产时可基于Micro SD卡快速固化系统,底板设计时建议保留此外设接口。
评估底板将UART3_RXD(C15)和UART3_TXD(C18)引脚通过CH340T芯片引到Micro USB接口,作为系统调试串口使用,底板设计时建议保留UART3作为系统调试串口。

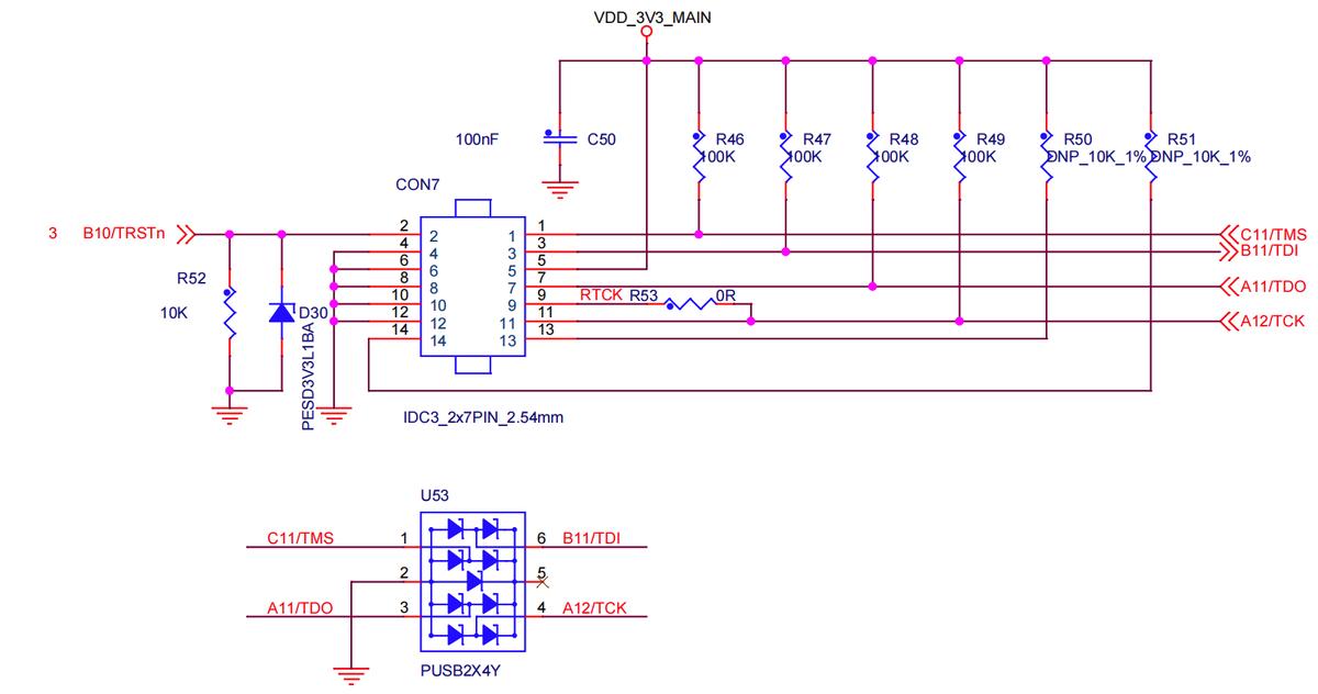
图 19
评估底板引出14pin JTAG接口,为便于系统的调试,底板设计时建议保留此接口。