在FPGA - ZYNQ 基于EMIO的PS和PL交互中介绍了ZYNQ 中PS端和PL端交互的开发流程,接下来构建基于基于Axi_Lite的PS和PL交互。
在FPGA - AXI4_Lite(实现用户端与axi4_lite之间的交互逻辑)中,详解介绍了AXI4总线,以及AXI_LITE端口信号及其功能,其中axi4_lite 读写过程框架图中介绍了axi4_lite主机搭建过程。
接下来构建axi4_lite从机
Axi4_lite端口信号及其功能

根据axi_lite读写信号分析:

在这里我们需要构建axi4lite_slave和user_ram。
axi4lite_slave:
- `timescale 1ns / 1ps
-
- module axilite_slave #(
- parameter USER_WR_DATA_WIDTH = 32 , //用户写数据位宽和AXI4―Lite数据位宽保持一致
- parameter USER_RD_DATA_WIDTH = 32 , //用户读数据位宽和AXI4―Lite数据位宽保持一致
- parameter AXI_DATA_WIDTH = 32, //AXI4_LITE总线规定,数据位宽只支持32Bit或者64bit
- parameter AXI_ADDR_WIDTH = 32
- )(
-
- input axi_clk,
- input reset,
-
- output reg s_wr_vld,
- output reg [USER_WR_DATA_WIDTH-1:0] s_wr_data,
- output reg [AXI_ADDR_WIDTH-1 :0] s_wr_addr,
-
- output reg s_rd_addr_vld,
- output reg [AXI_ADDR_WIDTH-1 :0] s_rd_addr,
- input [USER_RD_DATA_WIDTH-1:0] s_rd_data,
- input s_rd_data_vld,
-
- input [AXI_ADDR_WIDTH -1:0] s_axi_awaddr, //axi write address channel
- input [2:0] s_axi_awprot,
- input s_axi_awvalid,
- output reg s_axi_awready,
-
- input [AXI_DATA_WIDTH-1:0] s_axi_wdata, //axi write data channel
- input [AXI_DATA_WIDTH/8-1:0] s_axi_wstrb,
- input s_axi_wvalid,
- output reg s_axi_wready,
-
- output [1:0] s_axi_bresp, //axi wirte response channel
- output reg s_axi_bvalid,
- input s_axi_bready,
-
- input s_axi_arvalid, // axi read address channel
- output reg s_axi_arready,
- input [AXI_ADDR_WIDTH-1:0] s_axi_araddr,
- input [2:0] s_axi_arprot,
-
- output reg [AXI_DATA_WIDTH-1:0] s_axi_rdata, // axi read data channel
- output [1:0] s_axi_rresp,
- output reg s_axi_rvalid,
- input s_axi_rready
- );
-
- (* dont_touch="true" *) reg a_reset_sync_d0;
- (* dont_touch="true" *) reg a_reset_sync_d1;
- (* dont_touch="true" *) reg a_reset_sync;
- /*------------------------------------------*\
- 状态机信号定义
- \*------------------------------------------*/
- reg [1:0] wr_cur_status;
- reg [1:0] wr_nxt_status;
- reg [1:0] rd_cur_status;
- reg [1:0] rd_nxt_status;
-
- localparam WR_IDLE = 3'b000;
- localparam WE_DATA = 3'b001;
- localparam WR_BRESP = 3'b010;
- localparam RD_IDLE = 3'b000;
- localparam RD_PRE = 3'b001;
- localparam RD_DATA = 3'b010;
-
- /*------------------------------------------*\
- assign
- \*------------------------------------------*/
- assign s_axi_bresp = 0;
- assign s_axi_rresp = 0;
-
- /*------------------------------------------*\
- CDC
- \*------------------------------------------*/
- always @(posedge axi_clk) begin
- a_reset_sync_d0 <= reset;
- a_reset_sync_d1 <= a_reset_sync_d0;
- a_reset_sync <= a_reset_sync_d1;
- end
-
- /*------------------------------------------*\
- AXILITE从机写过程
- \*------------------------------------------*/
- always @(posedge axi_clk) begin
- if (a_reset_sync)
- wr_cur_status <= WR_IDLE;
- else
- wr_cur_status <= wr_nxt_status;
- end
-
- always @(*) begin
- if (a_reset_sync)
- wr_nxt_status <= WR_IDLE;
- else
- case(wr_cur_status)
- WR_IDLE : begin
- if (s_axi_awvalid && s_axi_wvalid)
- wr_nxt_status <= WE_DATA;
- else
- wr_nxt_status <= wr_cur_status;
- end
- WE_DATA : begin
- wr_nxt_status <= WR_BRESP;
- end
- WR_BRESP : begin
- if (s_axi_bvalid && s_axi_bready)
- wr_nxt_status <= WR_IDLE;
- else
- wr_nxt_status <= wr_cur_status;
- end
- default : wr_nxt_status <= WR_IDLE;
- endcase
- end
-
- always @(*) begin
- if (a_reset_sync) begin
- s_axi_awready <= 0;
- s_axi_wready <= 0;
- end
- else begin
- s_axi_awready <= wr_cur_status == WE_DATA;
- s_axi_wready <= wr_cur_status == WE_DATA;
- end
- end
-
- always @(posedge axi_clk) begin
- if (a_reset_sync)
- s_axi_bvalid <= 0;
- else if (s_axi_bvalid && s_axi_bready)
- s_axi_bvalid <= 0;
- else if (wr_cur_status == WR_BRESP)
- s_axi_bvalid <= 1'b1;
- else
- s_axi_bvalid <= s_axi_bvalid;
- end
- always @(posedge axi_clk) begin
- if (wr_cur_status == WE_DATA) begin
- s_wr_vld <= 1'b1;
- s_wr_data <= s_axi_wdata;
- s_wr_addr <= s_axi_awaddr;
- end
- else begin
- s_wr_vld <= 0;
- s_wr_data <= s_wr_data;
- s_wr_addr <= s_wr_addr;
- end
- end
-
- /*------------------------------------------*\
- AXILITE从机读过程
- \*------------------------------------------*/
- always @(posedge axi_clk) begin
- if (a_reset_sync)
- rd_cur_status <= RD_IDLE;
- else
- rd_cur_status <= rd_nxt_status;
- end
-
- always @(*) begin
- if (a_reset_sync)
- rd_nxt_status <= RD_IDLE;
- else
- case(rd_cur_status)
- RD_IDLE : begin
- if (s_axi_arvalid)
- rd_nxt_status <= RD_PRE;
- else
- rd_nxt_status <= rd_cur_status;
- end
- RD_PRE : begin
- rd_nxt_status <= RD_DATA;
- end
- RD_DATA : begin
- if (s_axi_rvalid && s_axi_rready)
- rd_nxt_status <= RD_IDLE;
- else
- rd_nxt_status <= rd_cur_status;
- end
-
- default : rd_nxt_status <= RD_IDLE;
- endcase
- end
-
- always @(*) begin
- if (a_reset_sync)
- s_axi_arready <= 0;
- else
- s_axi_arready <= rd_cur_status == RD_PRE;
- end
-
- always @(posedge axi_clk) begin
- if (rd_cur_status == RD_PRE) begin
- s_rd_addr_vld <= 1'b1;
- s_rd_addr <= s_axi_araddr;
- end
- else begin
- s_rd_addr_vld <= 0;
- s_rd_addr <= s_rd_addr;
- end
- end
- always @(posedge axi_clk) begin
- if (a_reset_sync) begin
- s_axi_rdata <= 0;
- s_axi_rvalid <= 0;
- end
- else if (s_axi_rvalid && s_axi_rready) begin
- s_axi_rvalid <= 0;
- end
- else if (s_rd_data_vld) begin
- s_axi_rvalid <= 1'b1;
- s_axi_rdata <= s_rd_data;
- end
- else begin
- s_axi_rvalid <= s_axi_rvalid;
- s_axi_rdata <= s_axi_rdata;
- end
- end
-
- endmodule
user_ram:
- `timescale 1ns / 1ps
-
-
-
- module user_ram #(
- parameter USER_WR_DATA_WIDTH = 32 ,
- parameter USER_RD_DATA_WIDTH = 32 ,
- parameter AXI_DATA_WIDTH = 32 , //注意AXI4的数据位宽只有32Bit或者64bit
- parameter AXI_ADDR_WIDTH = 32
- )(
- input clk ,
- input reset ,
- input s_wr_vld ,
- input [USER_WR_DATA_WIDTH-1:0] s_wr_data ,
- input [AXI_ADDR_WIDTH-1 :0] s_wr_addr ,
-
- input s_rd_addr_vld,
- input [AXI_ADDR_WIDTH-1 :0] s_rd_addr ,
- output reg [USER_RD_DATA_WIDTH-1:0] s_rd_data ,
- output reg s_rd_data_vld
-
- );
- localparam SIZE = 1024;
- reg [AXI_DATA_WIDTH-1:0] ram [SIZE - 1 : 0] ;
-
-
- always @(posedge clk) begin
- if (s_wr_vld)
- ram[s_wr_addr] <= s_wr_data;
- end
-
- always @(posedge clk) begin
- if (reset) begin
- s_rd_data_vld <= 0;
- s_rd_data <= 0;
- end
- else if (s_rd_addr_vld) begin
- s_rd_data_vld <= 1'b1;
- s_rd_data <= ram[s_rd_addr];
- end
- else begin
- s_rd_data_vld <= 0;
- s_rd_data <= 0;
- end
-
- end
- endmodule
在ZYNQ开发中,要将构建的axi4lite_slave和user_ram打包为 IP核
首先,创建新工程,将axi4lite_slave和user_ram代码导入:

点击OK

点击Finish

可以看到在Sources界面中已经有axi4lite_slave和user_ram文件

可以看到axi4lite_slave 是顶层。
---------------------------------------------------------------------------------------------------------------------------------
然后开始打包创建IP核

点击NEXT


选择IP保存位置 点击Next

点击OK

点击Finish

然后会弹出一个新工程:

这里是IP配置信息:

保持默认 然后点击Review and Package , 点击Package IP:

点击Yes

然后打开IP保存位置文件夹,可以看到如下:

点击src文件夹里面是axilite_slave.v文件
![]()
点击xgui文件夹是axilite_slave_v1_0.tcl文件![]()
这样axilite_slave IP核打包完成。
然后切换user_ram文件为顶层:
右击user_ram文件 点击Set as Top

然后重复axilite_slave打包过程,
打开IP核存放地址

至此,axi4lite_slave和user_ram文件打包ip核完成。
---------------------------------------------------------------------------------------------------------------------------------
搭建硬件系统

具体构建过程可见:

---------------------------------------------------------------------------------------------------------------------------------
然后需要将上面打包的IP核,加载到IP库中:
点击Seting ,再点击IP,然后点Repository


找到上面axi4lite_slave和user_ram IP 核存放位置,点击Select:


点击ok

然后搜索axilite_slave和user_ram:


双击添加,点击Run Block Automation


然后点击RUN connection Automation


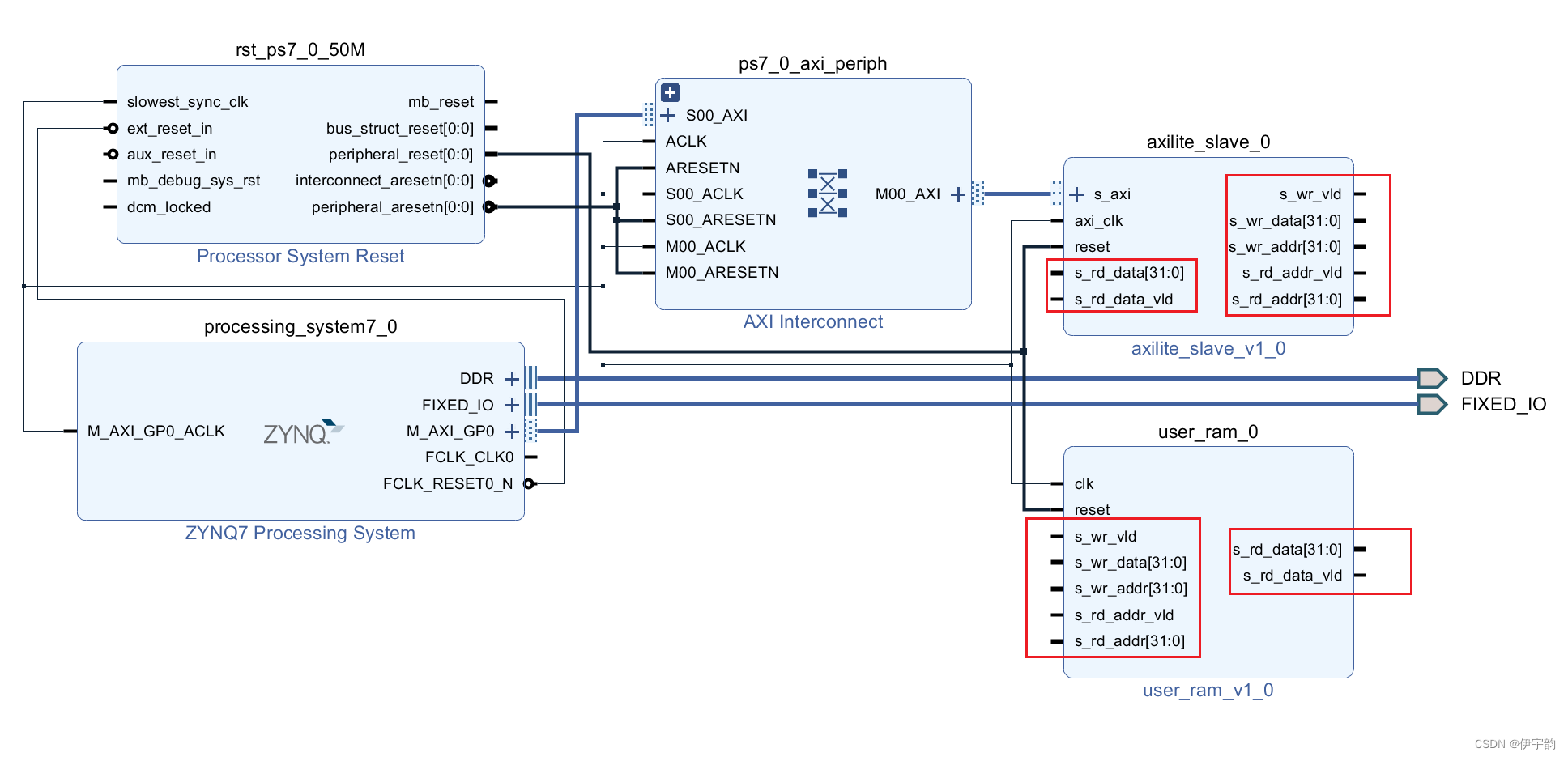
连线完成如下:

---------------------------------------------------------------------------------------------------------------------------------
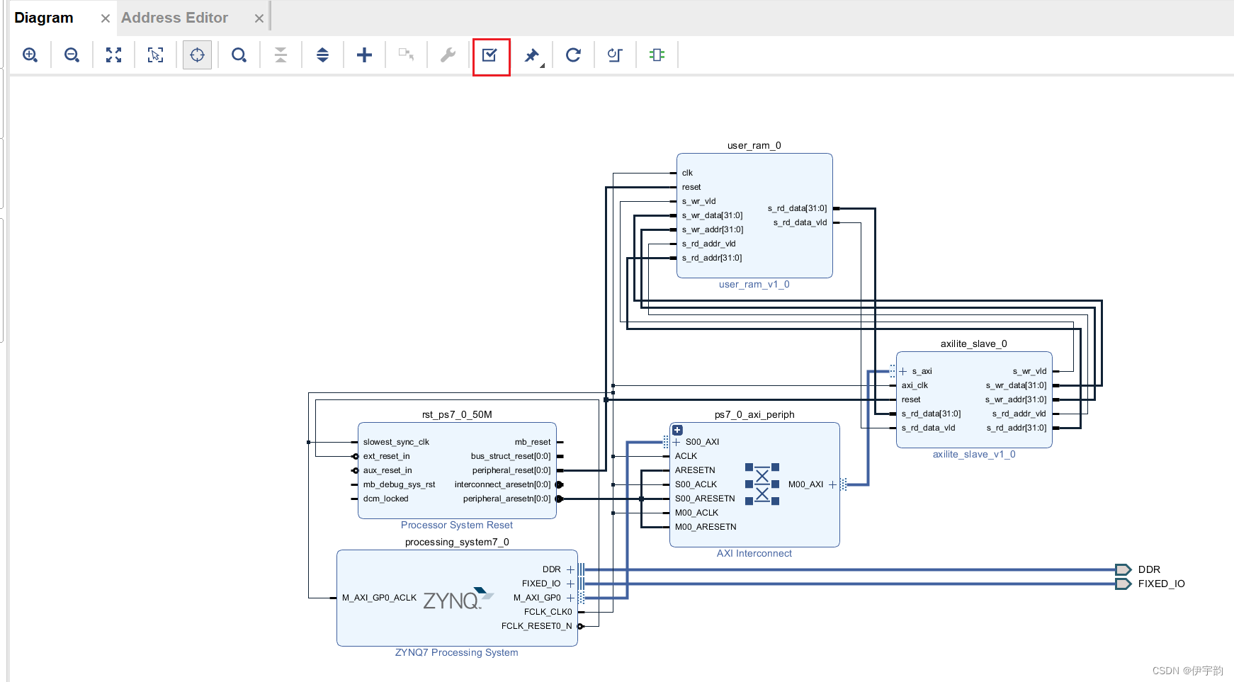
由于axi4lite_slave和user_ram 是高复位,所以删除原来的低复位,重新连接高复位引脚:
删除重新连接:

复位连接完成如下:

然后将axilite_slave 引脚 和user_ram 引脚相连:

连接完成如下:

然后点击重新布局:


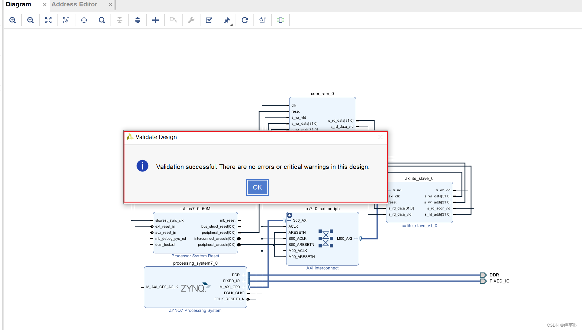
然后点击验证设计:


点击OK
然后按照FPGA - ZYNQ 基于EMIO的PS和PL交互中的开发流程:
生成封装,生成底层和顶层文件,
然后生成比特流,导出硬件,启动SDK。
---------------------------------------------------------------------------------------------------------------------------------
创建SDK工程


点击空工程 点击finish

添加source file



---------------------------------------------------------------------------------------------------------------------------------
在硬件系统搭建中,我们看到,自动连线后,会出现一个AXI Interconnect。如下图:
这个模块在PS设计中,通过API接口实现axilite读写。

基于自定义AXI_lite 与 PS API接口 之间的映射关系
PS端API函数 和 AXI4_lite 总线的映射关系 对应关系
写入数据 Xil_Out32()函数
读出数据 Xil_In32() 函数
1,利用API接口函数实现读写axilite读写:
-
- #include "xparameters.h"
- #include "sleep.h"
- #include "xil_io.h"
-
- #define AXI_LITE_BASEADDR 0x40000000
-
- 通过函数编写
-
- int main()
- {
- u32 rddata;
-
- Xil_Out32(AXI_LITE_BASEADDR,1000);
- Xil_Out32(AXI_LITE_BASEADDR + 4,500);
-
- Xil_Out32(AXI_LITE_BASEADDR + 8,800);
-
-
- rddata = Xil_In32(AXI_LITE_BASEADDR);
- rddata = Xil_In32(AXI_LITE_BASEADDR + 4);
- return 0;
- }
2,利用指针实现读写axilite读写:
-
- #include "xparameters.h"
- #include "sleep.h"
- #include "xil_io.h"
-
- #define AXI_LITE_BASEADDR 0x40000000
-
- int main()
- {
- u32* LitePtr = (u32*)AXI_LITE_BASEADDR; //强制转换 转为地址
- u32 wrdata = 0;
- u32 rddata = 0;
-
- int i = 0;
-
- //向PL写数据
- for (i = 0; i < 128; i++ )
- {
- *LitePtr++ = wrdata++;
- }
-
- LitePtr = (u32*)AXI_LITE_BASEADDR;
- for (i = 0; i < 128; i++ )
- {
- rddata = *LitePtr++;
- printf("rddata= %d \n",rddata);
- }
- return 0;
- }
最后,下载验证。
在这里,实现了基于Axi_Lite的PS和PL交互,和axilite_slave(axilite从机)的实现,以及自定义IP核的创建,并且在SDK程序中实现了2种axilite的读写。