码农知识堂 - 1000bd
  •   Python
  •   PHP
  •   JS/TS
  •   JAVA
  •   C/C++
  •   C#
  •   GO
  •   Kotlin
  •   Swift
  • 2款2.4G蓝牙PCB天线尺寸(来自TI)


    2款2.4G蓝牙PCB天线,来自TI官方设计。板子厚度均为1.0mm,介质材料为FR4。
    在这里插入图片描述

    1. 2.4-GHz Inverted F Antenna

    该款天线效率非常高,适合IOT物联网设备。

    TI下载链接:https://www.ti.com/lit/swru120
    在这里插入图片描述

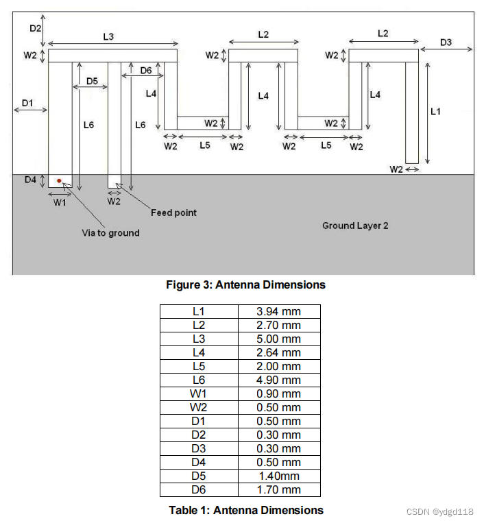
    2. Small Size 2.4 GHz PCB antenna

    这款天线尺寸小,非常适合USB_Dongle,USB鼠标等。

    TI下载链接:https://www.ti.com/lit/pdf/swra117
    在这里插入图片描述

  • 相关阅读:
    【UE5 Cesium】18-Cesium for Unreal 建立飞行跟踪器(3)
    利用dd对磁盘进行全盘拷贝恢复
    在Bash中如何提取子字符串
    linux使用docker实现redis主从复制和哨兵模式
    Pandas里的Series学习
    安装Jenkins
    合同矩阵充要条件
    【Python】sys.argv[ ]简单易懂
    元器件正反(极性)检测案例
    docker更改存储目录原因及方案
  • 原文地址:https://blog.csdn.net/ydgd118/article/details/127612612
  • 最新文章
  • 攻防演习之三天拿下官网站群
    数据安全治理学习——前期安全规划和安全管理体系建设
    企业安全 | 企业内一次钓鱼演练准备过程
    内网渗透测试 | Kerberos协议及其部分攻击手法
    0day的产生 | 不懂代码的"代码审计"
    安装scrcpy-client模块av模块异常,环境问题解决方案
    leetcode hot100【LeetCode 279. 完全平方数】java实现
    OpenWrt下安装Mosquitto
    AnatoMask论文汇总
    【AI日记】24.11.01 LangChain、openai api和github copilot
  • 热门文章
  • 十款代码表白小特效 一个比一个浪漫 赶紧收藏起来吧!!!
    奉劝各位学弟学妹们,该打造你的技术影响力了!
    五年了,我在 CSDN 的两个一百万。
    Java俄罗斯方块,老程序员花了一个周末,连接中学年代!
    面试官都震惊,你这网络基础可以啊!
    你真的会用百度吗?我不信 — 那些不为人知的搜索引擎语法
    心情不好的时候,用 Python 画棵樱花树送给自己吧
    通宵一晚做出来的一款类似CS的第一人称射击游戏Demo!原来做游戏也不是很难,连憨憨学妹都学会了!
    13 万字 C 语言从入门到精通保姆级教程2021 年版
    10行代码集2000张美女图,Python爬虫120例,再上征途
Copyright © 2022 侵权请联系2656653265@qq.com    京ICP备2022015340号-1
正则表达式工具 cron表达式工具 密码生成工具

京公网安备 11010502049817号