
框图中浅灰色的部分都是属于备份域的,在 VDD 掉电时可在 VBAT 的驱动下继续运行。这部分仅包括 RTC 的分频器,计数器,和闹钟控制器。
运用流程:
若 VDD 电源有效,RTC 可以触发 RTC_Second(秒中断)、RTC_Overflflow(溢出事件) 和 RTC_Alarm(闹钟中断)。从结构图可以分析到,其中的定时器溢出事件无法被配置为中断。若 STM32 原本处于待机状态,可由闹钟事件或 WKUP 事件 (外部唤醒事件,属于 EXTI 模块,不属于 RTC) 使它退出待机模式。闹钟事件是在计数器 RTC_CNT 的值等于闹钟寄存器 RTC_ALR 的值时触发的。
在备份域中所有寄存器都是 16 位的,RTC 控制相关的寄存器也不例外。它的计数器 RTC_CNT的 32 位由 RTC_CNTL 和 RTC_CNTH 两个寄存器组成,分别保存定时计数值的低 16 位和高 16位。在配置 RTC 模块的时钟时,通常把输入的 32768Hz 的 RTCCLK 进行 32768 分频得到实际驱动计数器的时钟TR_CLK=RTCCLK/32768= 1 Hz,计时周期为 1 秒,计时器在 TR_CLK 的驱动下计数,即每秒计数器 RTC_CNT 的值加 1。
由于备份域的存在,使得 RTC 核具有了完全独立于 APB1 接口的特性,也因此对 RTC 寄存器的访问要遵守一定的规则
系统复位后,默认禁止访问后备寄存器和 RTC,防止对后备区域 (BKP) 的意外写操作。执行以下操作使能对后备寄存器和 RTC 的访问:
(1) 设置 RCC_APB1ENR 寄存器的 PWREN 和 BKPEN 位来使能电源和后备接口时钟。
(2) 设置 PWR_CR 寄存器的 DBP 位使能对后备寄存器和 RTC 的访问。
设置后备寄存器为可访问后,在第一次通过 APB1 接口访问 RTC 时,因为时钟频率的差异,所以必须等待 APB1 与 RTC 外设同步,确保被读取出来的 RTC 寄存器值是正确的。若在同步之后,一直没有关闭 APB1 的 RTC 外设接口,就不需要再次同步了。
如果内核要对 RTC 寄存器进行任何的写操作,在内核发出写指令后,RTC 模块在 3 个 RTCCLK时钟之后,才开始正式的写 RTC 寄存器操作。由于 RTCCLK 的频率比内核主频低得多,所以每次操作后必须要检查 RTC 关闭操作标志位 RTOFF,当这个标志被置 1 时,写操作才正式完成。
如果从现在起,把计数器 RTC_CNT 的计数值置 0,然后每秒加 1,RTC_CNT 什么时候会溢出呢?
由于 RTC_CNT 是 32 位寄存器,可存储的最大值为 (232-1),即这样计时的话,在 2^32 秒后溢出,
即它将在今后的 136 年时溢出:N = 232/365/24/60/60 ≈136 年
假如某个时刻读取到计数器的数值为 X = 606024*2,即两天时间的秒数,而假设又知道计数器是在 2011 年 1 月 1 日的 0 时 0 分 0 秒置 0 的,那么就可以根据计数器的这个相对时间数值,计算得这个 X 时刻是 2011 年 1 月 3 日的 0 时 0 分 0 秒了。而计数器则会在 (2011+136) 年左右溢出,也就是说到了(2011+136)年时,如果我们还在使用这个计数器提供时间的话就会出现问题。
在这个例子中,定时器被置 0 的这个时间被称为计时元年,相对计时元年经过的秒数称为时间戳,也就是计数器中的值。

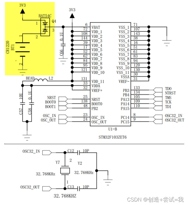
原理图中的右上角是备份域的供电电路,在本开发板中提供了一个钮扣电池插槽,可以接入型号为 CR1220 的钮扣电池,该型号的钮扣电池电压为 3.2V,图中的 BAT54C 双向二极管可切换输入到 STM32 备份域电源引脚 VBAT 的供电,当主电源正常供电时,由稳压器输出的 3.3V 供电,当主电源掉电时,由钮扣电池供电。
原理图下方的是本开发板采用的 LSE 晶振电路,此处使用的晶振频率为 32.768KHz,RTC 外设可以使用 LSE 作为时钟,把它进行分频得到 1Hz 的 RTC 计时时钟。
注意: 本实验默认使用 LSI 内部时钟,使用内部时钟时,即使安装了钮扣电池,主电源掉电后时间是不会继续走的,只会保留上次断电的时间。若要持续运行,需要修改 bsp_rtc.h 文件,使用 RTC_CLOCK_SOURCE_LSE 宏,切换成使用 LSE 外部时钟。
(1) 初始化 RTC 外设;
(2) 设置时间以及添加配置标志;
(3) 获取当前时间;
1.RTC 实验配置相关宏定义

• USE_LCD_DISPLAY:这个宏可以用于切换本工程是否使用液晶屏显示时间,把它注释掉可以关闭液晶显示,方便移植到没有液晶的应用中。
• RTC_CLOCK_SOURCE_LSE/LSI:这两个宏用于选择使用 LSE 作外部时钟还是 LSI 作外部时钟。提供两种选择主要是因为 STM32 的 LSE 晶振在批量产品时容易不起振,而 LSI 则在主电源关闭后计时时间不会继续增加。
• RTC_BKP_DRX 和 RTC_BKP_DATA:这两个宏用于在备份域寄存器设置 RTC 已配置标志,本实验中初始化 RTC 后,向备份域寄存器写入一个数字,若下次芯片上电检测到该标志,说明 RTC 之前已经配置好时间,所以不应该再设置 RTC,而如果备份域电源也掉电,备份域内记录的该标志也会丢失,所以芯片上电后需要重新设置时间。这两个宏的值中,BKP_DR1是备份域的其中一个寄存器,而 0xA5A5 则是随意选择的数字,只要写入和检测一致即可。
• TIME_ZOOM:这个宏用于设置时区的秒数偏移,例如北京时间为 (GMT+8) 时区,即相对于格林威治时间 (GMT) 早 8 个小时,此处使用的宏值即为 8 个小时的秒数(86060),若使用其它时区,修改该宏即可。
2.初始化 RTC
3.时间管理结构体
4.时间格式转换
5.配置时间
6.检查并配置 RTC
7.转换并输出时间
8.中断服务函数
9.main 函数
main.c
#include "stm32f10x.h"
#include "./usart/bsp_usart.h"
#include "./rtc/bsp_rtc.h"
#include "./lcd/bsp_ili9341_lcd.h"
#include "./key/bsp_key.h"
// N = 2^32/365/24/60/60 = 136 年
/*时间结构体,默认时间2000-01-01 00:00:00*/
struct rtc_time systmtime=
{
0,0,0,1,1,2000,0
};
extern __IO uint32_t TimeDisplay ;
//【*】注意事项:
//在bsp_rtc.h文件中:
//1.可设置宏USE_LCD_DISPLAY控制是否使用LCD显示
//2.可设置宏RTC_CLOCK_SOURCE_LSI和RTC_CLOCK_SOURCE_LSE控制使用LSE晶振还是LSI晶振
//3.STM32的LSE晶振要求非常严格,同样的电路、板子批量产品时总有些会出现问题。
// 本实验中默认使用LSI晶振。
//
//4.!!!若希望RTC在主电源掉电后仍然运行,需要给开发板的电池槽安装钮扣电池,
// !!!且改成使用外部晶振模式RTC_CLOCK_SOURCE_LSE
// 钮扣电池型号:CR1220
/**
* @brief 主函数
* @param 无
* @retval 无
*/
int main()
{
//可使用该宏设置是否使用液晶显示
#ifdef USE_LCD_DISPLAY
ILI9341_Init (); //LCD 初始化
LCD_SetFont(&Font8x16);
LCD_SetColors(RED,BLACK);
ILI9341_Clear(0,0,LCD_X_LENGTH,LCD_Y_LENGTH); /* 清屏,显示全黑 */
ILI9341_DispStringLine_EN(LINE(0)," BH RTC demo");
#endif
USART_Config();
Key_GPIO_Config();
/* 配置RTC秒中断优先级 */
RTC_NVIC_Config();
RTC_CheckAndConfig(&systmtime);
while (1)
{
/* 每过1s 更新一次时间*/
if (TimeDisplay == 1)
{
/* 当前时间 */
Time_Display( RTC_GetCounter(),&systmtime);
TimeDisplay = 0;
}
//按下按键,通过串口修改时间
if( Key_Scan(KEY1_GPIO_PORT,KEY1_GPIO_PIN) == KEY_ON )
{
struct rtc_time set_time;
/*使用串口接收设置的时间,输入数字时注意末尾要加回车*/
Time_Regulate_Get(&set_time);
/*用接收到的时间设置RTC*/
Time_Adjust(&set_time);
//向备份寄存器写入标志
BKP_WriteBackupRegister(RTC_BKP_DRX, RTC_BKP_DATA);
}
}
}
/***********************************END OF FILE*********************************/
calendar.h
/******************** (C) COPYRIGHT 2009 www.armjishu.com ************************
* File Name : calendar.h
* Author : www.armjishu.com Team
* Version : V1.0
* Date : 10/1/2009
* Description : 超强的日历,支持农历,24节气几乎所有日历的功能
日历时间以1970年为元年,用32bit的时间寄存器可以运
行到2100年左右
*******************************************************************************/
#ifndef __CALENDAR_H
#define __CALENDAR_H
#include "stm32f10x.h"
u8 GetMoonDay(u8 month_p,unsigned short table_addr);
u8 GetChinaCalendar(u16 year,u8 month,u8 day,u8 *p);
void GetSkyEarth(u16 year,u8 *p);
void StrCopy(u8 *target,u8 const *source,u8 no);
void GetChinaCalendarStr(u16 year,u8 month,u8 day,u8 *str);
u8 GetJieQi(u16 year,u8 month,u8 day,u8 *JQdate);
u8 GetJieQiStr(u16 year,u8 month,u8 day,u8 *str);
#endif
calendar.c
#include "./rtc/bsp_calendar.h"
const uint8_t year_code[597]=
{
0x04,0xAe,0x53, //1901 0
0x0A,0x57,0x48, //1902 3
0x55,0x26,0xBd, //1903 6
0x0d,0x26,0x50, //1904 9
0x0d,0x95,0x44, //1905 12
0x46,0xAA,0xB9, //1906 15
0x05,0x6A,0x4d, //1907 18
0x09,0xAd,0x42, //1908 21
0x24,0xAe,0xB6, //1909
0x04,0xAe,0x4A, //1910
0x6A,0x4d,0xBe, //1911
0x0A,0x4d,0x52, //1912
0x0d,0x25,0x46, //1913
0x5d,0x52,0xBA, //1914
0x0B,0x54,0x4e, //1915
0x0d,0x6A,0x43, //1916
0x29,0x6d,0x37, //1917
0x09,0x5B,0x4B, //1918
0x74,0x9B,0xC1, //1919
0x04,0x97,0x54, //1920
0x0A,0x4B,0x48, //1921
0x5B,0x25,0xBC, //1922
0x06,0xA5,0x50, //1923
0x06,0xd4,0x45, //1924
0x4A,0xdA,0xB8, //1925
0x02,0xB6,0x4d, //1926
0x09,0x57,0x42, //1927
0x24,0x97,0xB7, //1928
0x04,0x97,0x4A, //1929
0x66,0x4B,0x3e, //1930
0x0d,0x4A,0x51, //1931
0x0e,0xA5,0x46, //1932
0x56,0xd4,0xBA, //1933
0x05,0xAd,0x4e, //1934
0x02,0xB6,0x44, //1935
0x39,0x37,0x38, //1936
0x09,0x2e,0x4B, //1937
0x7C,0x96,0xBf, //1938
0x0C,0x95,0x53, //1939
0x0d,0x4A,0x48, //1940
0x6d,0xA5,0x3B, //1941
0x0B,0x55,0x4f, //1942
0x05,0x6A,0x45, //1943
0x4A,0xAd,0xB9, //1944
0x02,0x5d,0x4d, //1945
0x09,0x2d,0x42, //1946
0x2C,0x95,0xB6, //1947
0x0A,0x95,0x4A, //1948
0x7B,0x4A,0xBd, //1949
0x06,0xCA,0x51, //1950
0x0B,0x55,0x46, //1951
0x55,0x5A,0xBB, //1952
0x04,0xdA,0x4e, //1953
0x0A,0x5B,0x43, //1954
0x35,0x2B,0xB8, //1955
0x05,0x2B,0x4C, //1956
0x8A,0x95,0x3f, //1957
0x0e,0x95,0x52, //1958
0x06,0xAA,0x48, //1959
0x7A,0xd5,0x3C, //1960
0x0A,0xB5,0x4f, //1961
0x04,0xB6,0x45, //1962
0x4A,0x57,0x39, //1963
0x0A,0x57,0x4d, //1964
0x05,0x26,0x42, //1965
0x3e,0x93,0x35, //1966
0x0d,0x95,0x49, //1967
0x75,0xAA,0xBe, //1968
0x05,0x6A,0x51, //1969
0x09,0x6d,0x46, //1970
0x54,0xAe,0xBB, //1971
0x04,0xAd,0x4f, //1972
0x0A,0x4d,0x43, //1973
0x4d,0x26,0xB7, //1974
0x0d,0x25,0x4B, //1975
0x8d,0x52,0xBf, //1976
0x0B,0x54,0x52, //1977
0x0B,0x6A,0x47, //1978
0x69,0x6d,0x3C, //1979
0x09,0x5B,0x50, //1980
0x04,0x9B,0x45, //1981
0x4A,0x4B,0xB9, //1982
0x0A,0x4B,0x4d, //1983
0xAB,0x25,0xC2, //1984
0x06,0xA5,0x54, //1985
0x06,0xd4,0x49, //1986
0x6A,0xdA,0x3d, //1987
0x0A,0xB6,0x51, //1988
0x09,0x37,0x46, //1989
0x54,0x97,0xBB, //1990
0x04,0x97,0x4f, //1991
0x06,0x4B,0x44, //1992
0x36,0xA5,0x37, //1993
0x0e,0xA5,0x4A, //1994
0x86,0xB2,0xBf, //1995
0x05,0xAC,0x53, //1996
0x0A,0xB6,0x47, //1997
0x59,0x36,0xBC, //1998
0x09,0x2e,0x50, //1999 294
0x0C,0x96,0x45, //2000 297
0x4d,0x4A,0xB8, //2001 300
0x0d,0x4A,0x4C, //2002
0x0d,0xA5,0x41, //2003
0x25,0xAA,0xB6, //2004
0x05,0x6A,0x49, //2005
0x7A,0xAd,0xBd, //2006
0x02,0x5d,0x52, //2007
0x09,0x2d,0x47, //2008
0x5C,0x95,0xBA, //2009
0x0A,0x95,0x4e, //2010
0x0B,0x4A,0x43, //2011
0x4B,0x55,0x37, //2012
0x0A,0xd5,0x4A, //2013
0x95,0x5A,0xBf, //2014
0x04,0xBA,0x53, //2015
0x0A,0x5B,0x48, //2016
0x65,0x2B,0xBC, //2017
0x05,0x2B,0x50, //2018
0x0A,0x93,0x45, //2019
0x47,0x4A,0xB9, //2020
0x06,0xAA,0x4C, //2021
0x0A,0xd5,0x41, //2022
0x24,0xdA,0xB6, //2023
0x04,0xB6,0x4A, //2024
0x69,0x57,0x3d, //2025
0x0A,0x4e,0x51, //2026
0x0d,0x26,0x46, //2027
0x5e,0x93,0x3A, //2028
0x0d,0x53,0x4d, //2029
0x05,0xAA,0x43, //2030
0x36,0xB5,0x37, //2031
0x09,0x6d,0x4B, //2032
0xB4,0xAe,0xBf, //2033
0x04,0xAd,0x53, //2034
0x0A,0x4d,0x48, //2035
0x6d,0x25,0xBC, //2036
0x0d,0x25,0x4f, //2037
0x0d,0x52,0x44, //2038
0x5d,0xAA,0x38, //2039
0x0B,0x5A,0x4C, //2040
0x05,0x6d,0x41, //2041
0x24,0xAd,0xB6, //2042
0x04,0x9B,0x4A, //2043
0x7A,0x4B,0xBe, //2044
0x0A,0x4B,0x51, //2045
0x0A,0xA5,0x46, //2046
0x5B,0x52,0xBA, //2047
0x06,0xd2,0x4e, //2048
0x0A,0xdA,0x42, //2049
0x35,0x5B,0x37, //2050
0x09,0x37,0x4B, //2051
0x84,0x97,0xC1, //2052
0x04,0x97,0x53, //2053
0x06,0x4B,0x48, //2054
0x66,0xA5,0x3C, //2055
0x0e,0xA5,0x4f, //2056
0x06,0xB2,0x44, //2057
0x4A,0xB6,0x38, //2058
0x0A,0xAe,0x4C, //2059
0x09,0x2e,0x42, //2060
0x3C,0x97,0x35, //2061
0x0C,0x96,0x49, //2062
0x7d,0x4A,0xBd, //2063
0x0d,0x4A,0x51, //2064
0x0d,0xA5,0x45, //2065
0x55,0xAA,0xBA, //2066
0x05,0x6A,0x4e, //2067
0x0A,0x6d,0x43, //2068
0x45,0x2e,0xB7, //2069
0x05,0x2d,0x4B, //2070
0x8A,0x95,0xBf, //2071
0x0A,0x95,0x53, //2072
0x0B,0x4A,0x47, //2073
0x6B,0x55,0x3B, //2074
0x0A,0xd5,0x4f, //2075
0x05,0x5A,0x45, //2076
0x4A,0x5d,0x38, //2077
0x0A,0x5B,0x4C, //2078
0x05,0x2B,0x42, //2079
0x3A,0x93,0xB6, //2080
0x06,0x93,0x49, //2081
0x77,0x29,0xBd, //2082
0x06,0xAA,0x51, //2083
0x0A,0xd5,0x46, //2084
0x54,0xdA,0xBA, //2085
0x04,0xB6,0x4e, //2086
0x0A,0x57,0x43, //2087
0x45,0x27,0x38, //2088
0x0d,0x26,0x4A, //2089
0x8e,0x93,0x3e, //2090
0x0d,0x52,0x52, //2091
0x0d,0xAA,0x47, //2092
0x66,0xB5,0x3B, //2093
0x05,0x6d,0x4f, //2094
0x04,0xAe,0x45, //2095
0x4A,0x4e,0xB9, //2096
0x0A,0x4d,0x4C, //2097
0x0d,0x15,0x41, //2098
0x2d,0x92,0xB5 //2099
};
/
// 以下为24节气计算相关程序
//
// 每年24节气标志表
// 有兴趣的朋友可按照上面给的原理添加其它年份的表格
// 不是很清楚的朋友可给我发EMAIL
/
const uint8_t YearMonthBit[]=
{
0x4E,0xA6,0x99, //2000
0x9C,0xA2,0x98, //2001
0x80,0x00,0x18, //2002
0x00,0x10,0x24, //2003
0x4E,0xA6,0x99, //2004
0x9C,0xA2,0x98, //2005
0x80,0x82,0x18, //2006
0x00,0x10,0x24, //2007
0x4E,0xA6,0xD9, //2008
0x9E,0xA2,0x98, //2009
0x80,0x82,0x18, //2010
0x00,0x10,0x04, //2011
0x4E,0xE6,0xD9, //2012
0x9E,0xA6,0xA8, //2013
0x80,0x82,0x18, //2014
0x00,0x10,0x00, //2015
0x0F,0xE6,0xD9, //2016
0xBE,0xA6,0x98, //2017
0x88,0x82,0x18, //2018
0x80,0x00,0x00, //2019
0x0F,0xEF,0xD9, //2020
0xBE,0xA6,0x99, //2021
0x8C,0x82,0x98, //2022
0x80,0x00,0x00, //2023
0x0F,0xEF,0xDB, //2024
0xBE,0xA6,0x99, //2025
0x9C,0xA2,0x98, //2026
0x80,0x00,0x18, //2027
0x0F,0xEF,0xDB, //2028
0xBE,0xA6,0x99, //2029
0x9C,0xA2,0x98, //2030
0x80,0x00,0x18, //2031
0x0F,0xEF,0xDB, //2032
0xBE,0xA2,0x99, //2033
0x8C,0xA0,0x98, //2034
0x80,0x82,0x18, //2035
0x0B,0xEF,0xDB, //2036
0xBE,0xA6,0x99, //2037
0x8C,0xA2,0x98, //2038
0x80,0x82,0x18, //2039
0x0F,0xEF,0xDB, //2040
0xBE,0xE6,0xD9, //2041
0x9E,0xA2,0x98, //2042
0x80,0x82,0x18, //2043
0x0F,0xEF,0xFB, //2044
0xBF,0xE6,0xD9, //2045
0x9E,0xA6,0x98, //2046
0x80,0x82,0x18, //2047
0x0F,0xFF,0xFF, //2048
0xFC,0xEF,0xD9, //2049
0xBE,0xA6,0x18 //2050
};
const uint8_t days[24]=
{
6,20,4,19,6,21, //一月到三月 的节气基本日期
5,20,6,21,6,21, //四月到六月 的节气基本日期
7,23,8,23,8,23, //七月到九月 的节气基本日期
8,24,8,22,7,22, //十月到十二月的节气基本日期
};
//以公历日期先后排序
const int8_t *JieQiStr[24]=
{
// 名称 角度 公历日期 周期 //
"小寒", //285 1月 6日
"大寒", //300 1月20日 29.5天
"立春", //315 2月 4日
"雨水", //330 2月19日 29.8天
"惊蛰", //345 3月 6日
"春分", // 0 3月21日 30.2天
"清明", // 15 4月 5日
"谷雨", // 30 4月20日 30.7天
"立夏", // 45 5月 6日
"夏满", // 60 5月21日 31.2天
"芒种", // 75 6月 6日
"夏至", // 90 6月21日 31.4天
"小暑", //105 7月 7日
"大暑", //120 7月23日 31.4天
"立秋", //135 8月 8日
"处暑", //150 8月23日 31.1天
"白露", //165 9月 8日
"秋分", //180 9月23日 30.7天
"寒露", //195 10月 8日
"霜降", //210 10月24日 30.1天
"立冬", //225 11月 8日
"小雪", //240 11月22日 29.7天
"大雪", //255 12月 7日
"冬至" //270 12月22日 29.5天
};
//下部分数据是农历部分要使用的
//月份数据表
uint8_t const day_code1[9]={0x0,0x1f,0x3b,0x5a,0x78,0x97,0xb5,0xd4,0xf3};
unsigned short const day_code2[3]={0x111,0x130,0x14e};
uint8_t const table_week[12]={0,3,3,6,1,4,6,2,5,0,3,5}; //月修正数据表
uint8_t const *sky[10]= {"甲","乙","丙","丁","戊","己","庚","辛","壬","癸",};//天干
uint8_t const *earth[12]={"子","丑","寅","卯","辰","巳","午","未","申","酉","戌","亥",};//地支
uint8_t const *monthcode[12]={"一","二","三","四","五","六","七","八","九","十","冬","腊",};//农历月份
uint8_t const *nongliday[4]={"初","十","廿","三",};//农历日期
///
//支持从1900年到2099年的农历查询
//支持从2000年到2050年的节气查询
//子函数,用于读取数据表中农历月的大月或小月,如果该月为大返回1,为小返回0
uint8_t GetMoonDay(uint8_t month_p,unsigned short table_addr)
{
switch (month_p)
{
case 1:
if((year_code[table_addr]&0x08)==0) return(0);
else return(1);
case 2:
if((year_code[table_addr]&0x04)==0) return(0);
else return(1);
case 3:
if((year_code[table_addr]&0x02)==0) return(0);
else return(1);
case 4:
if((year_code[table_addr]&0x01)==0) return(0);
else return(1);
case 5:
if((year_code[table_addr+1]&0x80)==0) return(0);
else return(1);
case 6:
if((year_code[table_addr+1]&0x40)==0) return(0);
else return(1);
case 7:
if((year_code[table_addr+1]&0x20)==0) return(0);
else return(1);
case 8:
if((year_code[table_addr+1]&0x10)==0) return(0);
else return(1);
case 9:
if((year_code[table_addr+1]&0x08)==0) return(0);
else return(1);
case 10:
if((year_code[table_addr+1]&0x04)==0) return(0);
else return(1);
case 11:
if((year_code[table_addr+1]&0x02)==0) return(0);
else return(1);
case 12:
if((year_code[table_addr+1]&0x01)==0) return(0);
else return(1);
case 13:
if((year_code[table_addr+2]&0x80)==0) return(0);
else return(1);
}
return(0);
}
/
// 函数名称:GetChinaCalendar
//功能描述:公农历转换(只允许1901-2099年)
// 输 入: year 公历年
// month 公历月
// day 公历日
// p 储存农历日期地址
// 输 出: 1 成功
// 0 失败
/
uint8_t GetChinaCalendar(uint16_t year,uint8_t month,uint8_t day,uint8_t *p)
{
uint8_t temp1,temp2,temp3,month_p,yearH,yearL;
uint8_t flag_y;
unsigned short temp4,table_addr;
yearH=year/100; yearL=year%100;//年份的高低两个字节
if((yearH!=19)&&(yearH!=20))return(0);//日期不在19xx ~ 20xx 范围内,则退出
// 定位数据表地址
if(yearH==20) table_addr=(yearL+100-1)*3;
else table_addr=(yearL-1)*3;
// 取当年春节所在的公历月份
temp1=year_code[table_addr+2]&0x60;
temp1>>=5;
// 取当年春节所在的公历日
temp2=year_code[table_addr+2]&31;
// 计算当年春年离当年元旦的天数,春节只会在公历1月或2月
if(temp1==1) temp3=temp2-1;
else temp3=temp2+31-1;
// 计算公历日离当年元旦的天数
if (month<10) temp4=day_code1[month-1]+day-1;
else temp4=day_code2[month-10]+day-1;
// 如果公历月大于2月并且该年的2月为闰月,天数加1
if ((month>2)&&(yearL%4==0)) temp4++;
// 判断公历日在春节前还是春节后
if (temp4>=temp3)
{
temp4-=temp3;
month=1;
month_p=1;
flag_y=0;
if(GetMoonDay(month_p,table_addr)==0) temp1=29; //小月29天
else temp1=30; //大小30天
// 从数据表中取该年的闰月月份,如为0则该年无闰月
temp2=year_code[table_addr]/16;
while(temp4>=temp1)
{
temp4-=temp1;
month_p++;
if(month==temp2)
{
flag_y=~flag_y;
if(flag_y==0)month++;
}
else month++;
if(GetMoonDay(month_p,table_addr)==0) temp1=29;
else temp1=30;
}
day=temp4+1;
}
// 公历日在春节前使用下面代码进行运算
else
{
temp3-=temp4;
if (yearL==0)
{
yearL=100-1;
yearH=19;
}
else yearL--;
table_addr-=3;
month=12;
temp2=year_code[table_addr]/16;
if (temp2==0) month_p=12;
else month_p=13;
flag_y=0;
if(GetMoonDay(month_p,table_addr)==0) temp1=29;
else temp1=30;
while(temp3>temp1)
{
temp3-=temp1;
month_p--;
if(flag_y==0) month--;
if(month==temp2) flag_y=~flag_y;
if(GetMoonDay(month_p,table_addr)==0) temp1=29;
else temp1=30;
}
day=temp1-temp3+1;
}
*p++=yearH;
*p++=yearL;
*p++=month;
*p=day;
return(1);
}
//
// 函数名称:GetSkyEarth
// 功能描述:输入公历日期得到一个甲子年(只允许1901-2099年)
// 输 入: year 公历年
// p 储存星期地址
// 输 出: 无
/
void GetSkyEarth(uint16_t year,uint8_t *p)
{
uint8_t x;
if(year>=1984)
{
year=year-1984;
x=year%60;
}
else
{
year=1984-year;
x=60-year%60;
}
*p=x;
}
//将指定字符source复制no个给target
void StrCopy(uint8_t *target,uint8_t const *source,uint8_t no)
{
uint16_t i;
for(i=0;i<no;i++)
{
*target++=*source++;
}
}
//
// 函数名称:GetChinaCalendarStr
// 功能描述:输入公历日期得到农历字符串
// 如:GetChinaCalendarStr(2007,02,06,str) 返回str="丙戌年腊月十九"
// 输 入: year 公历年
// month 公历月
// day 公历日
// str 储存农历日期字符串地址 15Byte
// 输 出: 无
/
void GetChinaCalendarStr(uint16_t year,uint8_t month,uint8_t day,uint8_t *str)
{
uint8_t NLyear[4];
uint8_t SEyear;
StrCopy(&str[0],(u8 *)"甲子年正月初一",15);
if(GetChinaCalendar(year,month,day,(u8 *)NLyear)==0) return;
GetSkyEarth(NLyear[0]*100+NLyear[1],&SEyear);
StrCopy(&str[0],(u8 *) sky[SEyear%10],2); // 甲
StrCopy(&str[2],(u8 *)earth[SEyear%12],2); // 子
if(NLyear[2]==1) StrCopy(&str[6],(u8 *)"正",2);
else StrCopy(&str[6],(u8 *)monthcode[NLyear[2]-1],2);
if(NLyear[3]>10) StrCopy(&str[10],(u8 *)nongliday[NLyear[3]/10],2);
else StrCopy(&str[10],(u8 *)"初",2);
StrCopy(&str[12],(u8 *)monthcode[(NLyear[3]-1)%10],2);
}
//
// 函数名称:GetJieQi
// 功能描述:输入公历日期得到本月24节气日期 day<15返回上半月节气,反之返回下半月
// 如:GetJieQiStr(2007,02,08,str) 返回str[0]=4
// 输 入: year 公历年
// month 公历月
// day 公历日
// str 储存对应本月节气日期地址 1Byte
// 输 出: 1 成功
// 0 失败
/
u8 GetJieQi(u16 year,u8 month,u8 day,u8 *JQdate)
{
u8 bak1,value,JQ;
if((year<2000)||(year>2050)) return 0;//节气表的范围限制
if((month==0) ||(month>12)) return 0;
JQ = (month-1) *2 ; //获得节气顺序标号(0~23
if(day >= 15) JQ++; //判断是否是上半月
bak1=YearMonthBit[(year-2000)*3+JQ/8]; //获得节气日期相对值所在字节
value =((bak1<<(JQ%8))&0x80); //获得节气日期相对值状态
*JQdate=days[JQ]; //得到基本节气日
if( value != 0 )
{
//判断年份,以决定节气相对值1代表1,还是-1。
if( (JQ== 1||JQ== 11||JQ== 18||JQ== 21)&&year< 2044) (*JQdate)++;
else (*JQdate)--;
}
return 1;
}
static u8 const MonthDayMax[]={31,28,31,30,31,30,31,31,30,31,30,31,};
//
// 函数名称:GetJieQiStr
// 功能描述:输入公历日期得到24节气字符串
// 如:GetJieQiStr(2007,02,08,str) 返回str="离雨水还有11天"
// 输 入: year 公历年
// month 公历月
// day 公历日
// str 储存24节气字符串地址 15Byte
// 输 出: 1 成功
// 0 失败
/
u8 GetJieQiStr(u16 year,u8 month,u8 day,u8 *str)
{
u8 JQdate,JQ,MaxDay;
if(GetJieQi(year,month,day,&JQdate)==0) return 0;
JQ = (month-1) *2 ; //获得节气顺序标号(0~23
if(day >= 15) JQ++; //判断是否是上半月
if(day==JQdate) //今天正是一个节气日
{
StrCopy(str,(u8 *)JieQiStr[JQ],5);
return 1;
}
//今天不是一个节气日
StrCopy(str,(u8 *)"离立冬还有??天",15);
if(day<JQdate) //如果今天日期小于本月的节气日期
{
StrCopy(&str[2],(u8 *)JieQiStr[JQ],4);
day=JQdate-day;
}
else //如果今天日期大于本月的节气日期
{
if((JQ+1) >23) return 0;
StrCopy(&str[2],(u8 *)JieQiStr[JQ+1],4);
if(day < 15)
{
GetJieQi(year,month,15,&JQdate);
day=JQdate-day;
}
else //翻月
{
MaxDay=MonthDayMax[month-1];
if(month==2) //润月问题
{
if((year%4==0)&&((year%100!=0)||(year%400==0))) MaxDay++;
}
if(++month==13) month=1;
GetJieQi(year,month,1,&JQdate);
day=MaxDay-day+JQdate;
}
}
str[10]=day/10+'0';
str[11]=day%10+'0';
return 1;
}
data.h
/******************** (C) COPYRIGHT 2009 www.armjishu.com ************************
* File Name : date.h
* Author : www.armjishu.com Team
* Version : V1.0
* Date : 12/1/2009
* Description : 日期相关函数
*******************************************************************************/
#ifndef __DATE_H
#define __DATE_H
#include "stm32f10x.h"
struct rtc_time {
int tm_sec;
int tm_min;
int tm_hour;
int tm_mday;
int tm_mon;
int tm_year;
int tm_wday;
};
void GregorianDay(struct rtc_time * tm);
uint32_t mktimev(struct rtc_time *tm);
void to_tm(uint32_t tim, struct rtc_time * tm);
#endif
data.c
/**
******************************************************************************
* @file bsp_date.c
* @author 移植自linux万年历
* @version V1.0
* @date 2013-xx-xx
******************************************************************************
* @attention
*
* 实验平台:野火 F103-指南者 STM32 开发板
* 论坛 :http://www.firebbs.cn
* 淘宝 :https://fire-stm32.taobao.com
*
******************************************************************************
*/
#include "./rtc/bsp_date.h"
#define FEBRUARY 2
#define STARTOFTIME 1970
#define SECDAY 86400L /* 一天有多少s */
#define SECYR (SECDAY * 365)
#define leapyear(year) ((year) % 4 == 0)
#define days_in_year(a) (leapyear(a) ? 366 : 365)
#define days_in_month(a) (month_days[(a) - 1])
static int month_days[12] = { 31, 28, 31, 30, 31, 30, 31, 31, 30, 31, 30, 31 };
/*
* This only works for the Gregorian calendar - i.e. after 1752 (in the UK)
*/
/*计算公历*/
void GregorianDay(struct rtc_time * tm)
{
int leapsToDate;
int lastYear;
int day;
int MonthOffset[] = { 0,31,59,90,120,151,181,212,243,273,304,334 };
lastYear=tm->tm_year-1;
/*计算从公元元年到计数的前一年之中一共经历了多少个闰年*/
leapsToDate = lastYear/4 - lastYear/100 + lastYear/400;
/*如若计数的这一年为闰年,且计数的月份在2月之后,则日数加1,否则不加1*/
if((tm->tm_year%4==0) &&
((tm->tm_year%100!=0) || (tm->tm_year%400==0)) &&
(tm->tm_mon>2)) {
/*
* We are past Feb. 29 in a leap year
*/
day=1;
} else {
day=0;
}
day += lastYear*365 + leapsToDate + MonthOffset[tm->tm_mon-1] + tm->tm_mday; /*计算从公元元年元旦到计数日期一共有多少天*/
tm->tm_wday=day%7;
}
/* Converts Gregorian date to seconds since 1970-01-01 00:00:00.
* Assumes input in normal date format, i.e. 1980-12-31 23:59:59
* => year=1980, mon=12, day=31, hour=23, min=59, sec=59.
*
* [For the Julian calendar (which was used in Russia before 1917,
* Britain & colonies before 1752, anywhere else before 1582,
* and is still in use by some communities) leave out the
* -year/100+year/400 terms, and add 10.]
*
* This algorithm was first published by Gauss (I think).
*
* WARNING: this function will overflow on 2106-02-07 06:28:16 on
* machines were long is 32-bit! (However, as time_t is signed, we
* will already get problems at other places on 2038-01-19 03:14:08)
*
*/
u32 mktimev(struct rtc_time *tm)
{
if (0 >= (int) (tm->tm_mon -= 2)) { /* 1..12 -> 11,12,1..10 */
tm->tm_mon += 12; /* Puts Feb last since it has leap day */
tm->tm_year -= 1;
}
return (((
(u32) (tm->tm_year/4 - tm->tm_year/100 + tm->tm_year/400 + 367*tm->tm_mon/12 + tm->tm_mday) +
tm->tm_year*365 - 719499
)*24 + tm->tm_hour /* now have hours */
)*60 + tm->tm_min /* now have minutes */
)*60 + tm->tm_sec; /* finally seconds */
}
void to_tm(u32 tim, struct rtc_time * tm)
{
register u32 i;
register long hms, day;
day = tim / SECDAY; /* 有多少天 */
hms = tim % SECDAY; /* 今天的时间,单位s */
/* Hours, minutes, seconds are easy */
tm->tm_hour = hms / 3600;
tm->tm_min = (hms % 3600) / 60;
tm->tm_sec = (hms % 3600) % 60;
/* Number of years in days */ /*算出当前年份,起始的计数年份为1970年*/
for (i = STARTOFTIME; day >= days_in_year(i); i++) {
day -= days_in_year(i);
}
tm->tm_year = i;
/* Number of months in days left */ /*计算当前的月份*/
if (leapyear(tm->tm_year)) {
days_in_month(FEBRUARY) = 29;
}
for (i = 1; day >= days_in_month(i); i++) {
day -= days_in_month(i);
}
days_in_month(FEBRUARY) = 28;
tm->tm_mon = i;
/* Days are what is left over (+1) from all that. *//*计算当前日期*/
tm->tm_mday = day + 1;
/*
* Determine the day of week
*/
GregorianDay(tm);
}
其他配置:

注意: 必须强调的是,使用 scanf 通过串口输入时,每次输入完毕后都要加入回车,这样才
能正常接收,见图使用串口配置时间的注意事项 。