码农知识堂 - 1000bd
  •   Python
  •   PHP
  •   JS/TS
  •   JAVA
  •   C/C++
  •   C#
  •   GO
  •   Kotlin
  •   Swift
  • ESP8266-Arduino编程实例-GP2Y1010AU0F灰尘传感器驱动


    GP2Y1010AU0F灰尘传感器驱动

    1、GP2Y1010AU0F介绍

    夏普的 GP2Y1010AU0F 是一种光学空气质量传感器,旨在检测灰尘颗粒。 红外发射二极管和光电晶体管对角排列在该装置中,使其能够检测空气中灰尘的反射光。 它在检测香烟烟雾等非常细小的颗粒方面特别有效,通常用于空气净化器系统。

    在这里插入图片描述

    GP2Y1010AU0F具有如下特性:

    • 低电流消耗(最大值:20mA)
    • 典型工作电压:4.5V 至 5.5V(最大值:7V)
    • 仅通过一个脉冲的光度测定即可检测到灰尘的存在
    • 能够区分烟雾和室内灰尘

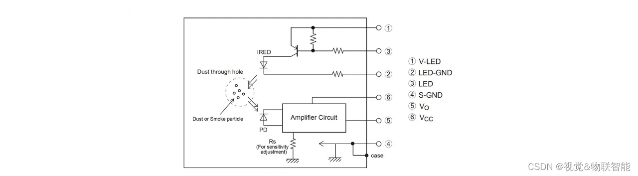
    GP2Y1010AU0F的内部功能框图如下:

    在这里插入图片描述

    2、硬件准备

    • ESP8266 NodeMCU开发板一块
    • GP2Y1010AU0F传感器模块一个
    • 面板板一个
    • 杜邦线若干
    • 数据线一条

    GP2Y1010AU0F的LED脉冲驱动需要电阻R1=150Ω和电容C1=220uF。 请使用具有上述常量的那些。 没有这些组件,设备将无法工作。

    硬件接线如下:

  • 相关阅读:
    使用 KubeSphere 部署高可用 RocketMQ 集群
    【面试经典150 | 哈希表】单词规律
    python基于PHP+MySQL的图书馆自习室预约占座系统
    华为HCIE云计算之ebackup备份FC虚拟机
    String vs StringBuffer vs StringBuilder
    基于.NetCore开发博客项目 StarBlog - (12) Razor页面动态编译
    海思3559开发常识储备:相关名词全解
    servlet数量太多,搞个轻量级springmvc
    刷题记录(NC16671 [NOIP2006]金明的预算方案,NC14699 队伍配置,NC235951 草药大师)
    Filter和ThreadLocal结合存储用户id信息
  • 原文地址:https://blog.csdn.net/wujuxKkoolerter/article/details/126314826
  • 最新文章
  • 攻防演习之三天拿下官网站群
    数据安全治理学习——前期安全规划和安全管理体系建设
    企业安全 | 企业内一次钓鱼演练准备过程
    内网渗透测试 | Kerberos协议及其部分攻击手法
    0day的产生 | 不懂代码的"代码审计"
    安装scrcpy-client模块av模块异常,环境问题解决方案
    leetcode hot100【LeetCode 279. 完全平方数】java实现
    OpenWrt下安装Mosquitto
    AnatoMask论文汇总
    【AI日记】24.11.01 LangChain、openai api和github copilot
  • 热门文章
  • 十款代码表白小特效 一个比一个浪漫 赶紧收藏起来吧!!!
    奉劝各位学弟学妹们,该打造你的技术影响力了!
    五年了,我在 CSDN 的两个一百万。
    Java俄罗斯方块,老程序员花了一个周末,连接中学年代!
    面试官都震惊,你这网络基础可以啊!
    你真的会用百度吗?我不信 — 那些不为人知的搜索引擎语法
    心情不好的时候,用 Python 画棵樱花树送给自己吧
    通宵一晚做出来的一款类似CS的第一人称射击游戏Demo!原来做游戏也不是很难,连憨憨学妹都学会了!
    13 万字 C 语言从入门到精通保姆级教程2021 年版
    10行代码集2000张美女图,Python爬虫120例,再上征途
Copyright © 2022 侵权请联系2656653265@qq.com    京ICP备2022015340号-1
正则表达式工具 cron表达式工具 密码生成工具

京公网安备 11010502049817号