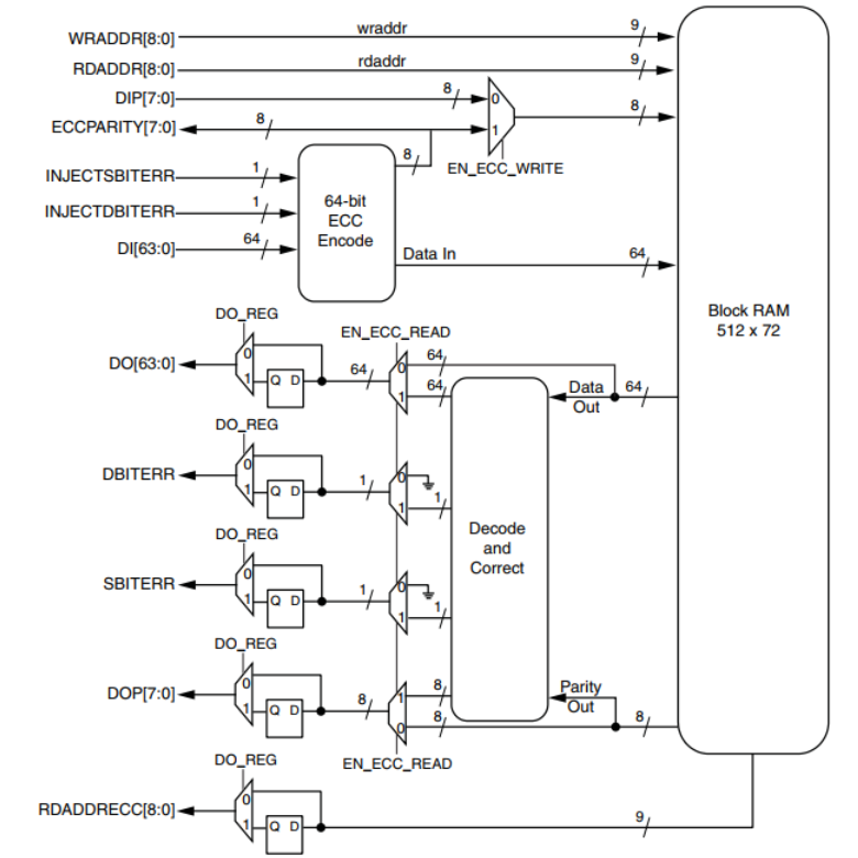
使用 72 位宽 RAM 中的额外 8 位,简单双端口模式下的 RAMB36E1 可配置为具有内置汉明码纠错功能的单个 512 x 64 RAM。 该操作是透明的。
在每次写操作期间会生成八个保护位 (ECCPARITY),并与 64 位数据一起存储到内存中。 这些 ECCPARITY 位在每次读取操作期间用于纠正任何一位错误,或检测(但不纠正)任何双位错误。ECCPARITY 位在 WRCLK 的每个上升沿被写入存储器并输出到 FPGA 逻辑。 ECCPARITY 输出位上没有可用的可选输出寄存器。
在每次读取操作期间,从存储器中读取 72 位数据(64 位数据和 8 位奇偶校验位)并馈送到 ECC 解码器。 ECC 解码器生成两个状态输出(SBITERR 和 DBITERR),用于指示三种可能的读取结果:无错误、已纠正单位错误、检测到双位错误。 在标准 ECC 模式下,读操作不会纠正内存阵列中的错误,它只会在 DO 上呈现纠正后的数据。 为了提高 FMAX,由 DO_REG 属性控制的可选寄存器可用于数据输出 (DO)、SBITERR 和 DBITERR。
ECC 配置选项可用于简单双端口模式下的 36Kb 块 RAM (RAMB36E1) 或 36Kb FIFO (FIFO36E1)。 RAMB36E1 具有注入错误的能力。 RAMB36E1 能够回读存储当前读出数据的地址。 此功能更好地支持修复位错误或使该地址的内容无效以供将来访问。 FIFO36E1 支持标准 ECC 模式并具有错误注入能力。 FIFO36E1 不支持 ECC 仅编码模式并且不输出正在读取的地址位置。
7 系列 FPGA 块 RAM ECC 还支持 READ_FIRST 和 WRITE_FIRST 模式,其方式与 SDP 模式相同。
在标准 ECC 模式(EN_ECC_READ = TRUE 和 EN_ECC_WRITE = TRUE)中,编码器和解码器均启用。 在写入期间,64 位数据和 8 位 ECC 生成的奇偶校验存储在数组中。 外部奇偶校验位被忽略。 在读取过程中,72 位解码数据和奇偶校验被读出。
编码器和解码器可以在简单双端口模式下单独访问以供外部使用 RAMB36E1。 单独使用编码器,需要通过DI口发送数据,ECCPARITY输出口可以采样。 要单独使用解码器,禁用编码器,将数据写入 Block RAM,并从 Block RAM 中读出更正的数据和状态位。
要在 ECC 仅解码模式下使用解码器,请设置 EN_ECC_WRITE = FALSE 和 EN_ECC_READ = TRUE。
编码器有两种使用方式:
使用 ECC 模式时 Block RAM 的功能描述如下:

下图显示了 Block RAM (RAMB36E1) ECC 原语。 只有简单双端口 (SDP) 模式下的 RAMB36E1 支持 ECC。

下图显示了 FIFO36E1 ECC 原语。 FIFO36_72 模式只支持标准 ECC 模式,不支持 RDADDRECC 输出。

下表列出并描述了 Block RAM ECC I/O 端口名称。
| Port Name | Signal Description |
|---|---|
| DIADI[31:0] | 在 ECC 模式下由 ADDRBWRADDR 寻址的端口 A 数据输入。 |
| DIPADIP[3:0] | 在 ECC 模式下由 ADDRBWRADDR 寻址的端口 A 数据奇偶校验输入。 |
| DIBDI[31:0] | 由 ADDRBWRADDR 寻址的端口 B 数据输入。 |
| DIPBDIP[3:0] | 由 ADDRBWRADDR 寻址的端口 B 数据奇偶校验输入。 |
| ADDRARDADDR [15:0] | 端口 A 地址输入总线。 在 RAM_MODE = SDP 中,这是 RDADDR 总线。 在 ECC 模式下,仅使用位 [14:6]。 |
| ADDRBWRADDR[15:0] | 端口 B 地址输入总线。 在 RAM_MODE = SDP 中,这是 WRADDR 总线。 在 ECC 模式下,仅使用位 [14:6]。 |
| WEA[3:0] | 端口 A 字节宽的写使能。 在 RAM_MODE = SDP 中不使用。 在 ECC 模式下,将 WEA 连接到 GND。 |
| WEBWE[7:0] | 端口 B 字节宽写使能 (WEBWE [3:0])。 在 RAM_MODE = SDP 中,这是字节范围的写使能。 在 ECC 模式下,将此端口连接到逻辑高电平。 |
| ENARDEN | 端口 A 启用。 在 RAM_MODE = SDP 或 ECC 中,这是 RDEN。 |
| ENBWREN | 端口 B 启用。 在 RAM_MODE = SDP 或 ECC 中,这是 WREN。 |
| RSTREGARSTREG | 同步输出寄存器设置/复位由 SRVAL_A (DO_REG = 1) 初始化。 RSTREG_PRIORITY_A 确定 REGCE 的优先级。 在 RAM_MODE = SDP 中,这是 RSTREG。 在 ECC 模式下,将RSTREGARSTREG 连接到GND。 |
| RSTREGB | 同步输出寄存器设置/复位由 SRVAL_B (DO_REG = 1) 初始化。 RSTREG_PRIORITY_B 确定 REGCE 的优先级。 在 SDP (ECC) 模式下,将 RSREGB 连接到 GND。 |
| RSTRAMARSTRAM | 同步输出锁存器设置/复位由 SRVAL_A (DO_REG = 0) 初始化。 在 RAM_MODE = SDP 中,这是 RSTRAM。 在 ECC 模式下,连接到 GND。 |
| RSTRAMB | 同步输出锁存器设置/复位由 SRVAL_B (DO_REG = 0) 初始化。 在 SDP (ECC) 模式下,将 REGCEB 连接到 GND。 |
| CLKARDCLK | 端口 A 时钟输入。 在 RAM_MODE = SDP 中,这是 RDCLK。 |
| CLKBWRCLK | 端口 B 时钟输入。 在 RAM_MODE = SDP 中,这是 WRCLK。 |
| REGCEAREGCE | 端口 A 输出寄存器时钟使能 (DO_REG = 1)。 在 RAM_MODE SDP 和 ECC 中,这是 REGCE。 |
| REGCEB | 端口 B 输出寄存器时钟使能 (DO_REG = 1)。 在 ECC 模式下,将 REGCEB 连接到 GND。 |
| CASCADEINA | 端口 A 级联输入。 仅用于 RAM_MODE = TDP。 |
| CASCADEINB | 端口 B 级联输入。 仅用于 RAM_MODE = TDP。 |
| CASCADEOUTA | 端口 A 级联输出。 仅用于 RAM_MODE = TDP。 |
| CASCADEOUTB | 端口 B 级联输出。 仅用于 RAM_MODE = TDP。 |
| DOADO[31:0] | 由 ADDRARDADDR 寻址的端口 A 数据输出总线。 |
| DOPADOP[3:0] | 由 ADDRARDADDR 寻址的端口 A 奇偶校验输出总线。 |
| DOBDO[31:0] | 端口 B 由 ADDRARDADDR 寻址的数据输出总线。 |
| DOPBDOP[3:0] | 端口 B 奇偶校验输出总线由 ADDRARDADDR 寻址。 |
| ECC Port Names (Not used if RAM_MODE = TDP) | |
| INJECTSBERR | 如果使用 ECC,则注入单位错误。 在写入期间置位时,在特定的 Block RAM 位位置创建单位错误。 回读该位置时,Block RAM ECC 逻辑会纠正此错误。 错误在位 DI[30] 中产生。 |
| INJECTDBERR | 如果使用 ECC,则注入双位错误。 在写入期间置位时,在两个特定的 Block RAM 位位置创建双位错误。 回读该位置时,Block RAM ECC 逻辑会标记一个双位错误。 当 INJECTSBERR 和 INJECTDBERR 信号同时置位时,就会注入双位错误。 错误在位 DI[30] 和 DI[62] 中产生。 |
| ECCPARITY[7:0] | ECC 编码器输出总线,用于仅编码模式下使用的 ECC。 |
| SBITERR | ECC 单位错误输出状态。 |
| DBITERR | ECC 双位错误输出状态。 |
| RDADDRECC[8:0] | ECC 读取地址。 指向当前读出的数据的地址指针。 数据和相应的地址在同一个周期内可用。 |
FIFO ECC 端口名称和说明
| Port Name | Direction | Signal Description |
|---|---|---|
| DI[63:0] | Input | 数据输入总线 |
| DIP[7:0] | Input | 数据输入奇偶校验总线。 使用标准模式时不使用。 |
| WREN | Input | 写使能。 当 WREN = 1 时,数据写入内存。 当 WREN = 0 时,禁止写入。 |
| RDEN | Input | 读使能。 当 RDEN = 1 时,从内存中读取数据。 当 RDEN = 0 时,读取被禁用。 |
| RSTREG | Input | 使用 Block RAM ECC 原语时不支持。 始终连接到 GND。 |
| RSTRAM | Input | 使用 Block RAM ECC 原语时不支持。 始终连接到 GND。 |
| RST | Input | FIFO 计数器和标志的异步复位。 必须在三个时钟周期内断言复位。 复位不会影响 DO 或 ECC 信号。 |
| WRCLK | Input | 写操作的时钟。 |
| RDCLK | Input | 读操作的时钟。 |
| INJECTSBITERR | Input | 在写入期间置位时,在特定的 Block RAM 位上产生单位错误。 回读该位置时,Block RAM ECC 逻辑会纠正此错误。 错误在位 DI[30] 中产生。 |
| INJECTDBITERR | Input | 在写入期间置位时,在两个特定的 Block RAM 位上产生双位错误。 回读该位置时,Block RAM ECC 逻辑会标记一个双位错误。 当两个 INJECTBITERR 信号同时置位时,会注入一个双位错误。 错误在位 DI[30] 和 DI[62] 中产生。 |
| DO[63:0] | Output | 数据输出总线 |
| DOP[7:0] | Output | 数据输出奇偶校验总线。 |
| SBITERR | Output | 单位错误状态。 |
| DBITERR | Output | 双位错误状态。 |
| ECCPARITY[7:0] | Output | 不支持。 |
| FULL | Output | FIFO 满标志。 |
| ALMOSTFULL | Output | FIFO 几乎满标志。 |
| EMPTY | Output | FIFO 空标志。 |
| ALMOSTEMPTY | Output | FIFO 几乎为空标志。 |
| RDCOUNT | Output | FIFO 数据读取指针。 |
| WRCOUNT | Output | FIFO 数据写指针。 |
| WRERR | Output | 当 FIFO 已满时,任何额外的写操作都会生成一个错误标志。 |
| RDERR | Output | 当 FIFO 为空时,任何额外的读取操作都会生成错误标志。 |
除了解码和纠正逻辑中的内置寄存器外,RAMB36E1 原语允许使用由 DO_REG 属性控制的可选流水线寄存器,以产生更高的性能和一个额外的延迟。 下表列出了 Block RAM 和 FIFO ECC 属性。


ECC 操作分为三种类型:标准、仅编码和仅解码。 标准 ECC 模式同时使用编码器和解码器。
图 3-4 到图 3-9 显示了 Block RAM 和 FIFO 中 ECC 操作的各种模式。 由用户提供 Block RAM WRADDR 和 RDADDR 地址输入。FIFO WRADDR 和 RDADDR 地址由写计数器和读计数器在内部生成。




数据(DOUT)和对应地址(ECCRDADDR)在同一阶段提供使用。

数据 (DOUT) 和相应的地址 (ECCRDADDR) 在同一阶段提供使用。
E N _ E C C _ R E A D = T R U E E N _ E C C _ W R I T E = T R U E EN\_ECC\_READ = TRUE\\ EN\_ECC\_WRITE = TRUE EN_ECC_READ=TRUEEN_ECC_WRITE=TRUE
如图 3-4 所示。
在时间 T1W,DI[63:0] = A 被写入内存位置 a。 内部生成对应的 8 位 ECC 奇偶校验 PA(十六进制),附加到 64 个数据位后,写入内存。 写入后,奇偶校验值 PA 立即出现在输出 ECCPARITY[7:0]。 因为 ECC 奇偶校验是在内部生成的,所以不使用 DIP[7:0] 引脚。 在标准 ECC 模式下,不支持 ECC 奇偶校验。
类似地,在时间 T2W 和 T3W,DI[63:0] = B 和 C,连同它们相应的奇偶校验位 PB(十六进制)和 PC(十六进制)被写入存储单元 b 和 c。 PB 和 PC 在 T2W 和 T3W 之后不久出现在输出 ECCPARITY[7:0]。
如图 3-5 所示。
在时间 T1R,内部读取地址位置 a 的 72 位存储器内容,包括 64 位数据 A 和 8 位奇偶校验 PA(十六进制)。 如果没有错误,则在 DO[63:0] 和 DOP[7:0] 处输出原始数据和奇偶校验。 如果数据或奇偶校验中存在单位错误,则纠正错误,并且 SBITERR 为高。 如果数据和奇偶校验存在双位错误,则错误不会被纠正。 输出原始数据和奇偶校验,DBITERR 为高。如果属性 DO_REG 设置为 0,则在 T1R 之后不久,DO[63:0] = A 和 DOP[7:0] = PA。
类似地,在时间 T2R 和 T3R,地址位置 b 和 c 处的存储器内容在 DO[63:0] 和 DOP[7:0] 处被读取和解码。 如果在数据集 A 上检测到单位或双位错误,SBITERR/DBITERR 输出也可以在 T1R 之后切换。图 3-7 显示了在时钟沿 T1R 和 在时钟沿 T2R 之后,在锁存模式下在数据 B 上检测到双位错误 (DBITERR)。
如果属性 DO_REG 设置为 1,则在 T2R 之后不久,DO[63:0] = A 和 DOP[7:0] = PA。
类似地,在时间 T3R 和 T4R,地址位置 b 和 c 处的存储器内容在 DO[63:0] 和 DOP[7:0] 处被读取和解码。 如果在数据集 A 上检测到单比特或双比特错误,SBITERR/DBITERR 输出也可以在 T2R 之后切换。图 3-6 显示在时钟沿 T2R 和 在时钟沿 T3R 之后,在寄存器模式中检测到数据 B 上的双位错误 (DBITERR)。
E N _ E C C _ R E A D = F A L S E E N _ E C C _ W R I T E = T R U E EN\_ECC\_READ = FALSE\\ EN\_ECC\_WRITE = TRUE EN_ECC_READ=FALSEEN_ECC_WRITE=TRUE
在时间 T1W,DI[63:0] = A 被写入内存位置 a。 内部生成对应的 8 位 ECC 奇偶校验 PA(十六进制),附加到 64 个数据位后,写入内存。 写入后,奇偶校验值 PA 立即出现在输出 ECCPARITY[7:0]。 因为 ECC 奇偶校验是在内部生成的,所以不使用 DIP[7:0] 引脚。
类似地,在时间 T2W 和 T3W,DI[63:0] = B 和 C,连同它们相应的奇偶校验位 PB(十六进制)和 PC(十六进制)被写入存储单元 b 和 c。 PB 和 PC 在 T2W 和 T3W 之后不久出现在输出 ECCPARITY[7:0]。
ECC 仅编码读取与普通块 RAM 读取相同。 64 位数据出现在 DO[63:0],8 位奇偶校验出现在 DOP[7:0]。 不会发生单位错误纠正,并且错误标志 SBITERR 和 DBITERR 从未被断言。
E N _ E C C _ R E A D = T R U E E N _ E C C _ W R I T E = F A L S E EN\_ECC\_READ = TRUE\\EN\_ECC\_WRITE = FALSE EN_ECC_READ=TRUEEN_ECC_WRITE=FALSE
在 ECC 仅解码中,仅启用 ECC 解码器。 ECC 编码器被禁用。仅解码模式用于注入单位或双位错误以测试 ECC 解码器的功能。 ECC 奇偶校验位必须使用 DIP[7:0] 引脚从外部提供。
ECC解码器还检测奇偶校验位何时发生双位错误,以及数据位中何时发生单位错误以及相应奇偶校验位中何时发生单位错误。
图 3-4 至图 3-7 还显示了各种 ECC 时序参数。因为写时钟和读时钟相互独立,所以图 3-4 中的所有写时序都以 WRCLK 为参考。 图 3-5 中的所有读取时序均以 RDCLK 为参考。
参见图 3-4。
请参见图 3-5。
请参见图 3-4。
下表显示了 7 系列 FPGA 的 Block RAM ECC 模式时序参数。


使用块 RAM 外部的逻辑(大量 XOR 电路),可以为 64 位字创建 8 个奇偶校验位。 但是,使用仅 ECC 编码器模式,可以通过将任何 64 位字写入单独的 Block RAM 来自动创建 8 个奇偶校验位,而无需额外的逻辑。 编码后的 8 位 ECC 奇偶校验数据立即可用,或者可以读出完整的 72 位字。