目录
十一,在五级流水线中,为什么不能给每个周期都分配指令,从而导致CPI>1?

程序运行的时间 = 程序中的指令数 × 一条指令需要的周期数 × 每个周期所需的时间
其中:

流水线中一条指令需要另外一条指令正在使用的资源
当前指令的执行依赖于先前指令所产生的数据值。
当前指令的执行依赖于先前指令所产生的下一条指令的地址,可能是用于分支跳转或者异常处理。
处理这些危害会让流水线中产生气泡bubbles,并且是的CPI>1.


Structural hazard 通常发生在两条指令同时需要同一个硬件资源对的时候,在硬件上,可以通过暂停新的(newer)指令对该资源的访问,直到先前(older)的指令访问完成。
结构性危害总是可以通过增加更多的硬件设计来避免,比如两条指令在同一时间,需要同一个端口port来访问内存,硬件上可以通过多设计一个访问内存的port来避免这种情况。
典型的RISC五级流水线在设计上没有结构性危害,但是许多RISC实现在多周期单元(如乘法器、除法器、浮点单元等)上存在结构性危害,并且可能存在寄存器回写端口。
假设有如下伪指令:
![]()
其中r表示不同的寄存器,上面伪指令的含义为:Ri 与 Rj进行操作,并将结果保存至Rk中。
以上述伪指令为基础,可以有三种数据危害:
指令1和指令2存在数据依赖关系Data-dependence,写完R3之后再读,需要先求出寄存器R3的值,然后第二条指令才能顺利执行:

指令1和2存在反向依赖关系Anti-dependence,需要先读R1,然后再写,如果不等指令1执行完毕,就执行指令2,可能会导致指令1执行错误,因为R1的值可能先会被指令2更新:

指令1和指令2存在输出依赖Output-dependence, 指令1和指令2都是同时往同一个寄存器R3中写入数据,按照程序的语义,R3的值最后应该是被指令2更新:

在流水线的某个阶段将受依赖影响的指令暂停,等待危害消除后,再开始。
尽可能早地绕过依赖的数据值
对依赖的数据进行预测,如果猜错了就纠正。
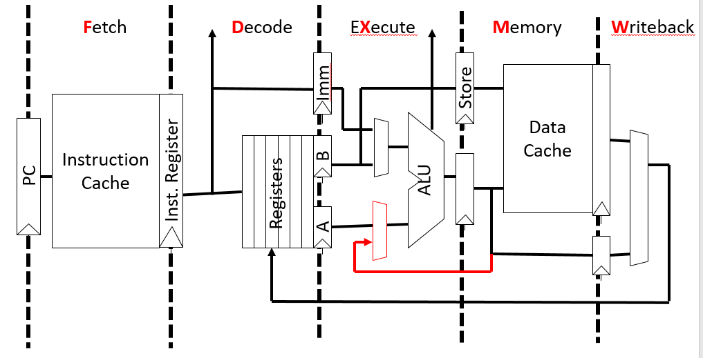
下面以如下两条指令为例:

指令2依赖于指令1所产生的结果值X1,如果是采用interlock的方式,指令2在decode阶段就会被锁住,它要等到指令1执行完后, 才能拿到X1的值,因此会产生三个流水线气泡。

如果采用绕过bypass的方法,它会然后指令1流水线中的ALU,直接把指令1的计算结果传递到指令2的Execute阶段,这样将无气泡产生:

如上图红线所示,为增加的硬件结构,
此外,还有一种完全绕过(Fully Bypassed Data Path)的硬件设计:

与其等待一个数据值,也可以尝试去预测,当然只在某些限制的场景下有效:
PC(Program Counter)寄存器里保存着处理器即将执行的下一条指令的地址。计算下一个PC的值,需要以下元素:
在流水线的各个阶段,可以获取到的控制流信息:

早期的RISC采用流水线microcode engines的思想,改变了ISA语义,总是在控制流发生变化之前执行分支/跳转后的指令,如下示例:

按照正常的语义,上述指令的执行顺序为:0x100 -> 0x205 -> 0x104,但是0x104会在target之前执行。
在指令跳转的延迟间隙,软件必须用一些有用的工作来填充,或者用显式的 NOP (No OPeration)指令来填充。


对软件可见的延迟间隙(delay slot)机器而言,编译器会插入大量的NOP指令,在此期间执行,以减小CPI,但是也增加了程序的总指令数。
An unusual internal event caused by program during execution
程序在执行过程中引起的异常内部事件。比如页错误page fault, 算术溢出arithmetic underflow
An external event outside of running program。
在正在运行的程序之外的事件。
Forced transfer of control to supervisor caused by exception or interrupt,Not all exceptions cause traps,由于异常和中断,强制将控制权转移给supervisor,并不是所有的异常都会导致traps。
一个IO设备通过断言一个优先中断请求行,来获取注意。当处理器打算处理这个中断时:
改变正常的控制流:

一个来自程序外部或者内部的事件,需要被其他系统或程序处理,这种事件从软件的角度来讲较为稀有或者异常。
1,在使能中断去允许嵌套中断之前,需要先保存EPC寄存器。
2,需要读取能够反映当前trap产生原因的状态寄存器。
3,使用一个特殊的直接跳转指令ERET (return-from-environment) :
同步陷阱是由特定指令的异常引起的。
通常,该指令无法完成,需要在异常处理后重新启动,同时,需要撤销一个或多个已经执行完毕的指令所带来的影响。
在系统调用陷阱的情况下,该指令被认为已经完成。需要一种涉及特权模式privileged mode的的特殊跳转指令。
在五级流水线中,异常的处理:

