主控芯片为STM32F103C8T6
Arduino 的库确实多

代码也挺简单的,没有多少行。
这个项目主要是想学硬件。
经过验证作者提供了两个版本的源代码,第一版能成功编译,第二版有变量名定义错误,还比较多。经过更改后仍可使用。

SMAJ30A:瞬态抑制二极管

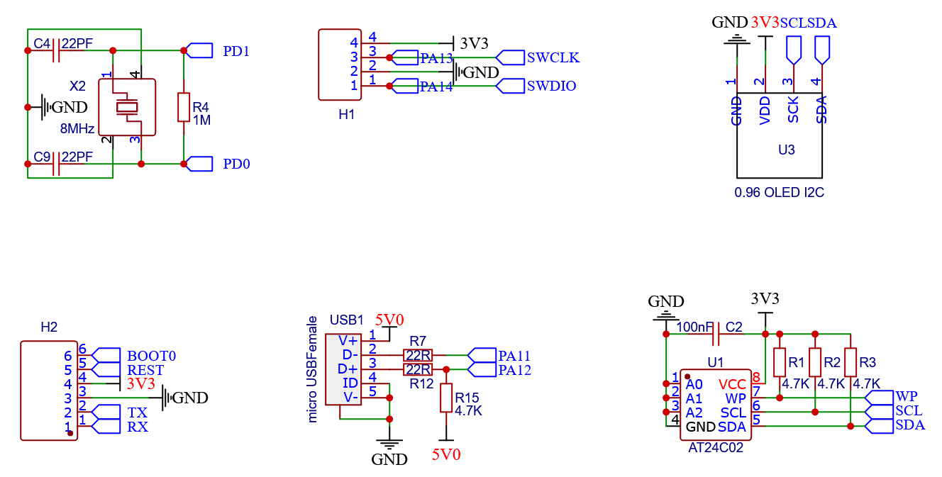
最上 5V0 部分供电是预备留用的,并没有用到!



OPA2333:运算放大器芯片
啊啊啊啊!!真烦,这一部分看不懂啊!!!!
DGND只跟两个 NMOS 管相连。
▶️ 电流检测值为:
- map(analogRead(a1),0,4095,0,3270)/101/5
- /* 这里实际上是 */
- map(analogRead(a1),0,4095,0,3270)/101/(1000*0.005)
▶️ 这样,画了一个示意图:

DGND 的电流 I 流向 GND 时,PA1检测到的电压为:

故,可知电流检测值的公式由来。
很不错,学到了知识点!!!

基本都是备用留用的,没有用到!
- //USB测试表
- //量程10mA-6.5A
- #include
- #include
- #include
-
- #define OLED_RESET 4
- Adafruit_SSD1306 display(OLED_RESET);
-
- byte a1 = PA1; //大电流采样
- byte a2 = PA2; //小电流采样
- byte dn = PA3; //D-电压采样
- byte dp = PA0; //D+电压采样
- byte wd = PA4; //NTC采样
- byte dy = PA5; //电压采样
-
- byte k1 = PA15; //按键检测
- byte k2 = PB4; //按键检测
- byte k3 = PB10; //按键检测
- byte k4 = PB1; //按键检测
-
- byte M1 = PB9; //大电流控制
- byte M2 = PB8; //小电流控制
-
- float V ; //电源电压
- float VN ; //D-电压
- float VP ; //D+电压
-
- float A ; //电流
- int uA ; //电流
- float W ; //功率
- float R ; //负载
- float C ; //温度
- int Wh ; //电量
- long int T; //时间
- long int WT ; //电功
- long int i; //时间
-
- byte K1,K2,K3,K4; //按键
-
- byte ms = 0;
- void VA(){
- float vn = map(analogRead(dn),0,4095,0,3300); //D-电压采样
- VN = vn*2/1000;
-
- float vp = map(analogRead(dp),0,4095,0,3300); //D+电压采样
- VP = vp*2/1000;
-
- float LV = 0;
- float LA = 0;
- for(byte i = 0; i < 100; i++){
- float v = map(analogRead(dy),0,4095,0,3300); //输出电压采样
- V = v * 11/1000;
- LV = LV + V;
-
- float a = map(analogRead(a1),0,4095,0,3270); //大电流采样
- A = a/101/5;
- LA = LA + A;
- }
- V = LV/100; //平均值
- A = LA/100;
-
- W = V*A; //功率
- if( A > 0){
- R = V/A; //电阻
- if(R >= 100){ R = 99.99; }
- UIT();
- }else{
- R = 0;
- }
- if( A > 6.5){ digitalWrite( M1 ,LOW); } //设置大电流控制接口低电平
- }
- void UIT(){
- if(millis() - T > 1000){
- T = millis();
- WT = WT+W;
- Wh = WT/3.6;
- }
- }
- void NTC(){
- pinMode( wd , INPUT_ANALOG); //模拟量输入
- float r = map(analogRead(wd),0,4095,0,3270); //NTC采样
- float ntc = (10000 * r)/(3270 - r); //计算NTC值
- //K =(3950 * 298.15)/(3950 +(298.15 * log( ntc/ 10000)));
- C = (3950 * 298.15)/(3950 +(298.15 * log( ntc/10000))) - 273.15 - 4; //计算温度
- }
- void SSD1306(){
- display.clearDisplay(); //清理1306屏幕,准备显示:
- display.setTextColor(WHITE); //设置字体颜色
- display.setTextSize(2,2); //设置字体大小,(X,Y)比
-
- display.setCursor( 0 , 0 );
- display.print(V);
- display.setCursor(62, 0 );
- display.print("V");
-
- display.setCursor( 0 , 16 );
- display.print(A,3);
- display.setCursor( 62, 17 );
- display.print("A");
-
- display.setCursor( 0 , 33);
- display.print(W);
- display.setCursor( 62, 33);
- display.print("W");
-
- display.setCursor( 0 , 49);
- display.print(R);
- display.setCursor( 62, 49);
- display.print("R");
-
- display.setTextSize(1);
-
- display.setCursor( 81, 0 );
- display.print(C);
- display.setCursor(116, 0 );
- display.print("C*");
-
- display.setCursor( 81, 8 );
- display.print(VP);
- display.setCursor(116, 8 );
- display.print("D+");
-
- display.setCursor( 81, 17);
- display.print(VN);
- display.setCursor(116, 17);
- display.print("D-");
-
- display.setCursor( 81, 25);
- display.print(Wh);
- display.setCursor(110, 25);
- display.print("mWh");
-
- display.display(); //把缓存都显示
- }
- void setup(){
- Serial.begin(9600);
-
- pinMode( a1 , INPUT_ANALOG);
- pinMode( a2 , INPUT_ANALOG);
- pinMode( dn , INPUT_ANALOG);
- pinMode( dp , INPUT_ANALOG);
- pinMode( wd , INPUT_ANALOG);
- pinMode( dy , INPUT_ANALOG);
-
- pinMode( k1 , INPUT_PULLUP);
- pinMode( k2 , INPUT_PULLUP);
- pinMode( k3 , INPUT_PULLUP);
- pinMode( k4 , INPUT_PULLUP);
-
- pinMode( M1, OUTPUT);
- pinMode( M2, OUTPUT);
-
- digitalWrite( M1 ,HIGH);
- digitalWrite( M2 ,LOW);
-
- display.begin(SSD1306_SWITCHCAPVCC, 0x3C); //OLED通讯地址
- display.clearDisplay();
-
- }
- void loop(){
- VA(); //测量各种东西
- NTC(); //温度检测函数,应该加高温断电功能的!
- KEY(); //按键检测,没用上,相关函数没写
- if(millis() - i > 200){ //刷新
- i = millis();
- SSD1306();
- }
- }
参考:Adafruit_SSD1306库学习_RenKaixuan0124的博客-CSDN博客_ssd1306库
项目资源,来自于原作者负熵生之光
链接:https://pan.baidu.com/s/1QG5SR7RUGEHU3qOS54ZcHg
提取码:dj85
本项目复刻起来比较容易,软件都是库,主要是硬件问题。
🉑 ㊗️ 学会了电流检测的方法!很棒!!!!!!!!
加油学习!!!
都是自己分析开源项目的一些笔记,如果对您有些帮助,点点赞吧!
