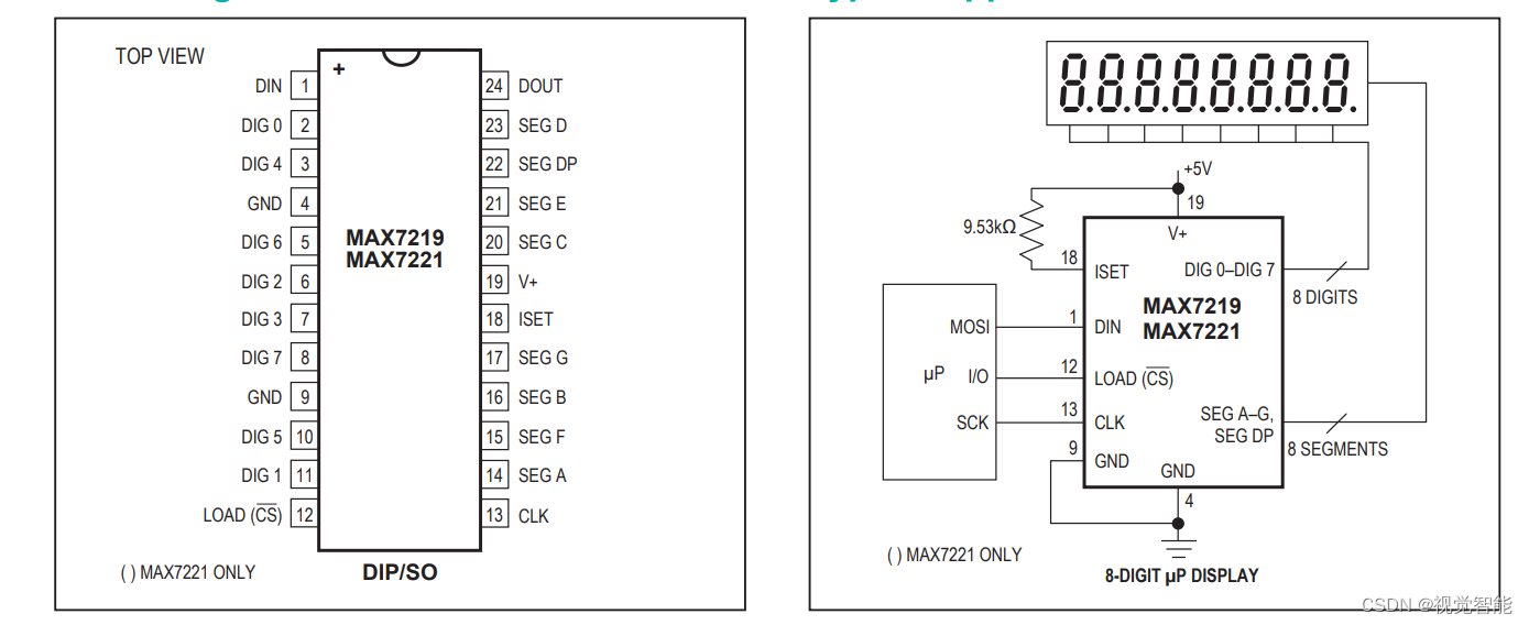
MAX7219/MAX7221是紧凑型串行输入/输出共阴极显示驱动器,可将微处理器(μPs)连接至多达8位的7段数字LED显示器、条形图显示器或64个独立LED。 片上包括 BCD 代码 B 解码器、多路扫描电路、段和数字驱动器以及存储每个数字的 8x8 静态 RAM。 只需要一个外部电阻来设置所有 LED 的段电流。 MAX7221 与 SPI™、QSPI™ 和 MICROWIRE™ 兼容,并具有限摆率的段驱动器以降低 EMI。

一个方便的 4 线串行接口连接到所有常见的 μP。 可以在不重写整个显示的情况下寻址和更新单个数字。 MAX7219还允许用户为每个数字选择code-B解码或不解码。
这些器件包括一个 150μA 低功耗关断模式、模拟和数字亮度控制、一个允许用户显示 1 到 8 位数字的扫描限制寄存器,以及一个强制所有 LED 亮起的测试模式。

MAX7219具有如下特性: