

如何保证信号的稳定?
危害:
继电器的触点在动作时容易产生电弧,电弧具有热效应容易导致触点烧蚀粘接,缩短继电器的寿命,并且产生电弧的过程中会对外进行电磁辐射,对周围的设备产生干扰。
继电器闭合触点刚分离时,间隙极小,电路电压几乎全部加在触头之间,形成很强的电场,阴极的自由电子逸出奔向阳极,成为强电场发射。电子高速运动,碰撞中性气体分子,使其电离。电离后正离子向阴极运动,撞击阴极表面使其温度升高,进而形成热电子发射,并再参与碰撞电离,因此会在电极间形成大量带电粒子,使气体导电形成了炽热的电子流即电弧。
继电器在切断电路时常常会产生电弧,这是不可避免的。通常在触点电压达到10V以上,电流在200mA以上,继电器切断电流时就会产生电弧。
在实际的现实应用中,我们使用半导体开关(MOSFET)来代替机械开关,实现高可靠的导通或关断,同时又存在有高边驱动和低边驱动两种电路;不过MOSFET耐压有限,感应电动势会对其造成损害,下图可以看出无论高边还是低边,都会有一个很大的感应电动势,会在MOS的DS两端叠加成浪涌电压,所以就需要一个钳位保护电路,限制DS两端电压超过其最大可承受值。

方法
1、触点材料:
继电器触点材料采用AgNi、AgPb等高熔点合金材料,可以增强触点的耐电弧腐蚀能力。
2、触点间距:
继电器触点间距要足够大,大于电弧长度,才能确保电弧被拉断熄灭。如果电弧持续燃烧,会把继电器触点烧坏熔化。

3、阻性负载的安全应用
继电器触点的安全工作区可以方便地用开关容量曲线表示。图4给出了某继电器的开关容量曲线,图中折线左下方的电流电压区域为继电器的安全工作区域。虽然厂家给出的额定负载为DC30V/2A,但从图中可以看出DC100V/0.5A的负载也可以用该继电器来开关。超出开关容量范围应用可能会导致继电器电弧失效。

4、非阻性负载触点保护电路
继电器的开关电压、开关电流指标都是针对电阻性负载提出的,对于非电阻性负载(感性负载、容性负载等等),继电器很容易出现拉弧失效或者触点熔化失效,所以要求采用相应的电路作保护。
5、容性负载和灯负载的电弧消除
当继电器负载是电容负载或者是灯负载时,触点闭合时会出现瞬间大电流(注:电容瞬间充放电会产生大电流;灯负载的初始电阻很小,所以开启瞬间电流远大于稳定工作电流)。电容负载引起的冲击电流一般可以达到20~40倍稳态电流,灯负载引起的冲击电流一般可以达到10~15倍稳态电流,通常脉宽1us的异常大电流就可能损坏继电器触点。可以考虑添加串联电感(如图5所示)或者串联限流电阻和电感(如图6所示)的方法限制瞬间电流
6、
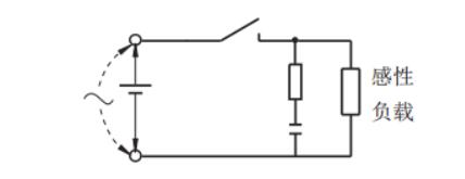
感性负载的保护电路
继电器触点断开感性负载时,感应电压会加到触点两端,感应电压可用公式e=-Ldi/dt来估计,对较大的电感和电流,感应电压常常会高出稳态电压数十倍,导致继电器拉弧失效。因此常用在触点两端加吸收电路来保护触点,抑制干扰。
7、RC保护电路
图7所示电路为触点端的RC保护电路,此电路特点:1)适用于DC电路;2)适用于电源电压为24-48V时;
图8所示电路为负载端的RC保护电路,此电路特点:1)适用于DC和AC电路;2)适用于电源电压为100-200V时。.
R和C的参数选取原则为,R:1V触点电压对应1Ω;C:1A触点电流对应1uF。电容C的耐压一般为200-300V,或负载电压的两倍以上。AC电路需要使用无极性电容器。
图7 触点端的RC保护电路
图8 负载端的RC保护电路
8、二极管保护电路
图9所示为二极管保护电路,此电路特点:1)适用于DC电路;2)释放时间较长;3)选用反向击穿电压至少为电路电压的10倍,正向电流至少为电路最大电流的二极管,如果在电子电路中电路电压并不是很高,也可以使用反向耐压为电源电压2-3倍左右的二极管。
图9 二极管保护电路
9、二极管+稳压二极管保护电路
图10 所示为二极管+稳压二极管保护电路,此电路特点:1)适用于DC电路;2)在二极管方式里加入稳压二极管,可以加快释放时间;3)选用与电源电压相近的稳压二极管;
图10二极管+稳压二极管保护电路
10、压敏电阻保护电路
图11 所示为压敏电阻保护电路,此电路特点:1)适用于DC和AC电路;2)降低触点间较高的电压和电流;3)电源电压为24-48V时,压敏电阻并联在触点端较好,电源电压为100-200V时,压敏电阻并联在负载端较好;4)选用限制电压Vc为电源电压峰值1.5倍的压敏电阻,如果限制电压Vc过高,限制反向电压的效果将不理想。
图11 压敏电阻保护电路
11、
图a中,用一个二极管并联在电感两端,为感生电流提供一个泄放的通路(经常被叫做续流二极管),通过二极管的导通压降把MOS管两端的电压钳位住;它的缺点是放电的速度慢,因为二极管的导通压降很小。这个用法大家应该比较熟悉,开关电源里面经常看到。
图b中,用一个TVS管并联到MOS的DS两端,限制其两端电压,而且可以很快放电,但缺点是TVS管要承受来自于电源的浪涌电压,如7637中的几个波形。
图c中,用一个二极管和TVS管串联后,再并联到电感的两端,二极管用来防止驱动电路正常工作时从此导通,TVS用来钳位,也可以很快放电,所以这种保护电路应用比较广泛。

错误的方法:
不能采用将电容直接与触点或负载并联来保护触点,如图25所示。虽然在触点断开时电容能很好的抑制电压尖峰,但当触点闭合时存贮在电容中的额外能量流过触点,使触点过载,容易出现触点熔接。
图12 错误保护电路
参考链接:https://www.elecfans.com/yuanqijian/jidianqi/201911251121705.html
参考链接:继电器驱动保护电路(下) - 知乎