一、什么是串口
串口通讯(Serial Communication)是一种设备间非常常用的串行通讯方式,因为它简单便捷,因此大部分电子设备都支持该通讯方式,电子工程师在调试设备时也经常使用该通讯方式输出调试信息。
在计算机科学里,大部分复杂的问题都可以通过分层来简化。如芯片被分为内核层和片上外设;STM32HAL库则是在寄存器与用户代码之间的软件层。对于通讯协议,我们也以分层的方式来理解,最基本的是把它分为物理层和协议层。物理层规定通讯系统中具有机械、电子功能部分的特性,确保原始数据在物理媒体的传输。协议层主要规定通讯逻辑,统一收发双方的数据打包、解包标准。简单来说物理层规定我们用嘴巴还是用肢体来交流,协议层则规定我们用中文还是英文来交流。
下面我们分别对串口通讯协议的物理层及协议层进行讲解。
1、 物理层
串口通讯的物理层有很多标准及变种,我们主要讲解RS-232标准 ,RS-232标准主要规定了信号的用途、通讯接口以及信号的电平标准。
使用RS-232标准的串口设备间常见的通讯结构见 图20_1。

图 20‑1 串口通讯结构图
在上面的通讯方式中,两个通讯设备的“DB9接口”之间通过串口信号线建立起连接,串口信号线中使用“RS-232标准”传输数据信号。由于RS-232电平标准的信号不能直接被控制器直接识别,所以这些信号会经过一个“电平转换芯片”转换成控制器能识别的“TTL标准”的电平信号,才能实现通讯。
2、 电平标准
根据通讯使用的电平标准不同,串口通讯可分为TTL标准及RS-232标准,见表20‑1。
表 20‑1 TTL电平标准与RS232电平标准
| 通讯标准 | 电平标准(发送端) |
|---|---|
| 5V TTL | 逻辑1:2.4V-5V |
| 逻辑0:0~0.5V | |
| RS-232 | 逻辑1:-15V~-3V |
| 逻辑0:+3V~+15V |
我们知道常见的电子电路中常使用TTL的电平标准,理想状态下,使用5V表示二进制逻辑1,使用0V表示逻辑0;而为了增加串口通讯的远距离传输及抗干扰能力, 它使用-15V表示逻辑1,+15V表示逻辑0。使用RS232与TTL电平校准表示同一个信号时的对比见 图20_2。

图 20‑2 RS-232与TTL电平标准下表示同一个信号
因为控制器一般使用TTL电平标准,所以常常会使用MA3232芯片对TTL及RS-232电平的信号进行互相转换。
3、RS-232信号线
在最初的应用中,RS-232串口标准常用于计算机、路由与调制调解器(MODEN,俗称“猫”)之间的通讯 ,在这种通讯系统中,设备被分为数据终端设备DTE(计算机、路由)和数据通讯设备DCE(调制调解器)。我们以这种通讯模型讲解它们的信号线连接方式及各个信号线的作用。
在旧式的台式计算机中一般会有RS-232标准的COM口(也称DB9接口),见 图20_3。

图 20‑3 电脑主板上的COM口及串口线
其中接线口以针式引出信号线的称为公头,以孔式引出信号线的称为母头。在计算机中一般引出公头接口,而在调制调解器设备中引出的一般为母头,使用上图中的串口线即可把它与计算机连接起来。通讯时,串口线中传输的信号就是使用前面讲解的RS-232标准调制的。
在这种应用场合下,DB9接口中的公头及母头的各个引脚的标准信号线接法见 图20_4 及 表20_2。

图 20‑4 DB9标准的公头及母头接法
表 20‑2 DB9信号线说明(公头,为方便理解,可把DTE理解为计算机,DCE理解为调制调解器)
| 序号 | 名称 | 符号 | 数据方向 | 说明 |
|---|---|---|---|---|
| 1 | 载波检测 | DCD | DTEDCE | Data Carrier Detect,数据载波检测,用于DTE告知对方,本机是否收到对方的载波信号 |
| 2 | 接收数据 | RXD | DTEDCE | Receive Data,数据接收信号,即输入 。 |
| 3 | 发送数据 | TXD | DTEDCE | Transmit Data,数据发送信号,即输出。两个设备之间的TXD与RXD应交叉相连 |
| 4 | 数据终端 (DTE) 就绪 | DTR | DTEDCE | Data Terminal Ready,数据终端就绪,用于DTE向对方告知本机是否已准备好 |
| 5 | 信号地 | GND | 地线,两个通讯设备之间的地电位可能不一样,这会影响收发双方的电平信号,所以两个串口设备之间必须要使用地线连接,即共地。 | |
| 6 | 数据设备(DCE)就绪 | DSR | DTEDCE | Data Set Ready,数据发送就绪,用于DCE告知对方本机是否处于待命状态 |
| 7 | 请求发送 | RTS | DTEDCE | Request To Send,请求发送, DTE 请求 DCE 本设备向DCE端发送数据 |
| 8 | 允许发送 | CTS | DTEDCE | Clear To Send,允许发送,DCE回应对方的RTS发送请求,告知对方是否可以发送数据 |
| 9 | 响铃指示 | RI | DTEDCE | Ring Indicator,响铃指示,表示DCE端与线路已接通 |
上表中的是计算机端的DB9公头标准接法,由于两个通讯设备之间的收发信号(RXD与TXD)应交叉相连, 所以调制调解器端的DB9母头的收发信号接法一般与公头的相反,两个设备之间连接时, 只要使用“直通型”的串口线连接起来即可,见 图20_5。

图 20‑5 计算机与调制调解器的信号线连接
串口线中的RTS、CTS、DSR、DTR及DCD信号,使用逻辑 1表示信号有效,逻辑0表示信号无效。例如,当计算机端控制DTR信号线表示为逻辑1时,它是为了告知远端的调制调解器,本机已准备好接收数据,0则表示还没准备就绪。
在目前的其它工业控制使用的串口通讯中,一般只使用RXD、TXD以及GND三条信号线,直接传输数据信号,而RTS、CTS、DSR、DTR及DCD信号都被裁剪掉了。
4、协议层
串口通讯的数据包由发送设备通过自身的TXD接口传输到接收设备的RXD接口。在串口通讯的协议层中,规定了数据包的内容, 它由启始位、主体数据、校验位以及停止位组成,通讯双方的数据包格式要约定一致才能正常收发数据,其组成见 图20_6。

图 20‑6 串口数据包的基本组成
5、 波特率
本章中主要讲解的是串口异步通讯,异步通讯中由于没有时钟信号(如前面讲解的DB9接口中是没有时钟信号的), 所以两个通讯设备之间需要约定好波特率,即每个码元的长度,以便对信号进行解码, 图20_6 中用虚线分开的每一格就是代表一个码元。常见的波特率为4800、9600、115200等。
6、通讯的起始和停止信号
串口通讯的一个数据包从起始信号开始,直到停止信号结束。数据包的起始信号由一个逻辑0的数据位表示,而数据包的停止信号可由0.5、1、1.5或2个逻辑1的数据位表示,只要双方约定一致即可。
7、有效数据
在数据包的起始位之后紧接着的就是要传输的主体数据内容,也称为有效数据,有效数据的长度常被约定为5、6、7或8位长。
8、数据校验
在有效数据之后,有一个可选的数据校验位。由于数据通信相对更容易受到外部干扰导致传输数据出现偏差,可以在传输过程加上校验位来解决这个问题。校验方法有奇校验(odd)、偶校验(even)、0校验(space)、1校验(mark)以及无校验(noparity)。
奇校验要求有效数据和校验位中“1”的个数为奇数,比如一个8位长的有效数据为:01101001,此时总共有4个“1”,为达到奇校验效果,校验位为“1”,最后传输的数据将是8位的有效数据加上1位的校验位总共9位。
偶校验与奇校验要求刚好相反,要求帧数据和校验位中“1”的个数为偶数,比如数据帧:11001010,此时数据帧“1”的个数为4个,所以偶校验位为“0”。
0校验是不管有效数据中的内容是什么,校验位总为“0”,1校验是校验位总为“1”。
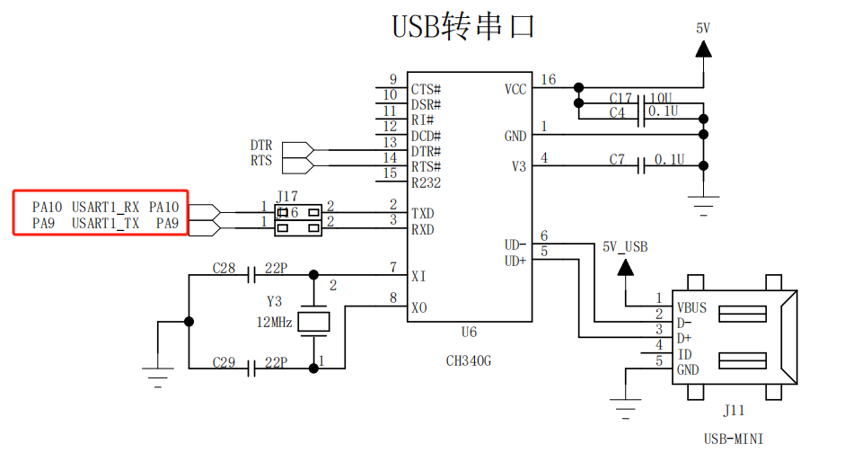
二、硬件电路
1、UART1硬件电路见下图:


三、STM32CubeMX软件操作
1、IO口设置、串口设置

2、时钟树设置

四、HAL重点代码示例
1、UART函数:
*注意:
*C语言中的标准库中所用的标准输入输出函数,默认的输出设备是显示器,要实现串口或LCD的输出,必须重新定义标准库函数里与输出函数相关的函数。例如:printf输出到串口,需要将fputc里面的输出指向串口(重定向),方法如下:只要自己添加一个int fputc(int ch, FILE f)函数,能够输出字符就可以了。
在usart.c文件后面添加如下代码,代码中添加了#ifdef宏定义进行条件编译,如果使用GUNC编译,则PUTCHAR_PROTOTYPE 定义为int __io_putchar(int ch)函数,否则定义为int fputc(int ch, FILE *f)函数。UART代码如下:
/* Includes ------------------------------------------------------------------*/
#include "usart.h"
/* USER CODE BEGIN 0 */
#include "stdio.h"
#ifdef __GNUC__
/* With GCC/RAISONANCE, small printf (option LD Linker->Libraries->Small printf
set to 'Yes') calls __io_putchar() */
#define PUTCHAR_PROTOTYPE int __io_putchar(int ch)
#else
#define PUTCHAR_PROTOTYPE int fputc(int ch, FILE *f)
#endif /* __GNUC__ */
/**
* @brief Retargets the C library printf function to the USART.
* @param None
* @retval None
*/
PUTCHAR_PROTOTYPE
{
/* Place your implementation of fputc here */
/* e.g. write a character to the EVAL_COM1 and Loop until the end of transmission */
HAL_UART_Transmit(&huart1, (uint8_t *)&ch, 1, 0xFFFF);
return ch;
}
/* USER CODE END 0 */
2、主函数:
/* USER CODE BEGIN Header */
/**
******************************************************************************
* @file : main.c
* @brief : Main program body
******************************************************************************
* @attention
*
* © Copyright (c) 2024 STMicroelectronics.
* All rights reserved.
*
* This software component is licensed by ST under BSD 3-Clause license,
* the "License"; You may not use this file except in compliance with the
* License. You may obtain a copy of the License at:
* opensource.org/licenses/BSD-3-Clause
*
******************************************************************************
*/
/* USER CODE END Header */
/* Includes ------------------------------------------------------------------*/
#include "main.h"
#include "usart.h"
#include "gpio.h"
/* Private includes ----------------------------------------------------------*/
/* USER CODE BEGIN Includes */
#include "stdio.h"
/* USER CODE END Includes */
/* Private typedef -----------------------------------------------------------*/
/* USER CODE BEGIN PTD */
/* USER CODE END PTD */
/* Private define ------------------------------------------------------------*/
/* USER CODE BEGIN PD */
/* USER CODE END PD */
/* Private macro -------------------------------------------------------------*/
/* USER CODE BEGIN PM */
/* USER CODE END PM */
/* Private variables ---------------------------------------------------------*/
/* USER CODE BEGIN PV */
/* USER CODE END PV */
/* Private function prototypes -----------------------------------------------*/
void SystemClock_Config(void);
/* USER CODE BEGIN PFP */
/* USER CODE END PFP */
/* Private user code ---------------------------------------------------------*/
/* USER CODE BEGIN 0 */
/* USER CODE END 0 */
/**
* @brief The application entry point.
* @retval int
*/
int main(void)
{
/* USER CODE BEGIN 1 */
/* USER CODE END 1 */
/* MCU Configuration--------------------------------------------------------*/
/* Reset of all peripherals, Initializes the Flash interface and the Systick. */
HAL_Init();
/* USER CODE BEGIN Init */
/* USER CODE END Init */
/* Configure the system clock */
SystemClock_Config();
/* USER CODE BEGIN SysInit */
/* USER CODE END SysInit */
/* Initialize all configured peripherals */
MX_GPIO_Init();
MX_USART1_UART_Init();
/* USER CODE BEGIN 2 */
/* USER CODE END 2 */
/* Infinite loop */
/* USER CODE BEGIN WHILE */
while (1)
{
printf("Hello Myboad\r\n");
HAL_GPIO_TogglePin(LED_GPIO_Port,LED_Pin);
HAL_Delay(1000);
/* USER CODE END WHILE */
/* USER CODE BEGIN 3 */
}
/* USER CODE END 3 */
}
/**
* @brief System Clock Configuration
* @retval None
*/
void SystemClock_Config(void)
{
RCC_OscInitTypeDef RCC_OscInitStruct = {0};
RCC_ClkInitTypeDef RCC_ClkInitStruct = {0};
/** Initializes the RCC Oscillators according to the specified parameters
* in the RCC_OscInitTypeDef structure.
*/
RCC_OscInitStruct.OscillatorType = RCC_OSCILLATORTYPE_HSE;
RCC_OscInitStruct.HSEState = RCC_HSE_ON;
RCC_OscInitStruct.HSEPredivValue = RCC_HSE_PREDIV_DIV1;
RCC_OscInitStruct.HSIState = RCC_HSI_ON;
RCC_OscInitStruct.PLL.PLLState = RCC_PLL_ON;
RCC_OscInitStruct.PLL.PLLSource = RCC_PLLSOURCE_HSE;
RCC_OscInitStruct.PLL.PLLMUL = RCC_PLL_MUL9;
if (HAL_RCC_OscConfig(&RCC_OscInitStruct) != HAL_OK)
{
Error_Handler();
}
/** Initializes the CPU, AHB and APB buses clocks
*/
RCC_ClkInitStruct.ClockType = RCC_CLOCKTYPE_HCLK|RCC_CLOCKTYPE_SYSCLK
|RCC_CLOCKTYPE_PCLK1|RCC_CLOCKTYPE_PCLK2;
RCC_ClkInitStruct.SYSCLKSource = RCC_SYSCLKSOURCE_PLLCLK;
RCC_ClkInitStruct.AHBCLKDivider = RCC_SYSCLK_DIV1;
RCC_ClkInitStruct.APB1CLKDivider = RCC_HCLK_DIV2;
RCC_ClkInitStruct.APB2CLKDivider = RCC_HCLK_DIV1;
if (HAL_RCC_ClockConfig(&RCC_ClkInitStruct, FLASH_LATENCY_2) != HAL_OK)
{
Error_Handler();
}
}
/* USER CODE BEGIN 4 */
/* USER CODE END 4 */
/**
* @brief This function is executed in case of error occurrence.
* @retval None
*/
void Error_Handler(void)
{
/* USER CODE BEGIN Error_Handler_Debug */
/* User can add his own implementation to report the HAL error return state */
/* USER CODE END Error_Handler_Debug */
}
#ifdef USE_FULL_ASSERT
/**
* @brief Reports the name of the source file and the source line number
* where the assert_param error has occurred.
* @param file: pointer to the source file name
* @param line: assert_param error line source number
* @retval None
*/
void assert_failed(uint8_t *file, uint32_t line)
{
/* USER CODE BEGIN 6 */
/* User can add his own implementation to report the file name and line number,
tex: printf("Wrong parameters value: file %s on line %d\r\n", file, line) */
/* USER CODE END 6 */
}
#endif /* USE_FULL_ASSERT */
/************************ (C) COPYRIGHT STMicroelectronics *****END OF FILE****/
3、试验效果:
实现了串口打印的时候红色LED闪烁一次的效果
