






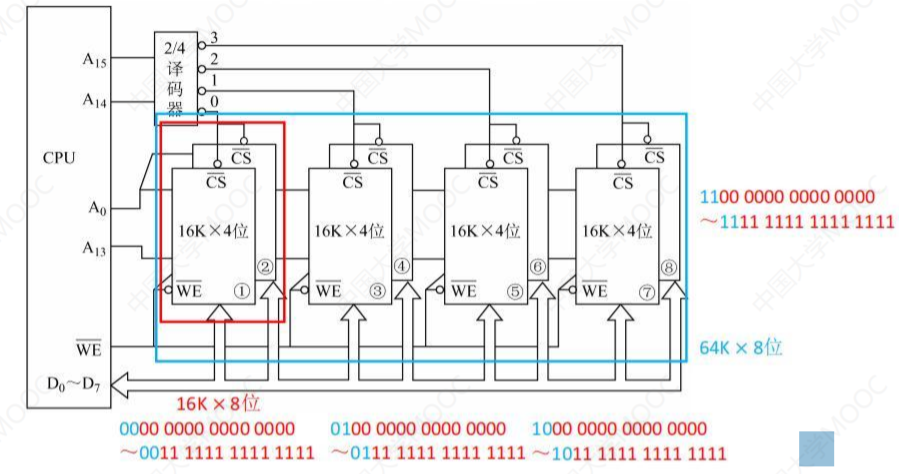
| 线选法 | 译码片选法 |
|---|---|
| n条线->n个选片信号 | n条线->2的n次方个选片信号 |
| 电路简单 | 电路复杂 |
| 地址空间不连续 | 地址空间可连续 |






作用:优化多核CPU访问一根内存条的速度
需要有两组完全独立的数据线、地址线、控制线。CPU、RAM中也要有更复杂的控制电路
两个端口对同一主存操作有以下4种情况:
解决方法:置“忙”信号为0,由判断逻辑决定暂时关闭一个端口(即被延时),未被关闭的端口正常访问,被关闭的端口延长一个很短的时间段后再访问

应该去几个“体”
采用“流水线”的方式并行存取(宏观上并行,微观上串行)
宏观上,一个存储周期内,m体交叉存储器可以提供的数据量为单个模块的m倍。
存取周期为T,存取时间为r,为了流水线不间断,应保证模块数m>=T/r
存取周期为T,总线传输周期为r,为了使流水线不间断,应保证模块数m>=T/r


多体并行存储器
每个模块都有相同的容量和存取速度
各模块都有独立的读写控制电路、地址寄存器和数据寄存器。它们既能并行工作,又能交叉工作。

单体多字存储器
每个存储单元存储m个字
总线宽度也为m个字
一次并行读出m个字
每次只能同时取m个字,不能单独取其中某个字
指令和数据在主存内必须是连续存放的