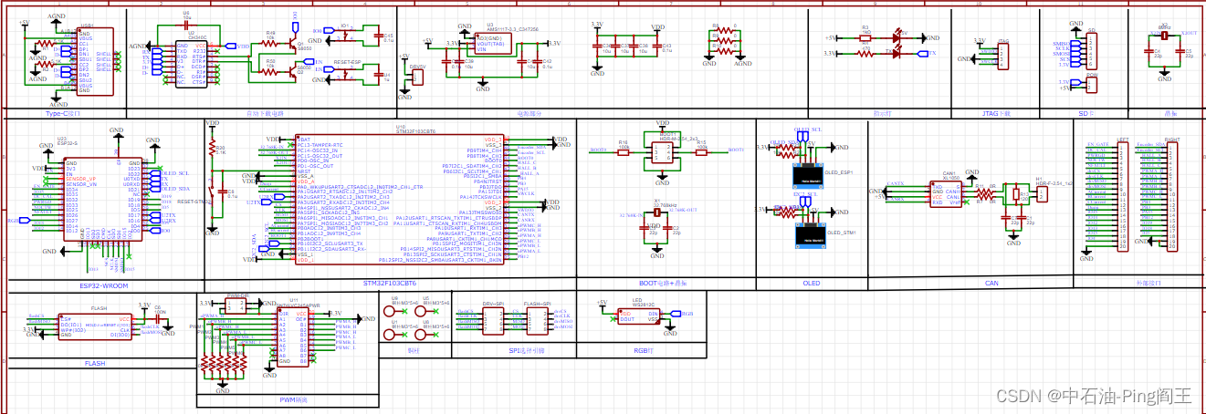
从今年四五月份一直就想玩个无刷直流电机(BLDC),但是碍于一直没时间。其实很早就做出来了测试板的控制板,可以当做开发板使用,考虑到成本问题,最后选用STM32F103CBT6芯片,下面是很久之前做的控制板:


上面还加了一个ESP32芯片,但是设想的是使用BLE(低功耗蓝牙)与手机通信,接收数据并发送给STM32芯片,改变OLED屏幕显示内容等功能,目前这部分在几个月之前已经实现,然后就是驱动板,绘制完了原理图,画完PCB了,但是一直没打板,也就把这个东西搁置了,最近突然想起来就把电路板打了,今天焊接完了驱动板,下面是原理图和3D图:


当时想的就是控制板在上面,驱动板放在下面,由DRV8301芯片的BUCK电路输出的5V给控制板供电,(控制板叫做JAM,果酱的意思;驱动板叫JAM PIE,果酱饼的意思,哈哈哈哈),现在两个板子的连接如下:

有些地方有问题,只能通过飞线进行走线,看上去乱了点,后续测试通过后,会将两块板子合在一起,做一个专用的BLDC驱动器,目前只支持AS5600磁编码器(有外接的I2C接口,只要是可以用I2C的编码器即可)和霍尔传感器。下面是上电之后的状态:

首先放上我的DRV8301部分的原理图,希望有大佬可以帮我解决一下:


芯片是在t宝上买的,很便宜,四块多,也有很大的可能性是芯片不行:

该引脚接到STM32的PB4输出,已经配置为下拉,在电路上也放了下拉电阻,但是上电后会出现奇怪的现象:
就算给EN_GATE高电平3V左右,使能DRV8301芯片的栅极等功能,但是GVDD输出极低,仅有0.几V;CP1和CP2的电荷泵电压也非常低。
DVDD输出正常,为3.3V
AVDD也有输出,但是输出6.8V,较正常输出6V要高
现在是给DRV8301固定的PWM波,由于GVDD以及电荷泵输出不正常,栅极上都没有信号,而且高边MOSEFET上会有固定时间的间隔的尖波脉冲。
出现问题,还得看数据手册,从里面一般会找到问题放解决办法。
The DRV8301 is a gate driver IC for three-phasemotor drive applications. The device provides threehalf-bridge drivers, each capable of driving two Nchannel MOSFETs. The DRV8301 supports up to1.7-A source and 2.3-A peak current capability. The DRV8301 can operate off of a single power supplywith a wide range from 6-V to 60-V. The device uses a bootstrap gate driver architecture with trickle charge circuitry to support 100% duty cycle. The DRV8301uses automatic handshaking when the high-side orlow-side MOSFET is switching to prevent flow ofcurrent. Integrated VDS sensing of the high-side andlow-side MOSFETs is used to protect the externalpower stage against overcurrent conditions.
The DRV8301 includes two current shunt amplifiers for accurate current measurement. The amplifiers support bidirectional current sensing and provide an adjustable output offset up to 3 V.
The DRV8301 also includes an integrated switching mode buck converter with adjustable output and switching frequency. The buck converter can provide up to 1.5 A to support MCU or additional system power needs.
The SPI provides detailed fault reporting and flexible parameter settings such as gain options for the current shunt amplifiers and slew rate control of the gate drivers.
DRV8301是一款用于三相电机驱动应用的栅极驱动IC。该器件提供三个半桥驱动器,每个驱动器能够驱动两个Nchannel mosfet。DRV8301支持高达1.7 a的电源和2.3 a的峰值电流能力。DRV8301可以在6v到60v的宽电压范围内单电源工作。该器件采用带涓流充电电路的自举栅极驱动架构,支持100%占空比。当高侧或低侧MOSFET切换时,DRV8301使用自动握手来防止电流流动。高侧和低侧mosfet的集成VDS传感用于保护外部功率级免受过流情况的影响。
DRV8301包括两个电流分流放大器,用于精确的电流测量。放大器支持双向电流传感,并提供可调输出失调高达3v。
DRV8301还包括一个集成的开关模式降压转换器,具有可调的输出和开关频率。降压转换器可以提供高达1.5 A的功率,以支持MCU或其他系统的电源需求。
SPI提供详细的故障报告和灵活的参数设置,如当前分流放大器的增益选项和栅极驱动器的压摆率控制。

具体引脚的功能可以参考大佬的文章:DRV8301的使用




超过绝对最大额定值的压力可能会对设备造成永久性损坏。这些仅是压力额定值,不暗示设备在这些或超出推荐操作条件的任何其他条件下的功能操作。长时间暴露在绝对最大额定条件下可能会影响设备的可靠性。

CLK空闲是为低电平,下降沿采集数据,详细的在后续SPI的读写数据时进行介绍。
本期博客暂时先到这,时间也比较晚了,后续有时间继续学习!!!