1、FOC多路PWM驱动
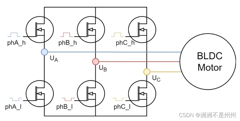
在BLDC电机控制上,6路PWM 控制模式比3路PWM更自由,因为6个半桥式晶体管的每一个都可以单独控制。
(1)3PWM

(2)6PWM

2、死区时间
开关元器件的和严格意义并不是相同的。IGBT,MOS并不是理想开关器件,其开通时间和关断时间不是严格一致的,如果两端有电压,将导致直流电源短路,损坏桥臂功率器件,称之为“桥臂直通”。所以在驱动开关元器件门极的时候需要增加一段延时,确保另一个开关管完全关断之后再去打开这个开关元器件,通常存在两种情况:
上半桥关断后,延迟一段时间再打开下半桥;
下半桥关断后,延迟一段时间再打开上半桥;
这样就不会同时导通,从而避免功率元件烧毁。
相对于PWM来说,死区时间是在PWM输出的这个时间,上下管都不会有输出,当然会使波形输出中断,死区时间一般只占百分之几的周期。但是当PWM波本身占空比小时,空出的部分要比死区还大,所以死区会影响输出的纹波,但应该不是起到决定性作用的。
另外如果死区设置过小,但是仍然出现上下管同时导通,因为导通时间非常非常短,电流没有变得很大,不足以烧毁系统,那此时会导致开关元器件发热严重,所以选择合适的死区时间尤为重要,过大过小都不行。
