码农知识堂 - 1000bd
  •   Python
  •   PHP
  •   JS/TS
  •   JAVA
  •   C/C++
  •   C#
  •   GO
  •   Kotlin
  •   Swift
  • 宽带放大器设计举例


    文章目录

    • 一、仪表放大器单电源供电实例讲解
    • 二、可变增益放大器
      • ADI的可变增益宽带放大器AD603
    • 三、宽带放大器设计实例

    一、仪表放大器单电源供电实例讲解

    在这里插入图片描述
    单电源供电需要在Ref脚加一个直流电给输入信号加一个直流偏置
    在这里插入图片描述
    在这里插入图片描述
    在这里插入图片描述

    二、可变增益放大器

    在这里插入图片描述

    ADI的可变增益宽带放大器AD603

    在这里插入图片描述
    在这里插入图片描述
    在这里插入图片描述
    在这里插入图片描述
    在这里插入图片描述
    在这里插入图片描述
    在这里插入图片描述
    如果是DAC输出接VC端不需要接电压跟随器因为DAC输出就是接了个电压跟随器或者2倍同相比例,不需要多此一举
    在这里插入图片描述

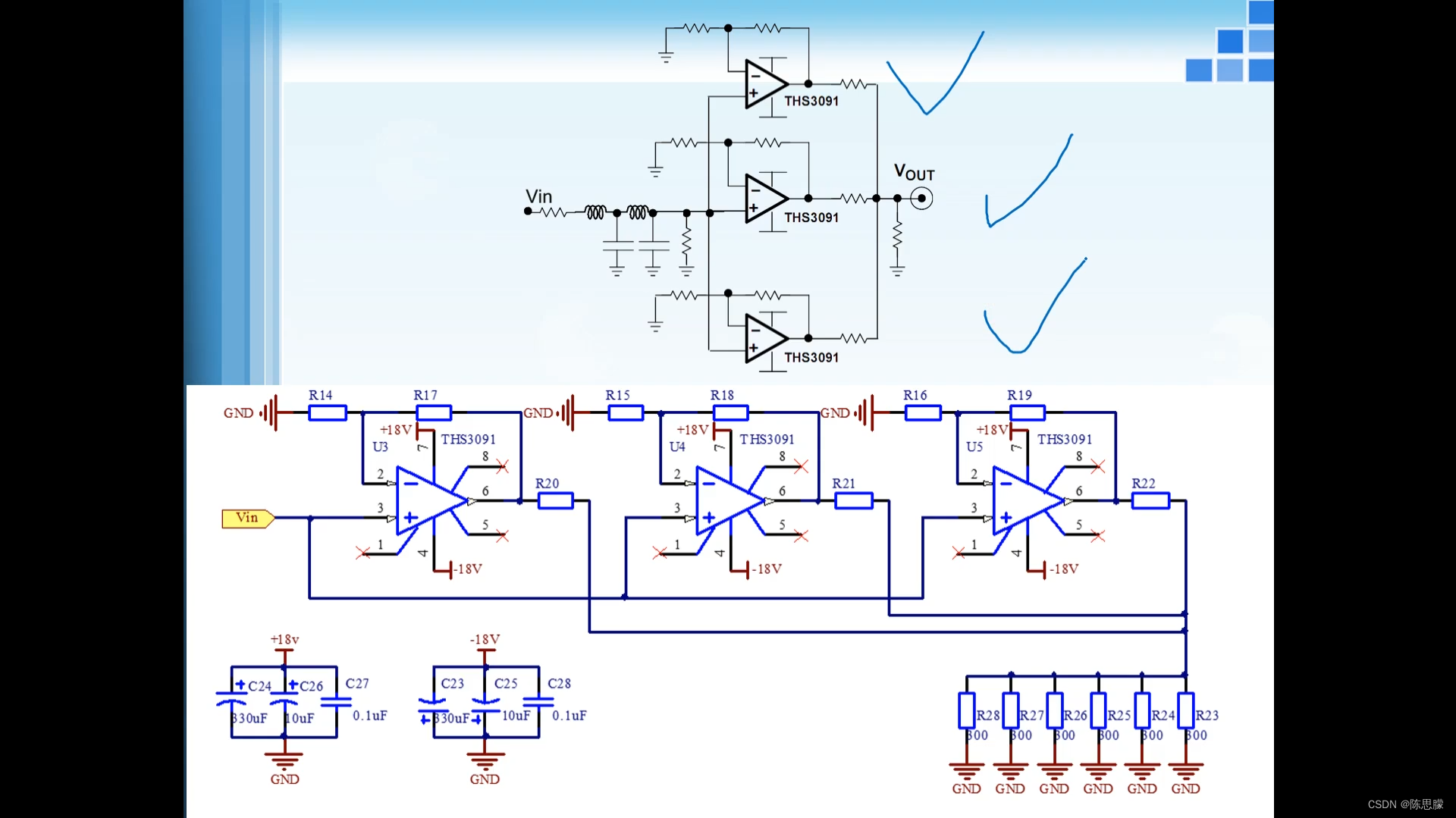
    三、宽带放大器设计实例

    在这里插入图片描述
    在这里插入图片描述
    在这里插入图片描述
    在这里插入图片描述
    在这里插入图片描述
    在这里插入图片描述
    第一级用OPA847
    在这里插入图片描述
    在这里插入图片描述
    在这里插入图片描述
    中间级放大要用电流反馈
    在这里插入图片描述
    再用可变增益放大器

    在这里插入图片描述
    在这里插入图片描述在这里插入图片描述
    在这里插入图片描述
    在这里插入图片描述
    在这里插入图片描述
    在这里插入图片描述
    在这里插入图片描述
    或者再加一级高速电流反馈运放
    在这里插入图片描述
    在这里插入图片描述
    在这里插入图片描述
    在这里插入图片描述
    在这里插入图片描述
    在这里插入图片描述
    在这里插入图片描述
    在这里插入图片描述

  • 相关阅读:
    基于springboot2+mybatis-plus+jsp增删改查
    PostCSS概述
    MySQL小记——DDL、DML、DQL
    MySQL中WEEK()函数刨坑
    pymysql执行非查询语句会自动提交事务,关闭事务自动提交
    【工具】typora的一些配置
    js---类
    Python从入门到实践(四)if语句
    SI24R1国产低功耗2.4GHz收发一体射频遥控工控答题卡方案芯片替代NRF24L01+
    webserver——三、数据库
  • 原文地址:https://blog.csdn.net/Malqaq/article/details/133876260
  • 最新文章
  • 攻防演习之三天拿下官网站群
    数据安全治理学习——前期安全规划和安全管理体系建设
    企业安全 | 企业内一次钓鱼演练准备过程
    内网渗透测试 | Kerberos协议及其部分攻击手法
    0day的产生 | 不懂代码的"代码审计"
    安装scrcpy-client模块av模块异常,环境问题解决方案
    leetcode hot100【LeetCode 279. 完全平方数】java实现
    OpenWrt下安装Mosquitto
    AnatoMask论文汇总
    【AI日记】24.11.01 LangChain、openai api和github copilot
  • 热门文章
  • 十款代码表白小特效 一个比一个浪漫 赶紧收藏起来吧!!!
    奉劝各位学弟学妹们,该打造你的技术影响力了!
    五年了,我在 CSDN 的两个一百万。
    Java俄罗斯方块,老程序员花了一个周末,连接中学年代!
    面试官都震惊,你这网络基础可以啊!
    你真的会用百度吗?我不信 — 那些不为人知的搜索引擎语法
    心情不好的时候,用 Python 画棵樱花树送给自己吧
    通宵一晚做出来的一款类似CS的第一人称射击游戏Demo!原来做游戏也不是很难,连憨憨学妹都学会了!
    13 万字 C 语言从入门到精通保姆级教程2021 年版
    10行代码集2000张美女图,Python爬虫120例,再上征途
Copyright © 2022 侵权请联系2656653265@qq.com    京ICP备2022015340号-1
正则表达式工具 cron表达式工具 密码生成工具

京公网安备 11010502049817号