💥💥💞💞欢迎来到本博客❤️❤️💥💥
🏆博主优势:🌞🌞🌞博客内容尽量做到思维缜密,逻辑清晰,为了方便读者。
⛳️座右铭:行百里者,半于九十。
📋📋📋本文目录如下:🎁🎁🎁
目录
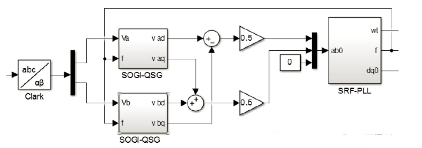
基于双二阶广义积分器的三相锁相环(DSOGI-PLL)是一种先进的频率自动控制技术,它利用相位的自动调节来实现精确的频率控制。锁相环PLL是一种相位反馈系统,其核心目标是获取随时间变化的正弦波的瞬时相位。近年来,二阶广义积分器(Second-Order General Integrator,SOGI)作为一种新型的滤波器结构,得到了广泛的应用和发展。
SOGI是一种基于二阶积分器的滤波器,它具有较高的精度和可靠性。相对于传统的滤波器结构,SOGI具有更好的抗干扰能力和更快的响应速度。它能够有效地滤除噪声和干扰,提供清晰稳定的输出信号。这使得SOGI在各种领域中得到了广泛的应用,包括电力系统、通信系统、控制系统等。
在三相锁相环中,DSOGI-PLL采用了双二阶广义积分器的结构,进一步提高了系统的性能和稳定性。通过使用双二阶广义积分器,DSOGI-PLL能够更准确地捕捉和跟踪输入信号的相位变化,实现精确的频率控制。同时,DSOGI-PLL还具有较低的失调误差和较小的相位偏移,能够在复杂的电力环境中保持良好的性能。
总之,基于双二阶广义积分器的三相锁相环(DSOGI-PLL)是一种先进的频率自动控制技术,具有高精度、高可靠性和良好的抗干扰能力。它在电力系统和其他领域中的应用前景广阔,将为实现理想的频率控制提供有效的解决方案。


仿真步长 1e-6s,分别对电网电压 50Hz、不平衡、含谐畸变、含直流偏置、电网电压55Hz、电网电压45Hz 六种工况进行锁相。





文章中一些内容引自网络,会注明出处或引用为参考文献,难免有未尽之处,如有不妥,请随时联系删除。
[1]徐晟灏,姜建国,刘贺等.二阶广义积分锁相环在三电平SVG中的应用[J].电测与仪表,2018,55(04):34-39.
[4]孟彦京,吴辉,王素娥.基于改进型双二阶广义积分器的软件锁相环实现[J].陕西科技大学学报:自然科学版, 2016, 34(3):5.DOI:10.3969/j.issn.1000-5811.2016.03.030.
[3]陆原,汪周玮,郭素兵.基于单二阶广义积分器的三相数字锁相环设计[J].电测与仪表, 2015, 52(6):6.DOI:10.3969/j.issn.1001-1390.2015.06.018.