机电传动控制设计
目录
机电传动控制设计 1
一、 选题情况 3
二、 题目要求概述 3
1.自动门控制装置的硬件组成: 3
2.控制要求: 3
2、 方案论证 3
方案一的设计 4
3、 确定方案 4
四、 方案实现 5
1、设计原理 5
图 2 5
(图片详见附录一) 5
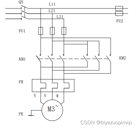
1、 硬件设计 5
自动感应门机组由以下部件组成: 6
(图片详见附录二) 6
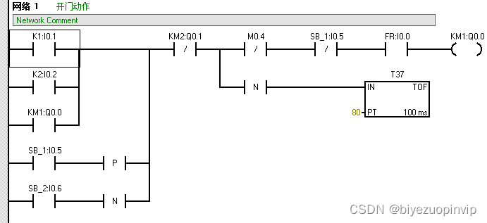
2、 软件设计 7
(此为已改进的程序见附录四,未改进的基本程序详见附录三) 8
五、 总结 8
技术实现技巧和创新点: 8
遇到的问题和解决的方法: 8
作品存在的问题和改进设想: 8
收获与体会: 8
附录一 9
附录三 11
附录四 11
原程序:(自动门控制装置(未改进前).mwp) 11
修改后的原程序:(自动门控制装置(改增加手动操作).mwp) 11
题目要求概述
1.自动门控制装置的硬件组成:
自动门控制装置由门内光电探测开关 K1、门外光电探测开关 K2、开门到位限位开关K3、关门到限位开关 K4、开门执行机构 KM1(使直流电动机正转)、关门执行机构KM2(使直流电动机反转)等部件组成。
2.控制要求:
1)当有人由内到外或由外到内通过光电检测开关 K1 或 K2 时,开门执行机构 KM1 动作,电动机正转,到达开门限位开关 K3 位置时,电机停止运行。
2)自动门在开门位置停留 8 秒后,自动进入关门过程,关门执行机构 KM2 被起动, 电动机反转,当门移动到关门限位开关 K4 位置时,电机停止运行。
3)在关门过程中,当有人员由外到内或由内到外通过光电检测开关 K2 或 K1 时,应立即停止关门,并自动进入开门程序。 4)在门打开后的 8 秒等待时间内,若有人员由外至内或由内至外通过光电检测开关K2 或 K1 时,必须重新开始等待 8 秒后,再自动进入关门过程,以保证人员安全通过。
三、 方案设计
1、 系统框架

2、 方案论证
自动旋转门是楼宇设备中的光机电一体化技术产品,它可有效地防风、防尘和隔音,从而改善了大厦入口附近的环境。旋转门的最大优点在于它"永远开门,又永远关门",即对于行人来说,门总可以打开,可对于建筑物来说门又总是关着。自动旋转门由于其永远开启的同时又永远关闭的特点,使其动态密封效果较好。因此,自动旋转门在功能方而具有独特的发展。 但在人员流量方面自动旋转门却没有优势,因为门的转速是固定的,每个门翼之间可容纳的人员也是有限的。每种自动旋转门都有标定的人员流量数值。自动旋转门由于其永远开启的同时又永远关闭的特点,使其动态密封效果在经常使用的条件下相对于其他自动门要好。由于自动旋转门的人流量有限,通常在自动旋转门两侧另设自动或手动平开门,一方而增加通行能力,另一方面当自动旋转门出现故障时,不影响人的通过。但在静态密封效果方面,自动旋转门远不如其他自动门,因为其门体运动方式决定着只能使用毛条密封。旋转门主要设计是从门体传动系统控制系统检测系统,安全系统等几个方面进行考虑。从上面几个方面以及三翼旋转式自动门的主体结构由门体结构、驱动系统、传动系统和控制系统四大部分构成,根据对这四大部分作出分析后拟定以下两个自动门的设计方案。

























