✅作者简介:热爱科研的Matlab仿真开发者,修心和技术同步精进,matlab项目合作可私信。
🍎个人主页:Matlab科研工作室
🍊个人信条:格物致知。
更多Matlab仿真内容点击👇
摘要:三相桥式全控整流电路在现代电力电子技术中具有很重要的作用和很广泛的应用。这里结合全控整流电路理论基础,采用Matlab的仿真工具Simulink对三相桥式全控整流电路的进行仿真,对输出参数进行仿真及验证,进一步了解三相桥式全控整流电路的工作原理。
关键词:simulink 三相桥式全控整流 仿真
一、研究背景
随着社会生产和科学技术的发展,整流电路在自动控制系统、测量系统和发电机励磁系统等领域的应用日益广泛。常用的三相整流电路有三相桥式不可控整流电路、三相桥式半控整流电路和三相桥式全控整流电路。三相全控整流电路的整流负载容量较大,输出直流电压脉动较小,是目前应用最为广泛的整流电路。它是由半波整流电路发展而来的。由一组共阴极的三相半波可控整流电路和一组共阳极接法的晶闸管串联而成。六个晶闸管分别由按一定规律的脉冲触发导通,来实现对三相交流电的整流,当改变晶闸管的触发角时,相应的输出电压平均值也会改变,从而得到不同的输出。由于整流电路涉及到交流信号、直流信号以及触发信号,同时包含晶闸管、电容、电感、电阻等多种元件,采用常规电路分析方法显得相当繁琐,高压情况下实验也难顺利进行。Matlab提供的可视化仿真工具Simulink可直接建立电路仿真模型,随意改变仿真参数,并且立即可得到任意的仿真结果,直观性强,进一步省去了编程的步骤。本文利用Simulink对三相桥式全控整流电路进行建模,对不同控制角、桥故障情况下进行了仿真分析,既进一步加深了三相桥式全控整流电路的理论,同时也为现代电力电子实验教学奠定良好的实验基础。
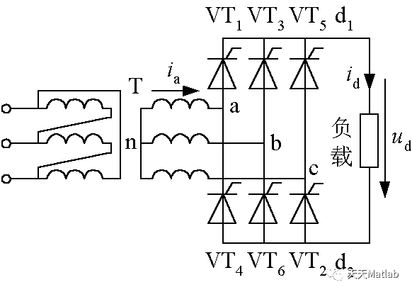
三相桥式全控整流电路图是应用最为广泛的整流电路,其电路图如下:

在三相桥式全控整流电路中,对共阴极组和共阳极组是同时进行控制的,控制角都是α。由于三相桥式整流电路是两组三相半波电路的串联,因此整流电压为三相半波时的两倍。很显然在输出电压相同的情况下,三相桥式晶闸管要求的最大反向电压,可比三相半波线路中的晶闸管低一半。
function varargout = sanxquan(varargin)
% SANXQUAN MATLAB code for sanxquan.fig
% SANXQUAN, by itself, creates a new SANXQUAN or raises the existing
% singleton*.
%
% H = SANXQUAN returns the handle to a new SANXQUAN or the handle to
% the existing singleton*.
%
% SANXQUAN('CALLBACK',hObject,eventData,handles,...) calls the local
% function named CALLBACK in SANXQUAN.M with the given input arguments.
%
% SANXQUAN('Property','Value',...) creates a new SANXQUAN or raises the
% existing singleton*. Starting from the left, property value pairs are
% applied to the GUI before sanxquan_OpeningFcn gets called. An
% unrecognized property name or invalid value makes property application
% stop. All inputs are passed to sanxquan_OpeningFcn via varargin.
%
% *See GUI Options on GUIDE's Tools menu. Choose "GUI allows only one
% instance to run (singleton)".
%
% See also: GUIDE, GUIDATA, GUIHANDLES
% Edit the above text to modify the response to help sanxquan
% Last Modified by GUIDE v2.5 30-Apr-2019 11:10:52
% Begin initialization code - DO NOT EDIT
gui_Singleton = 1;
gui_State = struct('gui_Name', mfilename, ...
'gui_Singleton', gui_Singleton, ...
'gui_OpeningFcn', @sanxquan_OpeningFcn, ...
'gui_OutputFcn', @sanxquan_OutputFcn, ...
'gui_LayoutFcn', [] , ...
'gui_Callback', []);
if nargin && ischar(varargin{1})
gui_State.gui_Callback = str2func(varargin{1});
end
if nargout
[varargout{1:nargout}] = gui_mainfcn(gui_State, varargin{:});
else
gui_mainfcn(gui_State, varargin{:});
end
% End initialization code - DO NOT EDIT
clc;clear all;
% --- Executes just before sanxquan is made visible.
function sanxquan_OpeningFcn(hObject, ~, handles, varargin)
% This function has no output args, see OutputFcn.



[1]南貌. 基于simulink单相桥式可控整流电路的分析研究[J]. 科技风, 2012(11):1.
[2]苏文静, 朱琥. Simulink在单相桥式半控整流电路中的仿真研究[J]. 宁波职业技术学院学报, 2007, 11(2):3.
[3]郎永平. 基于Simulink的三相桥式全控整流电路的仿真研究[J]. 中国科技博览, 2014(5):2.
❤️ 关注我领取海量matlab电子书和数学建模资料
❤️部分理论引用网络文献,若有侵权联系博主删除