算术运算:加减乘除等
逻辑运算:与、或、非、异或等
辅助功能:移位、求补等
![[外链图片转存失败,源站可能有防盗链机制,建议将图片保存下来直接上传(img-FxFq9wpM-1668229678047)(C:\Users\17215\AppData\Roaming\Typora\typora-user-images\image-20221112124455065.png)]](https://1000bd.com/contentImg/2024/04/24/dd21539493a912e9.png)
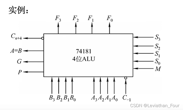
M S为来自CU控制单元的信号
A和B为两个4bit的数据输入,F为4bit数据的输出
机器字长和ALU位数,输入数据位数和其他寄存器位数相同
![[外链图片转存失败,源站可能有防盗链机制,建议将图片保存下来直接上传(img-qQYNqKiq-1668229678048)(C:\Users\17215\AppData\Roaming\Typora\typora-user-images\image-20221112124524098.png)]](https://1000bd.com/contentImg/2024/04/24/30e47e6904ef3b07.png)
下面的门电路,分别展示了与门,或门,非门。
一般非都会有个小⭕在前面。
![[外链图片转存失败,源站可能有防盗链机制,建议将图片保存下来直接上传(img-Q5n2Y3uV-1668229678049)(C:\Users\17215\AppData\Roaming\Typora\typora-user-images\image-20221112124838374.png)]](https://1000bd.com/contentImg/2024/04/24/850554f05ac476b1.png)
优先级:与>或(类比加减乘除)
Ex:实现AC+AD

![[外链图片转存失败,源站可能有防盗链机制,建议将图片保存下来直接上传(img-FR2tsxTW-1668229678049)(C:\Users\17215\AppData\Roaming\Typora\typora-user-images\image-20221112125208167.png)]](https://1000bd.com/contentImg/2024/04/24/7bf0546d18d1bd44.png)
异或的逻辑表达与门电路:

同或是异或取反
我们可以将加法化为4个元素的有机结合

每一步的C和S和这一步的A、B以及上一步的C有关。相关逻辑运算如下:
![[外链图片转存失败,源站可能有防盗链机制,建议将图片保存下来直接上传(img-55yLWpij-1668229678052)(C:\Users\17215\AppData\Roaming\Typora\typora-user-images\image-20221112125759001.png)]](https://1000bd.com/contentImg/2024/04/24/d27a7127f4e90bde.png)
相应的门电路:
![[外链图片转存失败,源站可能有防盗链机制,建议将图片保存下来直接上传(img-g5p423ss-1668229678052)(C:\Users\17215\AppData\Roaming\Typora\typora-user-images\image-20221112125839726.png)]](https://1000bd.com/contentImg/2024/04/24/e457ad7f33bb4d5e.png)
一位全加器:

只有一个加法器,数据逐行传入运算,进位触发器保留进位数,参与下一次运算。
![[外链图片转存失败,源站可能有防盗链机制,建议将图片保存下来直接上传(img-WmtPXh7i-1668229678054)(C:\Users\17215\AppData\Roaming\Typora\typora-user-images\image-20221112130051977.png)]](https://1000bd.com/contentImg/2024/04/24/2ed4a4649832c64c.png)

把n个全加器串接起来,直接进行两个n位数的相加

带组内运行的是将结果根据之前的数据直接运算得出,不需要等输出过来得数据了。

