最近遇到一个问题:
1)现象:STM32F405飞控,无法接sbus接收机。
2)原因:与通常F405飞控差异是没有sbus接口。
为了更好的解释这个问题,先储备一些基础知识。
通常MCU的GPIO会设计成三态,此时信号取决于外部电路逻辑。
注:高阻态是一种信号线共享的机制,当需要使用信号线是进行拉高、拉低输出信号。高阻时放弃信号线使用权。
通过上拉电阻,将信号线拉至默认输出状态。MCU控制器设计时也有内部上拉选项,相当于外部上拉电阻的效果。
通过下拉电阻,将信号线拉至默认输出状态。MCU控制器设计时也有内部下拉选项,相当于外部下拉电阻的效果。
通常指IO能够承受多少负载电流,超出负载将会损坏IO(芯片)。
通常指IO能提供的负载的驱动能力,超出负债将无法工作。

Open-drain
Open-drain with internal pull-up // 常用于通信,比如:I2C

注:Open-Collector是BJT,Open-Drain指FET
【
2
】
^{【2】}
【2】。
回到本文的主要目标:没有sbus焊盘的F405飞控与sbus接收机通信。
首先,从前面储备知识我们了解到以下几个信息:
市面上常见的处理方法:采用一个转换器进行转换。

除了上述硬件方法以外,其实还有两个思路可以考虑:
ELRS接收机配置inverted sbus信号。

经过调查后发现:F405芯片与F3/F7不一样,芯片内部没有反向器。通常STM32F405的飞控板都是通过一个外置反向电路,来转换接收机的sbus信号。
来自参考资料【1】
A serial signal is composed of a series of High and Low electrical signals sent down a wire. In the standard serial protocol, a high signal is 0 and low is 1. In an inverted signal this is reversed so that a high is 1 and low is 0. You might think it makes more sense that low should always be 0 and high be 1 but electronics engineers decided that standard serial protocol should be the former.To convert a standard serial signal to an inverted signal you run it through an inverter chip (which can be as simple as a single transistor) which will simply change all high signals to low and vice versa.
F3 and F7 chips have inbuilt inverters on their hardware uarts, which enable them to transmit or receive serial signals in any polarity. For some reason, F4’s were designed without that feature and thus do not support inverted signals on their uarts.
通常“硬”的不行,我们总希望“软”的能解决。这个思路在软件技术发展条件下,确实能解决或者绕过很多硬件问题。这也是GPIO(General Purpose IO)的一些优势。
经代码分析,曾经F411的时代,确实有软串口来进行串口的扩展。同时也支持了采用定时器方案进行sbus协议解析。

进一步深入分析,在芯片平台定义上已经定义了USE_SOFTSERIAL。
./src/main/msp/msp.c:669:#if defined(USE_SOFTSERIAL)
./src/main/target/STM32F7X2/target.h:33:#define USE_SOFTSERIAL
./src/main/target/STM32H725/target.h:86:#define USE_SOFTSERIAL1
./src/main/target/STM32H725/target.h:87:#define USE_SOFTSERIAL2
./src/main/target/STM32F745/target.h:38:#define USE_SOFTSERIAL
./src/main/target/STM32H723/target.h:57:#define USE_SOFTSERIAL
./src/main/target/STM32H750/target.h:71:#define USE_SOFTSERIAL
./src/main/target/STM32F411/target.h:33:#define USE_SOFTSERIAL
./src/main/target/STM32F446/target.h:34:#define USE_SOFTSERIAL
./src/main/target/STM32H743/target.h:34:#define USE_SOFTSERIAL
./src/main/target/STM32F405/target.h:37:#define USE_SOFTSERIAL
./src/main/target/STM32G47X/target.h:34:#define USE_SOFTSERIAL
./src/main/config/config.c:426:#if !defined(USE_SOFTSERIAL)
./src/main/drivers/serial_pinconfig.c:173:#ifdef USE_SOFTSERIAL
./src/main/drivers/serial_pinconfig.c:189:#if defined(USE_UART) || defined(USE_SOFTSERIAL)
./src/main/drivers/serial_pinconfig.c:243:#if defined(USE_SOFTSERIAL)
./src/main/drivers/serial_pinconfig.c:250:#ifdef USE_SOFTSERIAL
./src/main/drivers/serial.h:106:#if defined(USE_SOFTSERIAL)
./src/main/drivers/serial_softserial.c:31:#if defined(USE_SOFTSERIAL)
./src/main/cli/cli.c:5036:#if defined(USE_SOFTSERIAL)
./src/main/io/serial.c:37:#if defined(USE_SOFTSERIAL)
./src/main/io/serial.c:102:#ifdef USE_SOFTSERIAL
./src/main/io/serial.c:410:#if !(defined(USE_UART) || defined(USE_SOFTSERIAL))
./src/main/io/serial.c:476:#ifdef USE_SOFTSERIAL
./src/main/io/serial.c:517:#if !defined(USE_SOFTSERIAL)
./src/main/io/serial.c:546:#ifdef USE_SOFTSERIAL
./src/test/unit/target.h:67:#define USE_SOFTSERIAL
主要配置内容有以下几点:
USE_SOFTSERIAL,以便将软串口代码进行编译;SBUS协议接收机 ⇒
set serialrx_inverted = ON
Inverted SBUS接收机 ⇒set serialrx_inverted = OFF
鉴于SBUS协议
【
5
】
^{【5】}
【5】格式如下:serialrx_halfduplex = OFF
补充:从性能上看,16CH Data(3ms), 最快速率为1000ms/3ms = 333Hz;而ELRS目前可以做到500Hz/1000Hz,所以支持CRFS的ELRS模块,不是非必要没有必要使用SBUS协议。

注:这里自定义编译有点问题,不应该使用USE_SOFTSERIAL,而应该使用SOFTSERIAL。但这个不影响最终的结果,因为这个定义在芯片平台代码中已经定义了。

首先,使用ELRS接收机采用CRSF协议测试接收机与飞控之间的硬件接线正确(UART2-RX与ELRS-TX连接)。
当协议切换到SBUS时,ELRS-TX即ELRS-SBUS硬件接口。
然后,配置Inverted SBUS协议,使用硬件UART2-RX确保接收机与飞控工作正常。
接收RC遥控正常(油门会高于没有接收机的885数值)。

首先,配置软件串口SoftSerial。

然后,配置软件串口资源端口UART2_Rx (A03)。
注:11是第一个软件串口。
# resource SERIAL_RX 11 A03
Resource is set to A03
最后,检查serialrx_inverted 状态(因为ELRS sbus接收机配置的是Inverted SBUS协议)。
# get serialrx_inverted
serialrx_inverted = OFF
Allowed values: OFF, ON
Default value: OFF

测试结果:Betaflight 4.4.2 固件软件串口无法解析inverted SBUS协议和SBUS协议。
怀疑问题:软件串口代码部分存在配置问题或者逻辑BUG无法使用。
相关跟踪,详见:
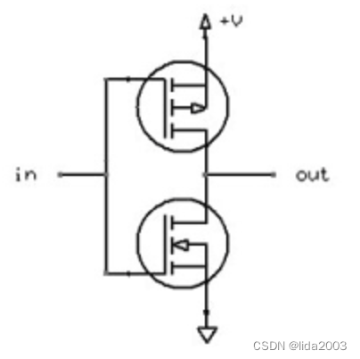
目前,大量的STM32F405飞控设计时,就考虑采用BJT/FET 【 2 】 ^{【2】} 【2】inverter进行硬件翻转SBUS信号与MCU兼容。

舍弃软件串口的可能原因大概有以下几点:
【1】What does it mean for SBUS to be an inverted protocol?
【2】difference-between-bjt-and-fet
【3】What is the advantage of SBUS over IBUS?
【4】Uninverted SBUS and Smart Port on Frsky Receivers
【5】Protocol decoder:sbus_futaba
【6】Tutorial: How to Setup Betaflight Softserial
【7】BetaFlight模块设计之三十六:SoftSerial
【8】BetaFlight模块设计之三十七:SBUS
注:本次验证采用AocodaRC F405V2 MPU6500飞控。该飞控本身有SBUS焊点,为了验证,直接使用的是UART2_Rx引脚。

默认设置
resource SERIAL_TX 2 A02
resource SERIAL_RX 2 A03
set serialrx_inverted = OFF
set serialrx_halfduplex = OFF
软件串口
resource SERIAL_TX 11 A02
resource SERIAL_RX 11 A03
飞控SBUS信号翻转
set serialrx_inverted = ON
单总线单双工设置
set serialrx_halfduplex = ON
工作状态查询
get serialrx_inverted
get serialrx_halfduplex
自定义编译有点问题,不应该使用USE_SOFTSERIAL,而应该使用SOFTSERIAL。

但这个不影响最终的结果,因为这个定义在芯片平台代码中已经定义了。
./src/main/target/STM32F405/target.h:37:#define USE_SOFTSERIAL
