机 械 制 图复习题及参考答案
一、填空题
1.比例的种类有 、 、 。
2.图样中的可见轮廓线用 绘制;图样中尺寸线和尺寸界线用 绘制。
3.正投影的基本性质包括 、 、 。
4.三视图的投影关系表现为:主、俯视图 ;主、左视图 ;俯、左视图 。
5..空间两直线的相对位置有 、 、 、三种情况。
6.组合体相邻两体间表面的接合关系可分为 、 、
、 。
7.组合体的尺寸种类有 、 、 。
8..同原值比例;放大比例;缩小比例。
粗实线;细实线。
真实性;积聚性;类似性。
长对正;高平齐;宽相等。
平行;相交;交叉。
不平齐;平齐;相切;相交。
定形尺寸;定位尺寸;总体尺寸。
相等;相同;450。
全剖视图;半剖视图;局部剖视图。
剖切线的延长线上。
一组图形;完整的尺寸;技术要求;标题栏。
过赢配合;间隙配合;过渡配合。
公差带大小;公差带位置。
不剖。
比例。
细实线;点划线。
箭头;斜线。
中心投影法;平行投影法。
移出断面图;重合断面图。
粗实线。
粗实线;点划线;细实线;粗实线。
光滑;高。
标准公差等级;基本偏差。
基孔制;基轴制。
一组视图;必要的尺寸;技术要求;标题栏、序号和明细表。
一机件各剖视图中的剖面线,应画成间隔 、方向 而且与水平成 的平行线。
9.剖视图分为 、 、 。
10.移出断面一般配置在 。
11.一张完整的零件图应包括: 、 、 、 。
12.国家标准将配合分为 、 、 。
13.公差带由 和 这两个要素组成。
14.在装配图上作剖视时,当剖切平面通过标准件和实心的对称平面或轴线时,这些零件均按 绘制。
15.图中图形与其实物相应要素的线性尺寸之比称为 。
16.图样中的剖面线用 绘制;图样中转体的轴线或形体的对称线用 绘制 。
17.尺寸线终端可以有 和 两种形式。
18..投影法分为 和 。
19.断面图分为 和 。
20.无论内、外螺纹,螺纹终止线均用 绘制。
21..齿轮轮齿部分齿顶圆和齿顶线用 绘制;分度圆和分度线用 绘制;在不剖视图中,齿根圆和齿根线用 绘制,也可省略不画;在剖视图中齿根线用 绘制。
22.表面粗糙度越低,表面越 ,但加工成本也越 。
23.公差带大小由 确定,公差带位置由 确定。
24.国家标准规定有 和 两种配合制度。
25.一张完整的装配图包括: 、 、
、 四部分内容。
二、判断题(正确画√,错误画X)
1.点画线应以长画相交。
2.当直线或平面与投影面平行时,投影表现为积聚。
3.空间相交的两直线,它们的同面投影一定相交,但交点不一定符合点的投影规律。
4.直径尺寸应尽量注在非圆的视图上。
5.截交线一定是一个封闭的平面图形。
6.当机件的轮廓线与对称中心线重合时,最适宜采用半剖视图。
7.尺寸标注应避免注成封闭的尺寸链。
8.若零件实际尺寸正好等于基本尺寸,该零件必合格。
9.间隙配合中,孔的公差带一定在零线上方,轴的公差带一定在零线下方。
10.装配图上零件的工艺结构(铸造圆角、倒角等)均可不画出。
11.尺寸线不可被任何图线或延长线所替代,必须单独画出。
12.当直线或平面与投影面垂直时,投影表现为显实。
13.空间相互平行的两直线,它们的各组同面投影一定平行。
14.相贯线一般为封闭的空间曲线。
15.立体两表面相切时,接合处画分界线。
16.螺纹的公称直径为顶径。
17.完全互换的零部件装配精度必高于不完全互换。
18.公差带的大小反映了零件加工的难易程度。
19.若零件精确程度相同,则它们的上、下偏差也相同。
20.装配图上不标注表面粗糙度
21.对于线性尺寸的尺寸数字,一般应填写在尺寸线的下方。1.√ 2. Ⅹ 3. Ⅹ 4. √ 5. √ 6. Ⅹ
7. √ 8. Ⅹ 9. Ⅹ 10. √ 11. √ 12. Ⅹ
13. √ 14. √ 15. Ⅹ 16. Ⅹ 17. Ⅹ 18. √
19. Ⅹ 20. √ 21. Ⅹ 22. √ 23.√ 24.Ⅹ
25.Ⅹ 26.√ 27.Ⅹ 28.√ 29.Ⅹ 30.Ⅹ
22.角度的数字一律要水平书写。
23.当直线或平面与投影面倾斜时,投影表现为类似。
24.一直线通过平面上的一点,且平行于该平面上的一直线,则此直线不一定就在该平面上。
25.在剖视图中,内外螺纹旋合的部分应按内螺纹的画法绘制。
26.尺寸标注应避免注成封闭的尺寸链。
27.极限尺寸减去实际尺寸所得的代数差即为该尺寸的实际偏差。
28.间隙配合中,孔的公差带一定在轴的公差带之上ⅩⅩ。
29.基本偏差均为下偏差。
30.装配图上应标出零件的全部尺寸。

编辑切换为居中
添加图片注释,不超过 140 字(可选)

编辑切换为居中
添加图片注释,不超过 140 字(可选)
4.作水平线AB的三面投影。已知点A距H面为15,距V面为5,距W面为10,AB与V面夹角为30°,实长为30,点B在点A的左前方。

编辑
添加图片注释,不超过 140 字(可选)

编辑切换为居中
添加图片注释,不超过 140 字(可选)

编辑
添加图片注释,不超过 140 字(可选)

编辑切换为居中
添加图片注释,不超过 140 字(可选)

编辑
添加图片注释,不超过 140 字(可选)

编辑
添加图片注释,不超过 140 字(可选)
2.根据已知视图补画第三视图或视图中所缺的图线。

编辑
添加图片注释,不超过 140 字(可选)

编辑
添加图片注释,不超过 140 字(可选)
3.根据给出的视图,补画第三视图或视图中所缺的图线。

编辑
添加图片注释,不超过 140 字(可选)

编辑
添加图片注释,不超过 140 字(可选)
4.补画视图中的缺线

编辑
添加图片注释,不超过 140 字(可选)
5.根据给出的视图,补画第三视图或视图中所缺的图线。

编辑
添加图片注释,不超过 140 字(可选)

编辑
添加图片注释,不超过 140 字(可选)

编辑切换为居中
添加图片注释,不超过 140 字(可选)
6.补画视图中的缺线。

编辑
添加图片注释,不超过 140 字(可选)

编辑切换为居中
添加图片注释,不超过 140 字(可选)

编辑切换为居中
添加图片注释,不超过 140 字(可选)

编辑切换为居中
添加图片注释,不超过 140 字(可选)

编辑
添加图片注释,不超过 140 字(可选)

编辑
添加图片注释,不超过 140 字(可选)

编辑
添加图片注释,不超过 140 字(可选)

编辑
添加图片注释,不超过 140 字(可选)

编辑
添加图片注释,不超过 140 字(可选)

编辑切换为居中
添加图片注释,不超过 140 字(可选)

编辑
添加图片注释,不超过 140 字(可选)

编辑
添加图片注释,不超过 140 字(可选)

编辑切换为居中
添加图片注释,不超过 140 字(可选)

编辑
添加图片注释,不超过 140 字(可选)

编辑
添加图片注释,不超过 140 字(可选)

编辑切换为居中
添加图片注释,不超过 140 字(可选)
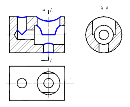
3.读零件图,并回答问题。
(1)主视图采用 剖,左视图采用 剖,分别表示其 。
(2)零件上有三个沉孔,其大圆直径 ,小圆直径 ,三个沉孔的定位尺寸是 。
(3)零件上有 个螺孔,其螺孔代号为 ,定位尺寸是 。
(4)主视图上虚线画出的圆是否通孔(在填空中答:是或不是) 。其直径是 ,深度是 。
(5)用指引线标出此零件长、宽、高三个方向的尺寸基准,并指出是哪个方向的基准。
(6)2-M10-7H的含义: 个 螺纹、大径为 、旋向为 、 径和 径的公差带代号都为 , 旋合长度的 (内、外)螺纹。
(7)零件上Φ58H7和Φ63孔的表面粗糙度, 的表面加工要求高。
(8)说明Φ58H7的意义。

添加图片注释,不超过 140 字(可选)

添加图片注释,不超过 140 字(可选)
(9)说明符号 的含义。

编辑切换为居中
添加图片注释,不超过 140 字(可选)
参考答案
一、 填空题
1. 原值比例;放大比例;缩小比例。
2. 粗实线;细实线。
3. 真实性;积聚性;类似性。
4. 长对正;高平齐;宽相等。
5. 平行;相交;交叉。
6. 不平齐;平齐;相切;相交。
7. 定形尺寸;定位尺寸;总体尺寸。
8. 相等;相同;450。
9. 全剖视图;半剖视图;局部剖视图。
10. 剖切线的延长线上。
11. 一组图形;完整的尺寸;技术要求;标题栏。
12. 过赢配合;间隙配合;过渡配合。
13. 公差带大小;公差带位置。
14. 不剖。
15. 比例。
16. 细实线;点划线。
17. 箭头;斜线。
18. 中心投影法;平行投影法。
19. 移出断面图;重合断面图。
20. 粗实线。
21. 粗实线;点划线;点划线;粗实线。
22. 光滑;高。
23. 标准公差等级;基本偏差。
24. 基孔制;基轴制。
25. 一组视图;必要的尺寸;技术要求;标题栏、序号和明细表。
二、 判断题
1.√ 2. Ⅹ 3. Ⅹ 4. √ 5. √ 6. Ⅹ
7. √ 8. Ⅹ 9. Ⅹ 10. √ 11. √ 12. Ⅹ
13. √ 14. √ 15. Ⅹ 16. Ⅹ 17. Ⅹ 18. √
19. Ⅹ 20. √ 21. Ⅹ 22. √ 23.√ 24.Ⅹ
25.Ⅹ 26.√ 27.Ⅹ 28.√ 29.Ⅹ 30.Ⅹ
三、求投影
1.已知点A距H面为12,距V面为15,距W面为10,点B在点A的左方5,后方10,上方8,试作A、B两点的三面投影。

编辑切换为居中
添加图片注释,不超过 140 字(可选)
2.作平面四边形ABCD的投影。

编辑
添加图片注释,不超过 140 字(可选)
3.完成下列形体的投影。
(1) (2)

编辑
添加图片注释,不超过 140 字(可选)

编辑
添加图片注释,不超过 140 字(可选)

编辑切换为居中
添加图片注释,不超过 140 字(可选)

编辑切换为居中
添加图片注释,不超过 140 字(可选)

编辑
添加图片注释,不超过 140 字(可选)
9.作直线和平面的交点,并判别可见性。

编辑
添加图片注释,不超过 140 字(可选)

编辑
添加图片注释,不超过 140 字(可选)

编辑切换为居中
添加图片注释,不超过 140 字(可选)

编辑
添加图片注释,不超过 140 字(可选)
5.根据给出的视图,补画第三视图或视图中所缺的图线。

编辑
添加图片注释,不超过 140 字(可选)

编辑
添加图片注释,不超过 140 字(可选)

编辑
添加图片注释,不超过 140 字(可选)
6.补画视图中的缺线。

编辑
添加图片注释,不超过 140 字(可选)
7.补全螺栓连接图中所缺的图线。

编辑切换为居中
添加图片注释,不超过 140 字(可选)
8.在指定位置画出剖面图(键槽深为3mm)。

编辑
添加图片注释,不超过 140 字(可选)
五、改画视图
1.在指定位置将主视图画成全剖视图。

编辑
添加图片注释,不超过 140 字(可选)
2.在指定位置将主视图画成剖视图。

编辑
添加图片注释,不超过 140 字(可选)
3.在指定位置将主视图画成全剖视图。

编辑切换为居中
添加图片注释,不超过 140 字(可选)

编辑切换为居中
添加图片注释,不超过 140 字(可选)
4.在指定位置将主视图画成全剖视图,左视图画成半剖视图。

编辑切换为居中
添加图片注释,不超过 140 字(可选)

编辑切换为居中
添加图片注释,不超过 140 字(可选)
六、改错题

编辑切换为全宽
添加图片注释,不超过 140 字(可选)

编辑
添加图片注释,不超过 140 字(可选)

编辑
添加图片注释,不超过 140 字(可选)
3.指出螺柱连接画法中的错误,并将正确的画在指定位置。

编辑
添加图片注释,不超过 140 字(可选)
七、读装配图
1.读零件图,并回答问题。
(1)该零件采用了哪些视图、剖视图和剖面图?
(2)指出该零件在长、宽、高三个方向的主要尺寸基准。
(3)图中G1/2"表示: 螺纹,1/2"表示 ,是 螺纹(内、外),
(4)36H8表示:Φ36是 ,H8是 ,其中,H是 ,8是 。

添加图片注释,不超过 140 字(可选)
(5)说明符号 的含义。
(6)试画出主视图的外形。

编辑
添加图片注释,不超过 140 字(可选)
答案:
(1) 该零件采用了哪些视图、剖视图和剖面图?说明数量和名称。
该零件采用主视图、俯视图和左视图三个视图,其中,主视图是全剖视图,左视图是局部剖视图,俯视图为半剖视图。
(2) 指出该零件在长、宽、高三个方向的主要尺寸基准。
高方向基准是零件的底面,长度方向基准是零件上Φ42孔的左端面,宽度基准是宽度方向的对称线。
(3)图中G1/2"表示: 非螺纹密封的管 螺纹,1/2"表示 公称直径 ,是 内 螺纹(内、外),
(4)Φ36H8表示:Φ36是 基本尺寸 ,H8是 公差带代号 ,其中,H是 基本偏差代号 ,8是 公差等级 。

添加图片注释,不超过 140 字(可选)
(5)说明符号 的含义。前者表示用去除材料的方法获得的表面粗糙度,
Ra的值为6.3μm.;后者表示,是由不去除材料的方法获得的零件表面。
(6)试画出主视图的外形。 (图形从略)2.读零件图并回答下列问题。
(1)该零件采用了哪些视图、剖视图和剖面图?
(2)指出该零件在长、宽、高三个方向的主要尺寸基准。
(3)说明Φ40H7的意义。
(4)说明M8—7H的含义。
(5)标出各剖视图的剖切平面位置。

编辑
添加图片注释,不超过 140 字(可选)
(6)说明符号 的含义。

编辑切换为居中
添加图片注释,不超过 140 字(可选)
答案:
(1)该零件图中,主视图采用了局部剖视,左视图采用半剖视图,俯视图采用全剖视图
(2)长度方向的基准是长度对称线,高度方向基准是零件底边,宽度方向是宽度对称线。
(3) Φ40H7表示:基本尺寸为Φ40的孔,H7为公差带代号,H为基本偏差代号,7为公差等级。
(4) M8—7H表示,公称直径为8mm的普通螺纹,M为螺纹代号,7H为中径的公差带代号。
(5)(图略)
(6)表示主视图中右侧Φ40H7孔的中心轴线相对于左侧Φ40孔的中心轴线的同轴度公差为Φ0.02
3.读零件图,并回答问题。
(1)主视图采用 剖,左视图采用 剖,分别表示其 。
(2)零件上有三个沉孔,其大圆直径 ,小圆直径 ,三个沉孔的定位尺寸是 。
(3)零件上有 个螺孔,其螺孔代号为 ,定位尺寸是 。
(4)主视图上虚线画出的圆是否通孔(在填空中答:是或不是) 。其直径是 ,深度是 。
(5)用指引线标出此零件长、宽、高三个方向的尺寸基准,并指出是哪个方向的基准。
(6)2-M10-7H的含义: 个 螺纹、大径为 、旋向为 、 径和 径的公差带代号都为 , 旋合长度的 (内、外)螺纹。
(7)零件上Φ58H7和Φ63孔的表面粗糙度, 的表面加工要求高。
(8)说明Φ58H7的意义。

添加图片注释,不超过 140 字(可选)

添加图片注释,不超过 140 字(可选)
(9)说明符号 的含义。
答案;
(1)主视图采用 局部 剖,左视图采用 局部 剖,分别表示其 内孔及螺孔的结构 。
(2)零件上有三个沉孔,其大圆直径 Φ32 ,小圆直径 Φ15 ,三个沉孔的定位尺寸是 R75、10º 。
(3)零件上有 2 个螺孔,其螺孔代号为 M10-7H ,定位尺寸是 96、45 。
(4)主视图上虚线画出的圆是否通孔(在填空中答:是或不是)不是 。其直径是 100 ,深度是 7 。
(5)用指引线标出此零件长、宽、高三个方向的尺寸基准,并指出是哪个方向的基准。
(6)2-M10-7H的含义: 2 个 普通 螺纹、大径为 10mm 、旋向为 右 、 中 径和 顶 径的公差带代号都为 7H , 中等 旋合长度的 内 (内、外)螺纹。
(7)零件上Φ58H7和Φ63孔的表面粗糙度, Φ58H7 的表面加工要求高。
(8)说明Φ58H7的意义。

添加图片注释,不超过 140 字(可选)
Φ58H7表示:基本尺寸为Φ58的孔,H7为公差带代号,H为基本偏差代号,7为公差等级。

添加图片注释,不超过 140 字(可选)
9.说明符号 的含义。
前者表示用去除材料的方法获得的表面粗糙度,Ra的值为6.3μm.;
后者表示,是由不去除材料的方法获得的零件表面。

编辑切换为居中
添加图片注释,不超过 140 字(可选)